Aquatherm Nitra, veľtrh vykurovacej, klimatizačnej, ventilačnej, meracej a regulačnej, sanitárnej a ekologickej techniky sa bude konať 7. - 10. februára 2017 na nitrianskom výstavisku Agrokomplex.Novo sa organizátori rozhodli na základe impulzu od vystavovateľov a požiadaviek trhu pre organizáciu veľtrhu v dvojročnom cykle.
Energie
Po roku 2020 máme stavať budovy s takmer nulovou potrebou energie. Aby sme túto úroveň výstavby dosiahli, postupne sa sprísňujú požiadavky na tepelnotechnické vlastnosti stavebných konštrukcií budov a na podiel obnoviteľných zdrojov energie na dodanej energii. Od januára tohto roka prechádzame na ultranízkoenergetickú úroveň výstavby, čo znamená, že postavená budova má byť pri energetickej certifikácii zatriedená do energetickej triedy A1.
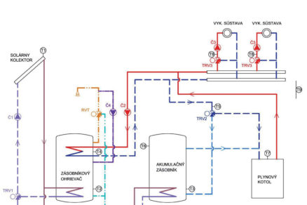
Dobre navrhnuté komponenty vykurovacej sústavy nestačia, dôležité je aj usporiadanie zdrojov a spôsob ich prevádzky. Príspevok sa zaoberá vykurovacími sústavami, ktoré sú zásobované energiou z viacerých typov zdrojov tepla súčasne. Poukazuje na možnosti kombinácií zdrojov tepla v jednom systéme a na spôsob ich prevádzky.
Technické aj programové možnosti ASR na úsporu energie pri prevádzke budov sú čoraz širšie. Ich schopnosti neustále narastajú od jednoduchých riešení nízkoenergetických budov cez budovy typu nZEB až po perspektívne nulové a energeticky aktívne budovy.
Článok sa zaoberá porovnaním súčasnej energetiky, postavenej primárne na veľkých centrálnych zdrojoch, a možnej budúcnosti, keď sa bude výroba elektriny a tepla riešiť pomocou malých zdrojov na biomasu, inštalovaných priamo v miestach spotreby energie.
Termíny pre dosiahnutie jednotlivých energetických úrovní v súlade so stratégiou Európa 2020 a nezadržateľne blížia. V nadväznosti na túto stratégiu by sme aj na Slovensku mali navrhovať a stavať budovy, ktoré budú spĺňať požiadavky takmer nulovej spotreby energie.
Elektráreň v Kozomíne v blízkosti Kralúp nad Vltavou, ktorá vznikla v brownfielde bývalej poľnohospodárskej budovy, má za sebou už prvé štyri mesiace ostrej prevádzky. Elektráreň vyrobí viac ako 1 000 MWh elektrickej energie mesačne, čo pokryje spotrebu približne troch tisícok domácností. Ekologická bezemisná technológia, ktorá vyrába elektrickú energiu a teplo splyňovaním drevnej štiepky, je v ČR unikátna. Podarilo sa ju vyvinúť v spolupráci českých firiem a vedcov z Vysokej školy chemicko-technologickej v Prahe a Akadémie vied ČR.
Asociácie energetických manažérov je spolu s realizátorom, agentúrou MEEN, už od roku 1994 hlavným organizátorom medzinárodnej konferencie o energetickej efektívnosti a využití obnoviteľných zdrojov energie. Na organizovanie si pozýva rad ďalších profesijných združení a energeticky zameraných organizácií. Medzinárodná konferencia o energetickej efektívnosti „enef“ sa organizuje v dvojročnom cykle.
Na začiatku každého dobrého projektu v oblasti energetiky treba vypracovať štúdiu uskutočniteľnosti, investičný zámer a podrobnú energetickú štúdiu, aby sa overila zmysluplnosť a efektívnosť projektu. Musí sa definovať úspora energie, návratnosť vložených finančných prostriedkov a prevádzkových nákladov. Výrobcom tepla z toho vyplýva následne povinnosť skontrolovať investičný zámer v praxi.
Aby sa dala viesť odborná diskusia, treba poznať východiskový stav, čiže čo vlastne vedia ľudia o príprave teplej vody vo svojich domácnostiach. Na konštruktívnu odbornú diskusiu s občanmi je nevyhnutné poznať východiskový stav problematiky.
Univerzitné centrum energeticky efektívnych budov UCEEB vzniklo ako samostatný vysokoškolský ústav ČVUT v Prahe zameraný na vznik stavieb, ktoré sú energeticky efektívne, priateľské k životnému prostrediu a svojim obyvateľom poskytujú patričný komfort.
Merania U-hodnôt stavebných konštrukcií preukázali významné odchýlky skutočných U-hodnôt od údajov v tepelno-technických posudkoch. Súčiniteľ prechodu tepla konštrukciou U je snáď najdôležitejším parametrom pri výpočte potreby tepla na vykurovanie a chladenie. Od správnosti jeho určenia závisí aj správnosť návrhu vykurovacích a chladiacich systémov, správnosť projektového energetického hodnotenia a v neposlednom rade aj správnosť hodnotenia energetickej hospodárnosti budov.
K úspore energie dochádza jednoduchým dosiahnutím komfortnej a stabilnej teploty v obytnom alebo pracovnom priestore. No v prípade, že je regulačná technika vykurovacieho alebo chladiaceho systému nepresná, spôsobuje nepríjemné teplotné výkyvy, hluk a v neposlednom rade podstatne vyššiu spotrebu energie, než je nevyhnutné, čo vedie k celému radu sťažností užívateľov.
Energetickú náročnosť možno znižovať efektívnym riadením spotreby energie. Aby sme udržali konkurencieschopnú výrobu v podnikoch alebo prevádzku v budovách, je nevyhnutné zavádzať energetický manažment. Avšak nie je energetický manažment ako energetický manažment. Udržateľnosť a dlhodobú energetickú efektivitu poskytujú najmä aplikácie, ktoré rešpektujú cyklus energeticky efektívnych riešení.
V rámci metód akumulácie tepelnej energie existujú tri spôsoby, ako možno teplo uskladňovať na neskoršie využitie. Článok sa zaoberá metódami akumulácie tepelnej energie zo slnečného žiarenia, ktoré prispievajú k efektívnemu a ekologickému využitiu slnečnej energie v procese výroby tepla.