Riadenie vykurovania s rôznymi zdrojmi tepla
Dobre navrhnuté komponenty vykurovacej sústavy nestačia, dôležité je aj usporiadanie zdrojov a spôsob ich prevádzky. 
Príspevok sa zaoberá vykurovacími sústavami, ktoré sú zásobované energiou z viacerých typov zdrojov tepla súčasne. Poukazuje na možnosti kombinácií zdrojov tepla v jednom systéme a na spôsob ich prevádzky.
Vo vykurovacej sústave prebieha proces riadenia vykurovania na troch úrovniach – výroba tepla, distribúcia tepla a odovzdávanie tepla. Riadenie odovzdávania tepla sa rieši ventilmi s termostatickou hlavicou pred vykurovacími telesami – ide o individuálnu reguláciu. Riadenie distribúcie tepla zahŕňa prispôsobenie teploty vykurovacej vody spôsobu odovzdania tepla alebo zónovaniu vykurovacej sústavy. Toto riadenie rieši trojcestný zmiešavací ventil na prahu distribučnej zóny. Ak ide o riadenie výroby tepla, je rozdiel, či ide o jednozdrojové alebo viaczdrojové zariadenie. Pri viaczdrojovom zariadení je ďalej rozdielne riadenie výroby tepla pri zdrojoch s rovnakou a rozdielnou primárnou energiou.
Riadenie výroby tepla s viacerými zdrojmi tepla
Sústavy s jedným zdrojom tepla (najčastejšie ide o plynové kotly) sú vybavené regulátorom (od výrobcu tepla), ktorý je súčasťou kotla. Ich riadenie je vcelku jednoduché, predstavuje zapínanie a vypínanie zdroja, resp. zvyšovanie výkonu kotla na dosiahnutie požadovanej teploty vykurovacej vody. Tieto regulátory dokážu bez problémov riadiť aj kaskádu viacerých rovnakých zdrojov.
V súčasnosti sa kladie dôraz na výrobu tepla s využívaním zdrojov tepla na báze obnoviteľných zdrojov. Preto sa často stretávame s výrobou tepla, keď je ku klasickému plynovému kotlu priradený ďalší obnoviteľný zdroj tepla – či už solárny kolektor, alebo tepelné čerpadlo, prípadne zdroj tepla na biomasu. Úlohou dobre navrhnutého riadenia takéhoto viaczdrojového zariadenia na výrobu tepla je zvládnuť optimálnu prevádzku každého typu zdroja, ako aj vykurovacej sústavy ako celku.
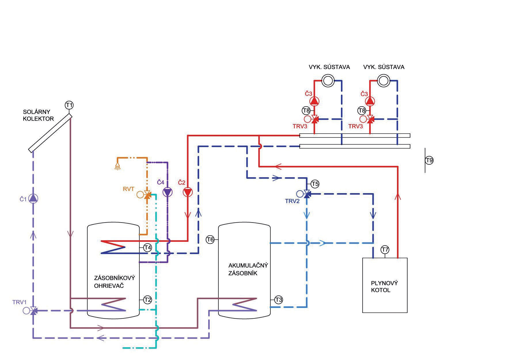
Bivalentný systém – solárny kolektor a plynový kotol 
Najčastejšie používaná kombinácia bivalentného systému je zapojenie solárnych kolektorov v kombinácii s plynovým kotlom. Hlavným zdrojom energie je v tomto prípade solárny kolektor, ktorý môže slúžiť len na prípravu teplej vody alebo aj ako podpora vykurovania. Plynový kotol slúži ako doplnkový špičkový zdroj tepla. 
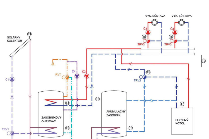
Pri regulácii týchto systémov je dôležité správne umiestnenie snímačov tepla. Na obr. 1 je znázornená schéma regulácie vykurovacieho systému, ktorá pozostáva z dvoch zdrojov tepla: solárny kolektor ako hlavný zdroj a plynový kotol ako doplnkový zdroj energie.
|  | 
Solárny kolektor zabezpečuje hlavne prípravu teplej vody cez zásobníkový ohrievač. Riadenie prevádzky prebieha prostredníctvom snímačov teplôt. Ak stúpne teplota snímača T1 a T1 > T2, zapína sa čerpadlo solárneho okruhu. Ak je teplota T2 pod žiadanou hodnotou, trojcestný ventil TRV1 sa prepne na ohrev zásobníkového ohrievača.
Po dosiahnutí žiadanej hodnoty T2, vstupuje do okruhu snímač T3 na akumulačnom zásobníku prepnutím TRV1 na ohrev v akumulačnom zásobníku a solárny kolektor sa využíva na ohrev alebo predohrev vody na vykurovanie. V pravidelných intervaloch sa kontroluje snímač T2 a dobíja sa zásobníkový ohrievač teplej vody. Potrebu dohriatia vody v zásobníkovom ohrievači doplnkovým zdrojom riadi snímač T4, ktorý zapína čerpadlo Č2.
Ak je teplota v akumulačnom zásobníku T6 > T5 (teplota vratnej vody), prechádza vratná voda ešte predohrevom cez akumulačný zásobník, využijúc energiu zo solárneho kolektora (ventil TRV2 sa prepne do polohy prechodu cez zásobník). V opačnom prípade sa ventil TRV2 prepne do polohy cesty smerujúcej do plynového kotla.
Chod plynového kotla sa riadi snímačom T7. Výkon jednotlivých okruhov vykurovacej sústavy sa riadi snímačom T8 a T9 podľa ekvitermnej krivky nastavením polohy trojcestného ventilu TRV3. Na okruhu teplej vody je osadený regulačný ventil s termostatom ako ochrana proti maximálnej teplote teplej vody.
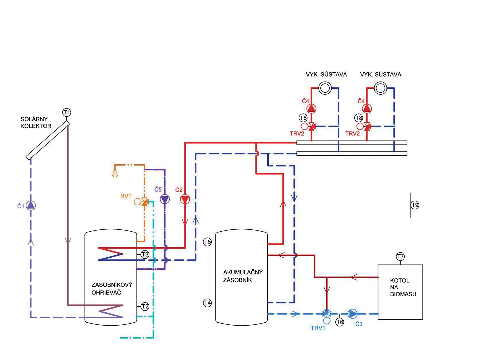
Bivalentný systém – solárny kolektor a kotol na biomasu
V oblastiach s veľkými zalesnenými plochami sa často používa kombinácia obnoviteľných zdrojov tepla zo solárneho kolektora a kotla na biomasu. Schéma zapojenia týchto dvoch zdrojov energie je na obr. 2.
Solárny kolektor sa v zapojení podľa obr. 2 využíva ako zdroj tepla na ohrev vody a kotol na biomasu sa využíva ako zdroj tepla na vykurovanie a zároveň ako doplnkový zdroj na dohrev teplej vody.
|  | 
Ohrev vody solárnym kolektorom sa riadi podobne ako pri schéme na obr. 1. Spúšťačom solárneho systému je snímač T1. Ak je T1 > T2, zapína sa čerpadlo Č1 a zásobníkový ohrievač sa vyhrieva solárnym kolektorom. V prípade, že sa požadovaná teplota v ohrievači nedosiahne, snímač T3 zapína čerpadlo Č2 a dohrev teplej vody sa uskutočňuje z akumulačného zásobníka dohrievaného kotlom.
Výkon kotla na biomasu nemožno riadiť tak plynulo ako pri kotle na plyn. Kotol na biomasu pracuje efektívnejšie, ak je čo najdlhšie v prevádzke a nie v režime zap./vyp. Preto je v systéme zaradený akumulačný zásobník, ktorý slúži na čo najdlhší chod kotla. Nabíjanie akumulačného zásobníka sa riadi snímačmi T4 a T5. Ak je T4 < T5, zapína sa kotol a čerpadlo Č3.
Pri kotle na biomasu je nevyhnutné použiť ochranu proti nízkoteplotnej korózii, čo zabezpečuje TRV1 prostredníctvom snímača T6. Chod kotla sa ďalej riadi snímačom T7 v kotle. Regulácia vykurovacích okruhov je ako pri schéme na obr. 1.
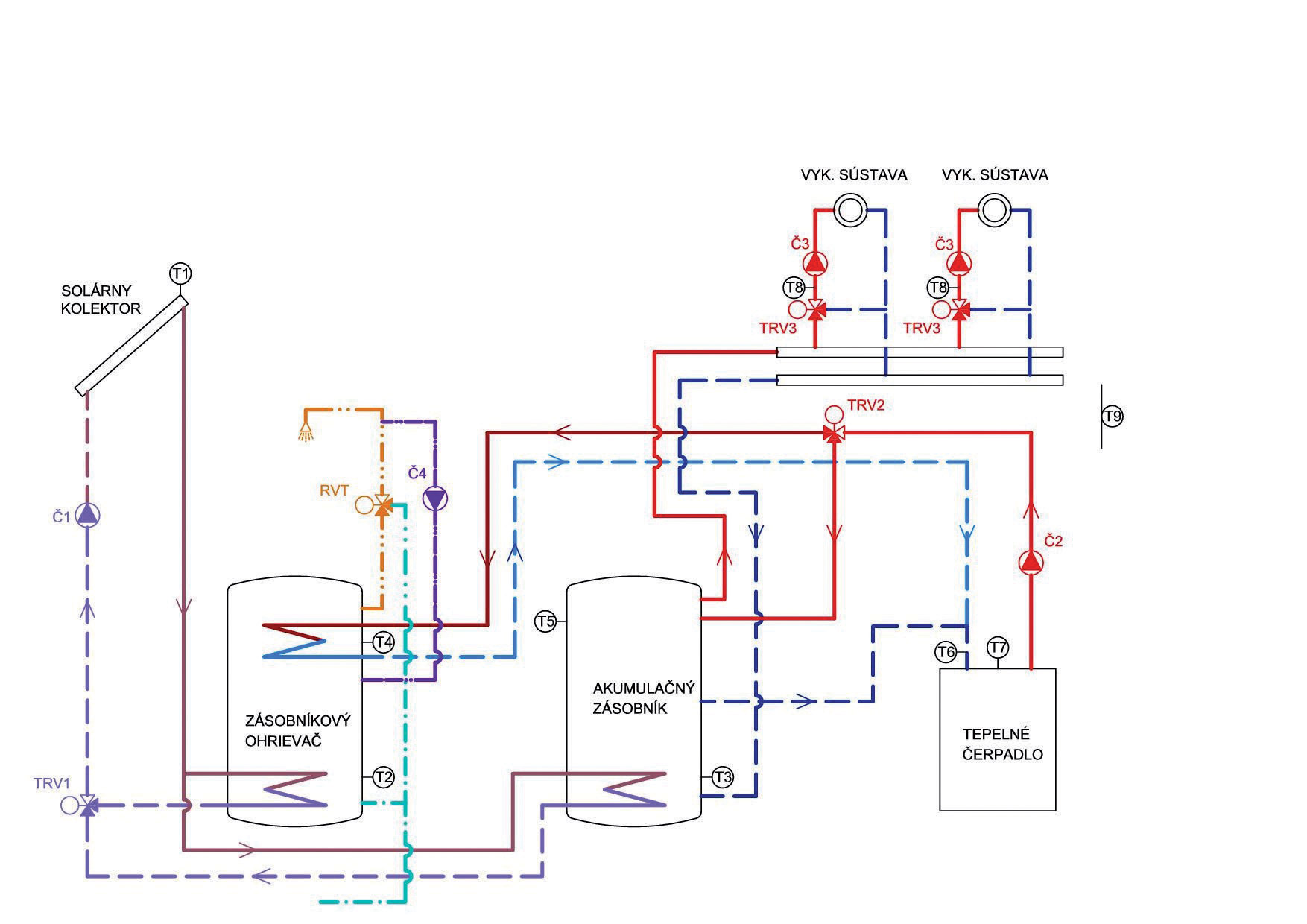
Bivalentný systém – solárny kolektor a tepelné čerpadlo
Vzhľadom na nenáročné požiadavky na priestorové usporiadanie je vhodným obnoviteľným zdrojom energie tepelné čerpadlo, hlavne typ vzduch – voda. Schéma zapojenia v spolupráci so solárnym kolektorom je na obr. 3.
|  | 
Hlavným zdrojom energie je slnečná energia, ktorú využíva solárny kolektor na ohrev vody v zásobníkovom ohrievači a následne na podporu vykurovania. Princíp funkcie je opísaný pri obr. 1, t. j. snímač T1 zapína čerpadlo Č1, snímač T2 riadi nabíjanie zásobníkového ohrievača prostredníctvom TRV1 a snímač T3 riadi nabíjanie akumulačného zásobníka od solárneho kolektora s kontrolou nabíjania zásobníkového ohrievača.
Tepelné čerpadlo slúži ako doplnkový zdroj energie aj na dohrev teplej vody v zásobníkovom ohrievači, aj na nabíjanie akumulačného zásobníka na vykurovanie. Funkcia akumulačného zásobníka spĺňa aj v tomto prípade podobnú úlohu ako pri zdroji tepla na biomasu, t. j. predlžuje čas zapnutia a vypnutia tepelného čerpadla, aby pracovalo čo najefektívnejšie.
Dobíjanie zásobníkového ohrievača teplej vody sa riadi snímačom T4, ktorý zapína čerpadlo Č2 a prepína TRV2 na cestu k ohrievaču. Dobíjanie akumulačného zásobníka riadi snímač T5, ktorý pôsobí takisto na čerpadlo Č2 a na TRV2. Zapínanie tepelného čerpadla riadi snímač T6 na vratnom potrubí do tepelného čerpadla. Okruhy vykurovania sú napojené cez akumulačný zásobník, ktorý spĺňa aj funkciu termo-hydraulického rozdeľovača. Výkon jednotlivých okruhov sa riadi ako pri ostatných schémach na obr. 1 a 2.
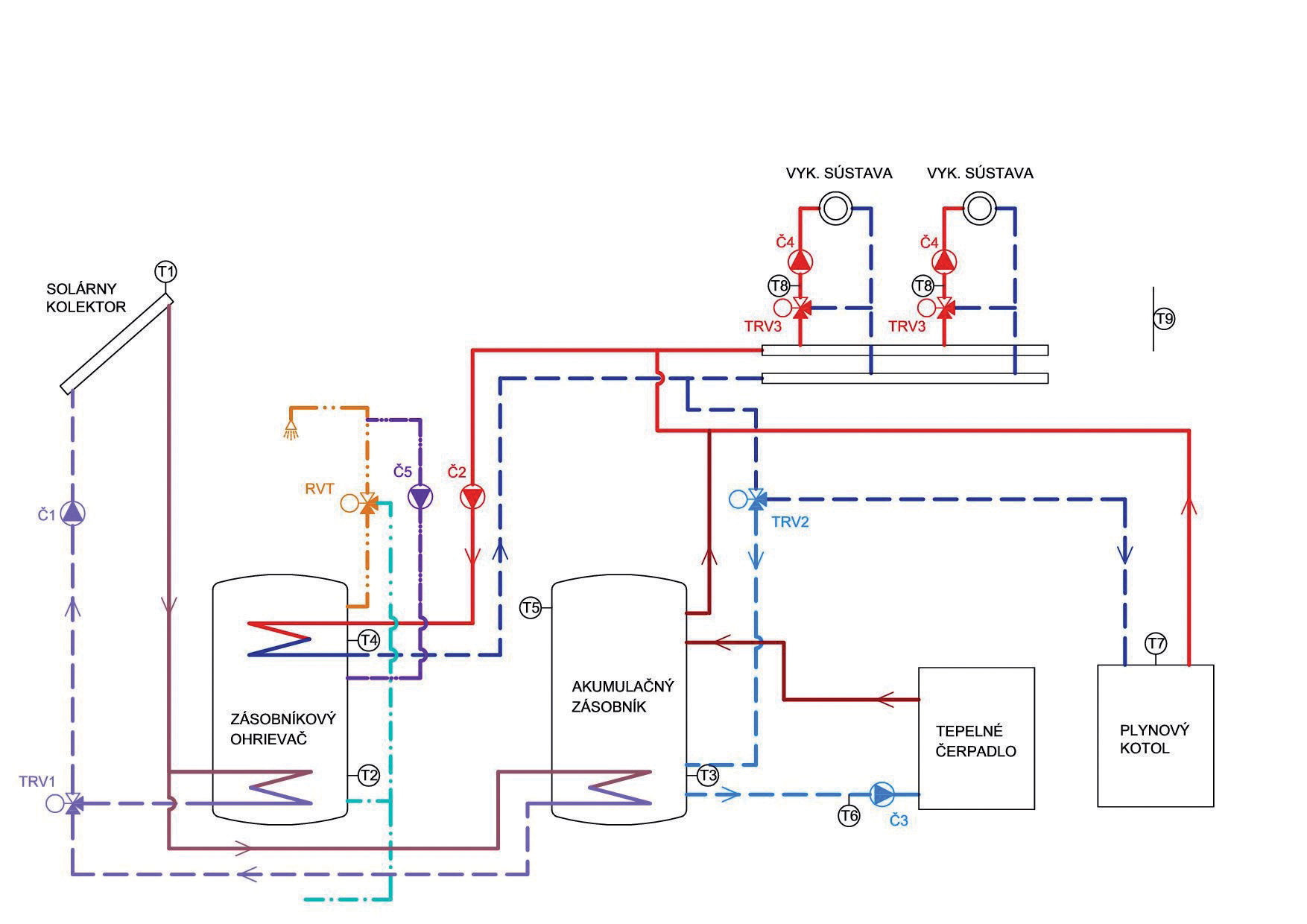
Viacvalentný zdroj tepla – solárny kolektor, tepelné čerpadlo a plynový kotol
V oblastiach s extrémne nízkou teplotou vonkajšieho vzduchu nestačí ako zdroj tepla len obnoviteľný zdroj energie. Za špičkový zdroj tepla treba doplniť zdroj s primárnou energiou nezávislou od klimatických podmienok. Potom vzniká zapojenie s tromi zdrojmi tepla – napríklad so solárnym kolektorom, s tepelným čerpadlom a plynovým kotlom.
|  | 
Úlohou regulácie je využiť slnečnú energiu v maximálnej miere ako na ohrev vody v zásobníkovom ohrievači, tak aj na vykurovanie prostredníctvom akumulačného zásobníka. Využitie solárnej energie zabezpečujú snímače T1 až T3, čerpadlo Č1 a trojcestný ventil TRV1. Ich funkcia je opísaná pri obr. 1. Ako druhý zdroj energie slúži energia dodaná tepelným čerpadlom. Dohrev zásobníkového ohrievača sa riadi snímačom T4 a zapnutím čerpadla Č2.
Ak je teplota T4 < T5 (teplota v akumulačnom zásobníku), dohrev zásobníka sa rieši prostredníctvom akumulačného zásobníka ohrievaného tepelným čerpadlom. V opačnom prípade sa pripája do okruhu ohrevu teplej vody špičkový zdroj tepla – plynový kotol.
Vykurovanie prebieha z akumulačného zásobníka ohrievaného prostredníctvom solárneho kolektora ako hlavného zdroja energie a tepelného čerpadla ako druhého zdroja energie. V prípade, ak je teplota v akumulačnom zásobníku T5 nižšia ako požadovaná teplota vo vykurovacom okruhu, pripája sa priamo do okruhu vykurovania špičkový zdroj tepla – plynový kotol.
Záver
Dobre navrhnuté komponenty vykurovacej sústavy ešte nie sú zárukou spokojnosti užívateľa objektu. Súčasný uvedomelý nájomca a užívateľ budovy trvá na využití možnej energie z obnoviteľných zdrojov, keďže to vedie k nižším prevádzkovým nákladom a zároveň ochrane životného prostredia.
Naše klimatické pomery nedovoľujú projektantom použiť len jeden typ obnoviteľného zdroja energie. Na zabezpečenie potrebnej energie musí projektant väčšinou siahnuť po kombinácii viacerých typov zdrojov energie. Tento príspevok chce práve poukázať na možnosti usporiadania takýchto zdrojov a na spôsob ich prevádzky.
Literatúra
1.    Kurčová, M. – Ehrenwald, P.: Regulácia kotlov na biomasu. In: Zborník prednášok zo 17. medzinárodnej konferencie Vykurovanie 2009. SSTP, Bratislava, s. 369 – 372.
2.    Kurčová, M. – Ehrenwald, P.: Ako môže súčasná regulačná technika prispieť optimalizácií vykurovania? In: Zborník prednášok z 18. medzinárodnej konferencie Vykurovanie 2010. SSTP, Bratislava, s. 401 – 404.
3.    Kurčová, M. – Ehrenwald, P.: Regulácia vykurovacích sústav s tepelným čerpadlom. In: Zborník prednášok z 19. medzinárodnej konferencie Vykurovanie 2011. SSTP, Bratislava, s. 437 – 441.
4.    Malinová, K.: Projektová dokumentácia pri rekonštrukcii vykurovacieho systému. In: Správca bytových domov,. roč. 6, č. 3 (2011), s. 44 – 45. 
5.    Füri, B.: Využitie energie prostredia tepelnými čerpadlami pre obytné budovy. Bratislava : STU v Bratislave SvF, 2010. 164 s. 
6.    Skalík, L.: Zásady navrhovania slnečných energetických systémov. Návrh slnečných energetických systémov so slnečnými kolektormi. In: Zborník prednášok z 23. medzinárodnej vedecko-odbornej konferencie na tému Vykurovanie a budovy s takmer nulovou potrebou energie, SSTP Bratislava, 2015, s. 295 – 299.
7.    Projekčné podklady firmy Buderus, Viessmann, Brilon.
Text: Ing. Mária Kurčová, PhD. 
Autorka pôsobí na Katedre TZB SvF STU v Bratislave.
Článok bol uverejnený v časopise TZB Haustechnik 5/2016.
 
													 
								                            



 
						 
						 
						



 
					 
					 
					 
					 
					 
					 
					 
					 
					 
					 
					 
					 
					 
					 
					 
					 
					 
					 
					 
								 
								 
								 
								 
								