Posudzovanie tepelnotechnických vlastností z hygienického kritéria
Aj v starostlivo tepelne izolovaných budovách vznikajú realizáciou konštrukčných detailov tepelné mosty. Tepelné mosty sa vo všeobecnosti vyskytujú na každom mieste styku medzi časťami stavebných konštrukcií alebo na miestach, kde sa mení skladba materiálov stavebných konštrukcií.
Ak sa v konštrukcii nachádza tepelný most, možno predpokladať, že jeho teplota v zimnom období bude na vnútornom povrchu nižšia, ako je teplota v bežnom mieste konštrukcie. Na vonkajšom povrchu tepelného mosta zase platí, že teplota bude vyššia, ako je teplota v bežnom mieste. Je to dôsledok toho, že v mieste tepelného mosta má konštrukcia vyššiu tepelnú vodivosť (tepelnú priepustnosť) ako v bežnom mieste konštrukcie.Hodnotenie tepelných mostov z hľadiska možných hygienických problémov
Príčina vzniku plesní sa teóriami hodnotenia vzniku hygienických problémov v minulosti pripisovala kondenzovanej vode na povrchu stavebnej konštrukcie – spravidla v mieste tepelného mostu. Na základe nových teórií mikrobiológov, ktoré sa dnes už bežne uplatňujú v staviteľstve, sa rozlišuje medzi dvoma javmi na vnútornom povrchu stavebnej konštrukcie:
- povrchovou kondenzáciou vodnej pary s jej nepriaznivými hygienickými dôsledkami, ktorá sa identifikuje vzhľadom na teplotu rosného bodu v ustálenom stave,
 - rizikom vzniku plesne na vnútornom povrchu pri určitých podmienkach, ktoré sa špecifikujú viac alebo menej zložitým modelom podmienok ich vzniku.
 
Modely predpovedania vzniku plesní sa môžu robiť rozlične náročnými metódami:
- predikciou určitého špecifického druhu plesne,
 - predikciou určitej skupiny plesní, ktoré majú podobné napríklad vlhkostné podmienky vzniku v určitom definovanom rozsahu,
 - predikciou podmienok vzniku plesní všeobecne, keď podmienky na povrchu vylučujú rast akejkoľvek plesne.
 
Na riešenie problémov v technickej praxi je najvhodnejšie použiť metódy využívajúce podmienky ustáleného teplotného stavu. Na praktické posudzovanie konštrukčných detailov tak možno vo väčšine prípadov použiť tretí model – model predikcie podmienok vzniku plesní. Zložitejšie modely predpovedania rizika vzniku plesní vychádzajú z modelovania pomeru čiastočného tlaku vodnej pary v interiéri a čiastočného tlaku nasýtenej vodnej pary na povrchu konštrukcie odvodeného z vnútornej povrchovej teploty konštrukcie. V prípade zložitejších modelov ide o kontrolu povrchovej vlhkosti na konštrukcii (dostupnosť vody). Analyzovať možno v ustálenom stave, čo umožňuje pomerne jednoduché riešenia, alebo v neustálenom stave v dlhšom časovom období, čo predstavuje riešenie komplikovanejších simulačných modelov.
Riziko vzniku plesní na miestach tepelných mostov ovplyvňuje:
- nízka vnútorná povrchová teplota stavebnej konštrukcie θsi v °C,
 - vyšší čiastočný tlak vodnej pary vo vnútornom vzduchu pdi v Pa.
 
Z praktického hľadiska môže byť nízka povrchová teplota konštrukcie a vyšší čiastočný tlak vodnej pary pri vnútornom povrchu konštrukcie spôsobený:
- existenciou tepelných mostov,
 - prienikom vody do konštrukcie napríklad cez styky a trhliny,
 - vyššou vlhkosťou vzduchu a produkciou vodnej pary v interiéri,
 - vyššou vlhkosťou zabudovaných materiálov v konštrukcii,
 - nízkou výmenou vzduchu.
 
Tab.  Kritická teplota na vznik plesní a teplota rosného bodu
Podmienky rastu plesní
Kľúčovým faktorom na rast plesní je prítomnosť vody alebo dostatočnej vlhkosti na povrchu. Na kvantifikovanie dostupnosti vody pre organizmus zaviedli mikrobiológovia veličinu aktivity vody. Aktivita vody je pomer čiastočného tlaku vodnej pary k čiastočnému tlaku nasýtenej vodnej pary. Živé organizmy potrebujú pre život vodu, teda aktivitu vody rovnú 1. Experimenty ukázali, že plesne v interiéroch budov môžu klíčiť a rásť aj pri aktivite vody menšej ako 1 a štatisticky významne už pri aktivite vody 0,8. Plesni tak stačí aktivita vody na povrchu 0,8 a viac v trvaní niekoľkých dní. 
Kritická povrchová teplota na vznik plesní θsi,80 v °C sa určí implicitne z podmienky, pri ktorej je pomer čiastočného tlaku vodnej pary a čiastočného tlaku nasýtenej vodnej pary na povrchu nižší alebo sa rovná 0,8. Platí vzťah na určenie rizika vzniku plesní
ρsat sat (θsi,80) ≥ pdi/0,8
kde    pdi    je    čiastočný tlak vodnej pary vo vnútornom vzduchu v Pa
          psat    –    čiastočný tlak nasýtenej vodnej pary na povrchu v Pa určený na základe vnútornej povrchovej teploty konštrukcie.
Kritická povrchová teplota na vznik plesní udáva povrchovú teplotu, pri ktorej relatívna vlhkosť v tesnej blízkosti povrchu konštrukcie nadobúda hodnotu 80 % (alebo aktivitu vody 0,8). Maximálna relatívna vlhkosť 80 % vzťahujúca sa na minimálnu vnútornú povrchovú teplotu sa používa ako bezpečná podmienka hodnotenia stien, striech a podláh, teda nepriesvitných povrchov. Riziko vzniku plesne vzniká skôr ako nastáva povrchová kondenzácia vodnej pary určená teplotou rosného bodu podľa obr. 1. Kritické teploty na vznik plesní a teploty rosného bodu pre rozličné teploty vnútorného vzduchu a relatívne vlhkosti vnútorného vzduchu sú uvedené v tabuľke. Pri priemernej teplote vzduchu 20 °C a dlhodobej relatívnej vlhkosti vzduchu 60 % v ustálenom stave treba na vylúčenie rizika vzniku plesní vnútornú povrchovú teplotu nad 15,4 °C, pričom teplota rosného bodu, pri ktorej sa začína povrchová kondenzácia je iba 12,0 °C. Pri teplote vzduchu 20 °C a dlhodobej relatívnej vlhkosti vzduchu 50 % v ustálenom stave by na vylúčenie rizika vzniku plesní bolo treba vnútornú povrchovú teplotu nad 12,6 °C, pričom teplota rosného bodu, pri ktorej sa začína povrchová kondenzácia, je iba 9,3 °C.
Obr. 1  Diagram vplyvu vlhkého vzduchu a kritickej teploty na vznik plesní
Požiadavky na prevenciu vzniku plesní v technických špecifikáciách (STN 73 0540: 2002, STN EN ISO 13788: 2003) sa odvodili na základe predpokladu izobarického ochladenia vnútorného vzduchu na konštrukčnom detaile podľa obr. 1. V reálnych situáciách však môže byť situácia pri prevádzke komplikovanejšia, a to o vznik kombinovaného efektu izobarického ochladenia a náhleho izotermického zvýšenia produkcie vodnej pary. Preto je pri posudzovaní dôležité používať okrajové podmienky v súlade s predpokladaným stavom vnútorného prostredia.
Požiadavky technických noriem na navrhovanie kritických detailov
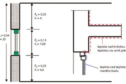
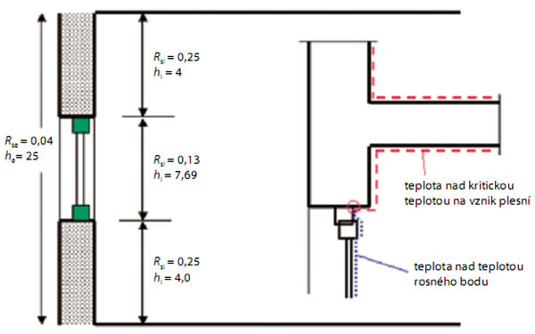
Pri výpočtových parametroch stavu vnútorného prostredia θi = 20 °C a ϕi =50 % v STN 73 0540: 2002 je teplota rosného bodu θdp = 9,3 °C a teplota vylučujúca riziko vzniku plesní θsi,80 = 12,6 °C. Rám a zasklenie otvorovej konštrukcie (obr. 2) sa hodnotí vzhľadom na teplotu rosného bodu. Požaduje sa splnenie podmienky:
θsi ≥ θdp
Teda vnútorná povrchová teplota otvorovej konštrukcie v každom mieste má byť nad teplotou rosného bodu pre dané výpočtové podmienky stavu vnútorného prostredia. Tu sa vychádza z vplyvu zabudovania otvorovej konštrukcie na zmenu jej vnútornej povrchovej teploty. Ide teda o požiadavku, ktorá sa vzťahuje na zabudované okno alebo dvere.
Steny, strechy, podlahy a styky konštrukcií sa hodnotia vzhľadom na kritickú teplotu na vznik plesní. Požaduje sa splnenie podmienky:
θsi ≥ θsi,80 + ∆θsi
Bezpečnostná prirážka ∆θsi v STN 73 0540-2 sa pohybuje v rozsahu od 0,2 do 1,5 (K) v závislosti od miesta posudzovania a vykurovacieho režimu. Numerický výpočet dvojrozmerných teplotných polí sa robí podľa kritérií a požiadaviek na softvér stanovených v STN EN ISO 10211: 2008 (Tepelné mosty v budovách pozemných stavieb. Tepelné toky a povrchové teploty. Podrobné výpočty (ISO 10211: 2007)). Pri zadávaní okrajových podmienok do výpočtov sa používajú podmienky uvedené v STN EN ISO 13788, najmä s ohľadom na bezpečnosť výpočtu pri uvažovaných odporoch pri prechode tepla Rsi podľa obr. 2. Tu sa jednoducho uplatňuje pravidlo bezpečnosti výpočtu. Čím je hodnota odporu pri prestupe tepla na vnútornej strane konštrukcie väčšia, tým sa pri výpočte kritickej vnútornej povrchovej teploty získajú nižšie (bezpečnejšie) hodnoty na posúdenie.
Obr. 2  Hodnotenie minimálnej povrchovej teploty
V STN EN ISO 13788 je definované aj kritérium na zabránenie korózii. To sa používa v tvare:
psat (θsi,80) ≥ pdi /0,6
Pri každom kritickom detaile tepelného mosta treba konštrukciu posúdiť na vnútornú povrchovú teplotu a preukázať splnenie požiadaviek STN 73 0540-2: 2002. Táto zákonná povinnosť pri projektovej príprave stavieb vyplýva z ustanovení vyhlášky MŽP SR č. 532/2002 Z. z. o všeobecných technických požiadavkách vo výstavbe. Zanedbanie tejto povinnosti v projektovej príprave stavieb môže viesť počas prevádzky budov k ich závažným poruchám a finančne náročným opravám.
Užívateľom podmienené dôvody vzniku hygienických problémov
Užívateľom podmienené dôvody vzniku hygienických problémov sa môžu vyskytnúť vtedy, ak sa podmienky prevádzky budovy alebo miestností líšia od podmienok predpokladaných pri navrhovaní a dimenzovaní stavebných konštrukcií. Medzi kľúčové faktory patrí relatívna vlhkosť vnútorného vzduchu. Možno ju kontrolovať orientačne bytovým vlhkomerom, pričom by nemala prekračovať 50 %. Ide o dodržanie dlhodobého priemeru. Teda aj užívateľ je spoluzodpovedný za stav vnútorného prostredia. Z fyzikálneho hľadiska ide o čiastočný tlak vodnej pary, ktorý ovplyvňuje celý súbor parametrov. Všeobecne je známy poznatok, že nedostatočným vetraním sa spôsobí nárast koncentrácie škodlivín a nárast vlhkosti v závislosti od produkcie vodnej pary. Pri nízkych teplotách je vzduch síce viac nasýtený vodnou parou, ale obsahuje menšie absolútne množstvá vodnej pary, ako teplý izbový vzduch, ktorý máva spravidla menšie nasýtenie. Vyplýva to zo psychrometrického diagramu pre vlhký vzduch. Odvedenie vlhkosti možno dosiahnuť dostatočnou výmenou vzduchu v miestnosti, pretože privádzaný vonkajší vzduch je suchší ako vlhký vnútorný vzduch pri izbovej teplote. 
Overenie výmeny vzduchu a stavu vnútorného prostredia v prevádzkových podmienkach je náročnejšia úloha, ktorá sa zvyčajne vykonáva pri výskyte hygienických problémov na realizovanej budove. Dajú sa použiť nepriame metódy overenia výmeny a kvality vzduchu pomocou merania koncentrácie škodliviny – najčastejšie merača koncentrácie oxidu uhličitého. Aj takéto meranie však nie je celkom jednoduché. Overenie tepelnovlhkostného stavu prostredia vyžaduje monitorovanie v dlhšom časovom období. Ak je zdrojom oxidu uhličitého užívateľ budovy, určuje sa výmena vzduchu z rozdielu koncentrácie oxidu uhličitého v interiéri a exteriéri. Zároveň sa musí overiť priebeh vnútornej teploty a relatívnej vlhkosti vzduchu v dlhšom časovom období.
Príčiny podmienené výstavbou
V budovách tvorených stavebnými konštrukciami vznikajú tepelné mosty vždy. Preto treba obvodový plášť budovy navrhnúť tak, aby ju chránil a aby sa vylúčil alebo aspoň obmedzil ich vplyv. Tepelné mosty treba na každom mieste výskytu prekryť efektívnym tepelnoizolačným materiálom s takou hrúbkou, aby pokles vnútornej povrchovej teploty bol čo najnižší a aby v žiadnom prípade nedosiahol kritickú povrchovú teplotu spôsobujúcu vznik plesní alebo teplotu rosného bodu. Výber kritických detailov, posúdenie potreby uvažovania vplyvu tepelných mostov závisí od materiálovej skladby a jednotlivých konštrukčných vrstiev. Správne vyriešenie detailu je úlohou projektanta alebo špecialistu na stavebnú fyziku.
Príčinou vzniku hygienických problémov môže byť aj zatekanie cez styky, škáry alebo praskliny. Prostredníctvom nich dochádza k transferu zrážkovej vody do konštrukcie ku vnútornému povrchu a k zvýšeniu povrchovej vlhkosti nad hodnotu 80 %.
Ďalšou príčinou vzniku plesní môže byť aj chemické zloženie povrchových úprav alebo podkladu. Najmä vtedy, ak obsahuje organické látky a organické pigmenty ako napríklad maľovka. Nebezpečné sú tiež maľovky s väčším obsahom zásaditých látok.
Príčinou zvýšenej prevádzkovej vlhkosti po dokončení stavby môže byť zabudovaná vlhkosť vnesená do stavebných konštrukcií mokrými procesmi nevyhnutnými na ich realizáciu. Praktická vlhkosť zabudovaných stavebných materiálov je nižšia ako vlhkosť materiálov pri odovzdaní stavby do užívania. Čas potrebný na pokles zo zabudovanej vlhkosti na praktickú vlhkosť materiálov je niekedy vymedzený aj dvoma vykurovacími sezónami.
Chyby a poruchy pri zabudovaní otvorových konštrukcií do stien sa podpisujú pod značnú časť porúch, neprávom niekedy pripisovaným konštrukcii okna. Požiadavky na zabudovanie okna do obvodového plášťa sú formulované v STN 73 3134: 2010 (Stavebné práce. Styk okenných konštrukcií a obvodového plášťa budovy. Požiadavky a skúšanie). Tu sa jednoznačne poukazuje na úlohu projektovej prípravy, ktorá má pre budúce fungovanie okna v stavebnej konštrukcii zásadný význam. Je nutné poznať technické vlastnosti okna a jeho dielov pri rôznych podmienkach použitia. Požiadavku montáže okien v súlade s STN 73 3134: 2010 sa odporúča uvádzať do zmlúv o montáži okien a požadovať jej zabezpečenie montážnymi skupinami vyškolenými združením SLOVENERGOokno. Úlohou otvorových konštrukcií je zabezpečenie potrebnej hygienickej výmeny vzduchu. Ak nie sú potrebné množstvá vzduchu zabezpečené infiltráciou, treba prívod vzduchu zabezpečiť iným spôsobom. Napríklad vetracími štrbinami, systémom zabezpečujúcim vetranie pri zatvorenom okne, viacpolohovým kovaním. Ide o prostriedky, ktorými však nie je možné pri neregulovanom vetraní trvale zabezpečiť z hygienického hľadiska potrebné množstvá vzduchu.
Veľmi častou príčinou hygienických problémov je kondenzácia vodnej pary pri okraji zasklenia. Kondenzácia vodnej pary na zasklení vzniká pri určitých podmienkach stavu vnútorného a vonkajšieho prostredia v závislosti od súčiniteľa prechodu tepla zasklenia, tepelnotechnických vlastností detailu okraja zasklenia, vlastností rámovej konštrukcie, hĺbky zasklievacej drážky, styku zasklenia a rámu, spôsobu a intenzity vetrania miestnosti, produkcie vodnej pary v miestnosti. Kondenzácia vodnej pary býva časovo obmedzená alebo má trvalejší charakter. Je však neželaným javom s negatívnymi dôsledkami na hygienu vnútorného prostredia a trvanlivosť zabudovaných materiálov. Materiálová báza dištančného profilu zasklenia má zásadný vplyv na výšku vnútornej povrchovej teploty pri okraji zasklenia. Menší vplyv má na hodnotu súčiniteľa prechodu tepla okna. Výrobcovia izolačných zasklení dnes ponúkajú dištančné profily hliníkové, z nehrdzavejúcej ocele, kombinované typu TGI, Swisspacer. Špecifikovanie typu a rozmeru dištančného rámika v technickej správe projektu je na projektantovi. V praxi sa tak, bohužiaľ, deje len vo veľmi málo prípadoch. O type dištančného profilu sa rozhoduje na poslednú chvíľu, často bez účasti projektanta, s prihliadnutím na čo najnižšiu cenu. Nevhodnou kombináciu je napríklad kombinácia tepelnoizolačného trojskla s hliníkovým dištančným profilom. Kovové dištančné rámiky hliníkové alebo z nehrdzavejúcej ocele môžu totiž spôsobovať povrchovú kondenzáciu vodnej pary a teda zhoršovať stav vnútorného prostredia aj pri vynikajúcich tepelnoizolačných vlastnostiach trojskiel.
Záver
Nesprávne vyriešený detail nepredstavuje len riziko vzniku tepelného mosta, a teda tepelných strát objektu, ale nesie so sebou aj riziko vzniku plesní. Z tohto dôvodu je nutné navrhovanú skladbu detailu posudzovať aj z hľadiska hygienického kritéria.
TEXT: prof. Ing. Ivan Chmúrny, PhD.
OBRÁZKY: autor
Prof. Ing. Ivan Chmúrny, PhD. je odborníkom na problematiku tepelnej ochrany stavebných konštrukcií a budov a energetickú certifikáciu budov. Pôsobí na Katedre konštrukcií pozemných stavieb Stavebnej fakulty STU v Bratislave.
Článok bol uverejnený v časopise Stavebné materiály.
													
								                            




						


