Systémy nosných stien z dreva
Stavba rodinných domov na báze dreva má na Slovensku dlhú tradíciu. Drevo ako ľahko dostupný materiál sa využívalo v plnej miere nielen ako nosný systém, ale aj ako hydroizolačný materiál (napr. drevené štiepané šindle). Po určitom útlme v minulých desaťročiach nastáva renesancia domov na báze dreva, aj keď v mnohých prípadoch môžeme hovoriť skôr o montovaných objektoch s drevenou nosnou konštrukciou, pretože ostatné výplňové materiály nie sú na báze dreva – minerálne a sklenené izolácie, sadrokartónové a sadrovláknité dosky, polystyrénové zatepľovacie systémy.
Drevo má svoju prirodzenú trvanlivosť, ktorá sa určuje podľa EN 350-1 a EN 350-2. Podľa EN 460 sa volí trieda na použitie v primeranej triede ohrozenia opísanej v EN 355-1, -2 a -3 takto:
- Trieda ohrozenia 1: Konštrukčné prvky a ostatné dielce umiestnené vnútri oplášťovaných stien a striech,
- Trieda ohrozenia 2: Oplášťovanie striech a debnenia za vetranými obkladmi,
- Trieda ohrozenia 3: Vonkajšie stenové obklady a konštrukcie trvale vystavené poveternostným vplyvom.
V súčasnosti sa na Slovensku najviac uplatňujú panelové a zrubové konštrukcie, no v ostatnom čase sa objavujú aj steny z prefabrikovaných tvaroviek.
Konštrukčné systémy stien drevených budov môžeme rozdeliť na:
|
Zruby
Sú to tradičné ľudové konštrukcie. Obvodové steny sú vytvorené zo zrubov (hranoly, vankúše, guliače). Styky stien sú previazané tesárskymi spojmi, čo zabezpečuje celkovú tuhosť konštrukcie. Zruby súčasne plnia aj tepelnoizolačnú funkciu. V klasických zruboch má stena hrúbku 20 až 35 cm. Škáry medzi zrubmi sa v minulosti vypĺňali mazaninou (zmesou hliny s plevami alebo pazderím). Dnes sa vypĺňajú špeciálnymi tmelmi. Novodobé zrubové konštrukcie patria medzi najekologickejšie. Často sa vytvárajú ako tzv. falošné zruby, keď sa medzi vonkajšiu a vnútornú zrubovú konštrukciu steny vkladá tepelná izolácia, napr. ovčia vlna alebo korok. Pre životnosť konštrukcie je dôležité jej kvalitné odizolovanie od zemnej vlhkosti. Stavbu treba odsadiť minimálne 50 cm od úrovne terénu, aby sa eliminoval vplyv topiaceho sa snehu. Treba pamätať na odlišné zosychanie dreva v smere vlákien a kolmo na vlákna a zohľadniť to v konštrukčnej úprave stĺpov v stenách.
Zruby sa môžu stavať z mokrého (spravidla z guliačov) alebo suchého dreva (väčšinou hranené prierezy). Celkovú rozmerovú zmenu steny zapríčiňujú najmä tieto faktory:
- otlačenie bočných zrazov pôsobením zaťaženia (pevnosť dreva v tlaku kolmo na vlákna je len asi 25 % pevnosti v tlaku v smere vlákien),
- znižovanie vlhkosti trámov vysychaním po montáži budovy až do rovnovážneho stavu vlhkosti dreva (asi 2 mm na jeden meter steny na percento zmeny obsahu vlhkosti pod bodom nasýtenia vlákien),
- sadanie základov.

Najkvalitnejšia ochrana pred vonkajšou vlhkosťou je konštrukčná ochrana zrubu (dostatočný presah strechy proti dažďu, odsadenie od terénu). V stavbe sa nesmú ponechať zvyšky kôry a vhodné konštrukčné detaily musia zabrániť zhromažďovaniu vody v spojoch. Chemická ochrana by mala byť len doplnková. Hlavné stavebné prvky musia mať požiarnu odolnosť, ktorú si vyžaduje účel použitia budovy. Požiarna odolnosť sa stanoví z hľadiska kritéria únosnosti (R), kritéria celistvosti (E) a kritéria tepelnej izolácie (I), ktoré definujú príslušné normy (EN 13501-2). Zrubové steny hrubé asi 250 mm a s odhorievaním 0,8 až 1 mm za minútu spĺňajú kritérium únosnosti R.
Hrazdené konštrukcie
U nás sa uplatnili čiastočne v horských oblastiach (kúpeľné domy, výpravné budovy železníc). Steny sú vytvorené z drevenej kostry, ktorej jednotlivé polia sú vyplnené tehlovým murivom. Zvislé zaťaženie sa prenáša cez stĺpiky. Šmykovú tuhosť zaisťujú vzpery. Kostra sa skladá z prahu, stĺpov, vzpier, väzníc a prekladov. Prahový veniec sa zvyčajne vyrábal z odolnejšieho dreva, napr. duba alebo smrekovca. Kostra je priznaná, je to architektonický prvok danej konštrukcie, čo kladie zvýšené nároky na jej opracovanie a povrchovú úpravu.
Stĺpikové systémy stien
Budova so stĺpikovým systémom stien sa kompletne realizuje na stavenisku. Základom konštrukčného systému sú stĺpiky profilov 50 až 60/100 až 140 mm. V USA je systém známy ako „two by four“, čo je základný prierez udaný v palcoch (zodpovedá nášmu 50,8/101,6 mm). Ak tento profil zo statického hľadiska nevyhovuje, potrebné profily sa vytvárajú združovaním alebo pomocou nosníkov členeného alebo zloženého prierezu. Plášť stien je z veľkoplošných materiálov (OSB, vodovzdornej preglejky). Základné spojovacie prostriedky sú klince. Steny sa pri montáži zostavia na platni a vztýčia. Systém je jednoduchý, nevyžaduje veľkú mechanizáciu a umožňuje pružne reagovať na problémy a zmeny pri výstavbe. Taktiež nie je problém s montážou inštalácií. Priestorovú stabilitu a tuhosť zaisťujú šmykovo tuhé steny oplášťované veľkoplošnými materiálmi, prípadne vystužené diagonálami zapustenými do stĺpikov stien.
Skeletový konštrukčný systém
Skelet je priestorový nosný systém vytvorený zo zvislých (stĺpy) a vodorovných (prievlaky) nosných prvkov. Výplne obvodovej steny a vnútorné priečky sú nenosné, a preto sa na zabezpečenie priestorovej stability v konštrukcii umiestňujú do stien a podľa potreby aj do stropov (ak nie je tuhosť stropnej konštrukcie vytvorenej na báze veľkoplošných materiálov dostatočná) stabilizačné prvky. Podľa zhotovenia stykov stĺpov s prievlakmi môžu byť skelety:
- s jednodielnymi prievlakmi a stĺpmi,
- s jednodielnymi prievlakmi a dvojdielnymi stĺpmi,
- s dvojdielnymi prievlakmi a jednodielnymi stĺpmi.
Výhodou skeletu je veľká variabilita rozmiestnenia priečok a možnosť meniť ich dispozíciu počas užívania objektu. V interiéri sa zhotovujú ľahké priečky napr. z rôznych sadrokartónových systémov. Pre životnosť stavby je významné správne zakotvenie stĺpov tak, aby boli chránené pred vlhkosťou.
Panelový konštrukčný systém
Panelový systém možno rozdeliť na dve podskupiny, a to panely s dreveným rámom a sendvičové panely. Panel s dreveným rámom je v podstate modifikovaný stĺpikový systém, keď sa panel zhotoví v špecializovanej výrobni, a nie na stavenisku. Rám panelu zo smrekovo-jedľového reziva je oplášťovaný veľkoplošnými materiálmi. Panely môžu byť maloformátové (dĺžka panelu je daná šírkou formátu dosky oplášťovania – približne 1,2 až 1,8 m) alebo celostenové (dĺžka panelu je daná prepravnými a výrobnými možnosťami – až do 12 m). Výhodou maloformátových panelov je ľahšia manipulácia, nevýhodou väčší počet stykov.
Celostenové panely sa vo výrobe často zhotovia aj s interiérovým a exteriérovým obkladom a na stavbe sa vykoná len posledná povrchová úprava. To kladie zvýšené nároky na balenie a manipuláciu s panelom. Plášť sa k rámu lepí alebo prichytáva klincami či sponkami. Na plášte sa používajú dosky z orientovaných triesok (OSB) technickej triedy 3 alebo 4, stavebná vodovzdorná preglejka, tvrdé drevovláknité dosky a sadrovláknitá doska. V minulosti takmer dominantné drevotrieskové dosky sa už skoro kompletne nahradili vyššie zmienenými materiálmi. Z exteriéru sa stena ukončuje zatepľovacím systémom s omietkou. Kontaktný zatepľovací systém môže byť z polystyrénových dosiek a z omietky vystuženej sieťovinou alebo z fasádnych dosiek na báze minerálnych vlákien, prípadne z drevocementových dosiek samostatných alebo kombinovaných s izoláciou.

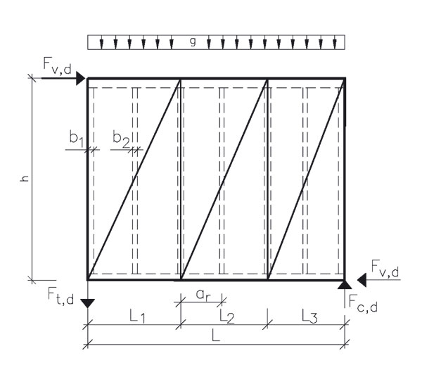
V súvislosti so zavádzaním nových noriem na dimenzovanie drevených konštrukcií (Eurokódy) sa kladú prísnejšie kritériá na niektoré posudzované vlastnosti. Prísnejšie sa posudzuje aj tuhosť stavebného objektu pri zaťažení vetrom a navrhujú sa výstužné steny. Steny, pri ktorých sa predpokladá určitá výstužná odolnosť, musia byť vo svojej rovine vystužené tabuľami z hmôt na báze dreva, diagonálami alebo musia mať ohybovo tuhé spoje. Výstužná odolnosť sa určuje buď skúškami podľa EN 594, alebo výpočtami s použitím vhodných analytických metód alebo výpočtových modelov, pričom sa musí zohľadniť nielen skladba konštrukčných materiálov, ale aj geometria danej steny. Okrem šmykovej únosnosti plášťov a spojov s rámom a pripojenia ťahovej kotvy sa musí overiť aj otlačenie v prahovej doske z dôvodu nárastu tlaku kolmo na vlákna. Ťahaný stĺpik zaťažený silou Ft,d sa kotví priamo cez špeciálny kotevný prvok a kotvu do základu.
Na rozdiel od predchádzajúceho typu sú sendvičové panely bez rebier, v priestore medzi plášťami je výplňová vrstva, ktorá je s nimi celoplošne spojená. Plášte plnia nosnú aj stužujúcu funkciu. Výplňová vrstva má zanedbateľnú únosnosť v ohybe, ale musí mať dostatočnú šmykovú únosnosť.
![]() |
![]() |
| Zaťaženie výstužného panelu | Kotvenie ťahaného stĺpa výstužného panelu |
Steny z prefabrikovaných tvaroviek
V ostatnom období sa objavujú na trhu konštrukčné systémy z tvarovaných malorozmerových dielcov. Výhodou systému je nízka hmotnosť týchto stavebných prvkov. Spravidla sa používajú ekologické materiály (drevo, korok, plsť). Montáž nevyžaduje veľké stavebné mechanizmy a dopravné prostriedky. Zo statického hľadiska je najnáročnejšie zabezpečiť tuhosť a stabilitu objektu.
Ing. Roman Soyka
Foto a obrázky: autor
Autor pracuje na Katedre nábytku a drevárskych výrobkov na Drevárskej fakulte TU vo Zvolene. Špecializuje sa na statiku a konštrukciu drevených stavieb. Je autorizovaným inžinierom.










