Prevádzka teplovodného podlahového vykurovania
Optimalizovanie prevádzky patrí medzi najdôležitejšie súčasti celého vykurovacieho systému.Teplovodné podlahové vykurovanie patrí k veľkoplošným nízkoteplotným vykurovacím systémom, ktoré v súčasnosti nachádzajú uplatnenie nielen v tradičných objektoch, ale aj v objektoch s požiadavkou na nízku spotrebu energie.
K veľkým prednostiam teplovodného podlahového vykurovania patria rovnomerné rozloženie teplôt vo vertikálnej aj horizontálnej rovine dané pomerne veľkou vykurovacou plochou a prevažne sálavý spôsob odovzdávania tepla do priestoru.
Faktory vplývajúce na výber spôsobu riadenia
Podlahový vykurovací systém sa však vyznačuje aj určitými špecifickými vlastnosťami, ktoré čiastočne sťažujú reguláciu jeho výkonu a treba ich vziať do úvahy pri voľbe regulačnej stratégie a jednotlivých prvkov riadiaceho systému.
Ide o:
- požiadavky na povrchové teploty,
- konštrukciu vykurovacej podlahy,
- samoregulačný efekt,
- prevádzkový režim.
Požiadavky na povrchové teploty
Podľa vyhlášky č. 259/2008 Z. z. Ministerstva zdravotníctva SR sa vyžaduje, aby teplota povrchu podlahy v priestoroch s dlhodobým pobytom ľudí s prevažne sedavou činnosťou (triedy 0 až 1b) bola v rozsahu od 19 do 29 °C (maximálna povrchová teplota pobytovej zóny je 29 °C, kúpeľne 33 °C, okrajové zóny majú 35 °C). Podlahy používané obutými ľuďmi neovplyvňujú z hľadiska aplikovaného stavebného materiálu tepelný stav človeka. V tomto prípade sa odporúča optimálna povrchová teplota podlahy 25 °C pri sediacich osobách a 23 °C pri chodiacich osobách. Odporúčané hodnoty sú uvedené v tab. 1. Priemerná povrchová teplota ovplyvňuje zároveň potrebnú priemernú teplotu prívodu vykurovacej vody, ktorá nesmie prekročiť hodnotu 50 až 60 °C (v závislosti od konštrukcie vykurovacej podlahy).
Konštrukcia vykurovacej podlahy
Regulovateľnosť a kvalita regulácie závisia v značnej miere od dynamických vlastností daného systému (počet akumulačných členov a ich vlastnosti). Podlahové vykurovanie sa vyznačuje pomerne veľkou tepelnou zotrvačnosťou, ktorá je daná konštrukciou samotnej vykurovacej podlahy (hrúbka betónovej vrstvy, tepelný odpor nášľapnej vrstvy, hmotnosť vody vo vykurovacích rúrach). Každý zásah riadiaceho systému sa tak prejaví na zmene tepelného výkonu odovzdávaného podlahou až s oneskorením – v dôsledku veľkého podielu akumulácie, vyjadrenej časovou konštantou τ (pomer naakumulovaného tepla v podlahe a tepelného výkonu podlahy) (tab. 2). Z tohto dôvodu nie je efektívne využiť centrálnu reguláciu teploty vykurovacej vody podľa priestorovej teploty.
Samoregulačný efekt
Je to fyzikálny jav, ktorý reguluje výkon odovzdávaný z povrchu vykurovacej plochy ešte pred zásahom regulátora a pôsobí iba počas obmedzeného času. Je tým výraznejší, čím nižší je rozdiel medzi povrchovou teplotou vykurovacej plochy/telesa a teplotou vzduchu. Veľká akumulačná schopnosť systému spôsobuje, že aj keď sa vplyvom zvýšenia teploty vzduchu v miestnosti uzavrú zónové ventily, teplo naakumulované v hmote podlahy môže ešte niekoľko hodín sálať do priestoru. V dôsledku samoregulačného efektu sa jeho podiel zníži. Samoregulačný efekt však nemôže nahradiť automatickú reguláciu, pretože pôsobí len počas trvania výskytu tepelného zisku.
Prevádzkový režim
Pri rozhodovaní, akú stratégiu regulácie zvoliť, hrá dôležitú úlohu spôsob prevádzky vykurovania. Treba rozlíšiť, či je podlahová plocha navrhnutá:
- a) ako jediný zdroj tepla v miestnosti/objekte a kryje celú tepelnú stratu,
- b) v kombinácii s iným vykurovacím systémom,
- c) ako doplnkový zdroj na temperovanie.
Centrálna regulácia výkonu teplovodného podlahového vykurovania
Ak podlahová plocha slúži na vykurovanie miestnosti – či už ako jediný zdroj tepla, alebo v kombinácii s iným vykurovacím systémom –, centrálna regulácia teploty vykurovacej vody sa realizuje v závislosti od vonkajšej teploty. Vzhľadom na to, že podlahové vykurovanie sa navrhuje na nižšie prevádzkové teploty, volia sa vykurovacie krivky s menšou strmosťou. Volí sa kvalitatívna regulácia s akčným členom, trojcestným zmiešavacím ventilom, prípadne pri menších objektoch to môže byť so štvorcestným ventilom, ktorý okrem zmeny teploty vody zároveň zabezpečí aj požadované hmotnostné prietoky.
Podlahové vykurovanie ako jediný zdroj tepla
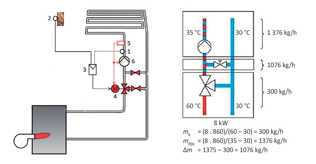
Vzhľadom na limitovanú teplotu povrchu podlahovej plochy sa musí zabezpečiť, aby teplota vykurovacej vody privádzaná do podlahového okruhu neprekročila maximálnu hodnotu. Tá závisí od spôsobu vyhotovenia vykurovacej podlahy (suchý, mokrý spôsob) a pohybuje sa od 50 do 60 °C. Preto v objektoch, kde zdroj tepla ohrieva vodu na vyššie teploty pre potreby ostatných spotrebiteľských okruhov (príprava TV, VZT, konvekčné teplovodné vykurovanie), sa do okruhu podlahového vykurovania musí osadiť dvojpolohový regulátor s ponorným snímačom, ktorý slúži ako ochrana proti neprípustnému prehriatiu. Ak nakoniec dôjde z nejakých dôvodov k dosiahnutiu nastavenej hodnoty, regulátor signalizuje poruchový stav, uzavrie zmiešavací ventil a odstaví čerpadlo. V prípadoch veľkých pomerov miešania sa do funkčnej schémy zapojenia zaraďuje pevný skrat, kde je nastavený stály prietok prostredníctvom dvojcestného regulačného ventilu (obr. 1).
Obr. 1 Regulácia teploty vykurovacej vody podľa vonkajšej teploty – podlahové vykurovanie ako základný zdroj tepla [3], 1 – snímač teploty vykurovacej vody, 2 – snímač vonkajšej teploty, 3 – regulátor, 4 – trojcestný regulačný ventil s pohonom, 5 – priestorový termostat, 6 – havarijný termostat mk – hmotnostný prietok primárneho okruhu, mPDL – hmotnostný prietok okruhu podlahového vykurovania, ∆m – hmotnostný prietok trvalo prepúšťaný skratom
Na optimalizáciu regulačného procesu sa môže základný obvod doplniť snímačom priestorovej teploty, ktorý je umiestnený vo vybranej referenčnej miestnosti. Ak je pri nízkoteplotnom vykurovaní navrhnutý samostatný zdroj tepla, ktorý sa prevádzkuje s konštantnou teplotou výstupu do 60 °C (príprava teplej vody iným zdrojom), v hydraulickom okruhu podlahového vykurovania nie je potrebný pevný skrat ani bezpečnostný okruh (obr. 2). Schéma sa dá aplikovať aj pri viacerých nízkoteplotných vykurovacích okruhoch s rôznymi požiadavkami na teplotu vykurovacej vody (napríklad severná a južná vetva).
Obr. 2 Regulácia teploty vykurovacej vody podľa vonkajšej teploty – zdroj tepla pracuje s konštantnou teplotou výstupu do 60 °C [3], 1 – snímač teploty vykurovacej vody, 2 – snímač vonkajšej teploty, 3 – regulátor, 4 – trojcestný regulačný ventil s pohonom
Podlahové vykurovanie v kombinácii s iným vykurovacím systémom
Pri kombinovanej prevádzke môže nastať niekoľko prípadov:
- Podlahové vykurovanie kryje tepelnú stratu len čiastočne, zvyšok pokrýva iný vykurovací systém, pretože miestnosť má veľkú tepelnú stratu a výkon podlahy nepostačuje na jej krytie, alebo sú v miestnosti veľké zasklené plochy. Na obr. 3 je príklad kombinovanej sústavy, v ktorej je konvekčné vykurovanie navrhnuté ako prídavný zdroj. Môže to byť napríklad rebríkové vykurovacie teleso alebo podlahový konvektor. Základnú tepelnú stratu kryje podlahový systém. Teplota vykurovacej vody na podlahové vykurovanie sa riadi ekvitermne, pričom okruh je doplnený bezpečnostným obvodom. Vykurovacia voda určená do konvekčného systému sa reguluje v závislosti od priestorovej teploty cez trojcestný zmiešavací ventil. Ak je takto vykurovaných priestorov v objekte viac, termostat sa osadzuje do referenčnej miestnosti a doregulovanie sa zabezpečí termostatickými ventilmi pred vykurovacími telesami.
- Objekt vykurujú dva vykurovacie systémy. Niektoré miestnosti majú inštalované len podlahové teplovodné vykurovanie (napríklad pri pravidelne a trvalo využívaných miestnostiach) a niektoré miestnosti len konvekčné vykurovanie (krátkodobo alebo nepravidelne využívané miestnosti). V takomto prípade sa oba systémy prevádzkujú nezávisle od seba ako samostatné vykurovacie okruhy, každý s ekvitermnou reguláciou teploty vykurovacej vody. Na obr. 4 je príklad takéhoto kombinovaného systému. Kotol pracuje s výstupnou teplotou kotlovej vody vyššou ako 60 °C. Vykurovacie telesá a vykurovacie plochy sa môžu v miestnostiach doplniť regulačnými ventilmi s termostatickou hlavicou. Zdroj tepla pracuje s konštantnou teplotou kotlovej vody. Konvekčné vykurovanie sa môže navrhnúť aj ako nízkoteplotný systém – kotol potom môže pracovať aj s nižšou výstupnou teplotou a v okruhu podlahového vykurovania nie je potrebný pevný skrat. Na obr. 5 je iný príklad riešenia kombinovaného vykurovania. V tomto prípade sa výkon kotla riadi v závislosti od vonkajšej teploty, pričom ekvitermná krivka na reguláciu teploty kotlovej vody je nastavená na teplotný spád konvekčného vykurovania. Okruh podlahového vykurovania má vlastnú ekvitermnú reguláciu teploty vykurovacej vody.
- V rámci miestnosti je úmyselne navrhnutá kombinácia sálavého a konvekčného vykurovania s cieľom zlepšiť dynamické správanie celého systému. Zotrvačnosť podlahového vykurovania spôsobuje problémy hlavne v prechodných obdobiach, keď sú zvyčajne prudšie výkyvy vonkajšej teploty počas dňa a noci. Navyše, cez deň je v tomto období ešte dostatok slnečného svitu, čo spôsobuje zvyšovanie vnútornej teploty, s čím má zotrvačný systém problém sa rýchlo vyrovnať. Podlahové vykurovanie sa navrhuje tak, aby krylo približne 50 až 70 % celkových tepelných strát objektu. Zvyšok vykrýva pružný a rýchly konvekčný vykurovací systém, najčastejšie sú to konvektory s nízkym objemom vody v telesách. Teplota vykurovacej vody oboch systémov sa riadi podľa ekvitermnej krivky. Možno pri tom aplikovať schému na obr. 4.
Obr. 3 Kombinovaná vykurovacia sústava s podlahovým teplovodným a konvekčným vykurovaním v rámci jednej miestnosti, 1 – snímač teploty vykurovacej vody, 2 – snímač vonkajšej teploty, 3 – regulátor okruhu podlahového vykurovania, 4 – trojcestný zmiešavací ventil s pohonom, 5 – dvojpolohový regulátor s ponorným snímačom teploty, 6 – čerpadlo okruhu podlahového vykurovania, 7 – snímač priestorovej teploty, 8 – regulátor okruhu konvekčného vykurovania, 9 – čerpadlo okruhu konvekčného vykurovania
Obr. 4 Kombinovaná vykurovacia sústava – podlahové teplovodné vykurovanie a konvekčné vykurovacie telesá, každé v samostatnej miestnosti, 1 – snímač teploty vykurovacej vody, 2 – snímač vonkajšej teploty, 3 – regulátor okruhu podlahového vykurovania, 4 – trojcestný zmiešavací ventil s pohonom, 5 – dvojpolohový regulátor s ponorným snímačom teploty, 6 – čerpadlo okruhu podlahového vykurovania, 7 – snímač vonkajšej teploty, 8 – regulátor okruhu konvekčného vykurovania, 9 – čerpadlo okruhu konvekčného vykurovania
Obr. 5 Kombinovaná vykurovacia sústava – podlahové teplovodné vykurovanie a konvekčné vykurovacie telesá, každé v samostatnej miestnosti, 1 – snímač teploty vykurovacej vody, 2 – snímač vonkajšej teploty, 3 – regulátor okruhu podlahového vykurovania, 4 – trojcestný zmiešavací ventil s pohonom, 5 – dvojpolohový regulátor s ponorným snímačom teploty, 6 – čerpadlo okruhu podlahového vykurovania, 7 – snímač teploty kotlovej vody, 8 – regulátor teploty kotlovej vody, 9 – modulovaný horák, 10 – čerpadlo okruhu konvekčného vykurovania
Podlahové vykurovanie v režime temperovania
V niektorých prípadoch sa podlahové vykurovanie využíva len na temperovanie podlahy. Ak je to v stavebných objektoch (kúpeľné zariadenia, kryté bazény), jeho úlohou je zabezpečiť zlepšenie pocitu tepelnej pohody, prípadne urýchliť odparenie vody z podlahy. Tepelné straty miestnosti kryje vzduchotechnický alebo vykurovací systém s vlastnou reguláciou. Teplota prívodnej vody sa reguluje na konštantnú hodnotu, nezávislú od vonkajšej teploty (obr. 6).
Obr. 6 Temperovanie podlahovej plochy [3], 1 – snímač teploty vykurovacej vody, 2 – regulátor podlahového vykurovania, 3 – trojcestný regulačný ventil s pohonom, 4 – dvojpolohový regulátor s ponorným snímačom, 5 – čerpadlo
Jednou z možností regulácie teploty vykurovacej vody na temperovanie malých podlahových plôch (približne do 15 m2) je osadenie obmedzovača teploty vratnej vykurovacej vody (RTL) (obr. 7). Ide o regulátor bez pomocnej energie, ktorý je konštruovaný ako dvojcestný regulačný ventil s termostatickou hlavicou, inštaluje sa do vratného potrubia. Teplotu vody sníma prostredníctvom tzv. kužeľky. Predpokladom použitia je maximálna teplota vody do 50 °C. Výkon podlahového vykurovania možno meniť zmenou nastavenia teploty vratnej vody (obr. 8). Nastavená teplota však nesmie byť nižšia ako teplota v okolí inštalácie obmedzovača, inak ostane uzavretý. Ak je teplota prívodu vyššia ako 50 °C, možno napojiť podlahový okruh na vratné potrubie konvekčného vykurovacieho telesa (napríklad v kúpeľni) (obr. 9), ktoré slúži ako vychladzovacia zóna. V prípade dosiahnutia nastavenej teploty miestnosti na termostatickej hlavici ventilu telesa sa tento ventil uzavrie.
Obr. 7 Obmedzovač teploty vratnej vody [4], 1 – teleso ventilu, 2 – snímač, 3 – ochrana proti nadmernému zdvihu
Obr. 8 Temperovanie podlahovej plochy prostredníctvom obmedzovača teploty vratnej vody – teplota prívodu do 50 °C [4], 1 – ventil s termostatickou hlavicou, 2 – spätné skrutkovanie, 3 – obmedzovač teploty vratnej vody
Obr. 9 Temperovanie podlahovej plochy prostredníctvom obmedzovača teploty vratnej vody – teplota prívodu vyššia ako 50 °C [4], 1 – ventil s termostatickou hlavicou, 2 – obmedzovač teploty vratnej vykurovacej vody
Ďalšou z možností je použiť rozdeľovač so zmiešavacou funkciou. V základnom zapojení sa podľa odporúčaní výrobcov zabezpečuje v tomto zariadení len konštantná teplota vykurovacej vody do jednotlivých okruhov podlahového vykurovania. Výhodou je použitie v sústavách, kde je teplotný spád ostatných spotrebiteľských okruhov výrazne vyšší ako teplotný spád podlahového vykurovania. Zariadenie pracuje na takomto princípe: Medzi rozdeľovačom a zberačom podlahových okruhov v skratovom potrubí je osadené čerpadlo, ktoré primiešava ochladenú vodu do spoločného prívodného potrubia rozdeľovača.
V prívodnom potrubí primárneho okruhu je inštalovaný dvojcestný regulačný ventil s termostatickou hlavicou a oddeleným snímačom teploty. Ventil prepustí do skratu len toľko ochladenej vody, aby výsledná teplota po zmiešaní, snímaná oddeleným snímačom teploty, neprekročila hodnotu nastavenú na termostatickej hlavici. Ochladená voda z podlahových okruhov sa vracia do zberača, časť prúdi do skratu a zvyšok sa cez regulačné skrutkovanie vracia späť do primárneho okruhu (obr. 10).
Obr. 10 Rozdeľovač podlahového vykurovania so zmiešavacou funkciou [5], 1 – rozdeľovač podlahových okruhov, 2 – zberač podlahových okruhov, 3 – snímač teploty vykurovacej vody, 4 – dvojcestný regulačný ventil s termostatickou hlavicou a oddeleným snímačom teploty, 5 – čerpadlo, 6 – regulačné skrutkovanie, θ1p – teplota prívodnej vody primáru, θ1v – teplota vratnej vody primáru, θ2p – teplota prívodnej vody podlahových okruhov, θ2v – teplota vratnej vody podlahových okruhov
Individuálna regulácia priestorovej teploty
Ekvitermná regulácia teploty vykurovacej vody zabezpečuje rovnováhu medzi tepelnou stratou objektu a dodaným tepelným výkonom. Nezachytáva však tepelné zisky, vznikajúce už v mieste odovzdania tepla vykurovacím telesom/plochou do priestoru. Preto sa na prívodné potrubie vykurovacej vody na podlahové rozdeľovače osadzujú dvojcestné regulačné ventily s pohonom. Zdvih ventilu sa na základe priestorovej teploty ovláda regulátorom, ktorý pri stúpnutí teploty nad žiadanú hodnotu škrtí, prípadne uzavrie prietok vody do podlahy. Pri poklese teploty prebieha regulačný zásah opačným smerom. Regulátorom priestorovej teploty môže byť termostatická hlavica. V tomto prípade sa žiadaná hodnota teploty vzduchu nastavuje manuálne na každej hlavici samostatne.
Obr. 11 Individuálna regulácia teploty vzduchu v miestnostiach [6], 1 – snímač teploty prívodnej vykurovacej vody, 2 – regulátor teploty vykurovacej vody – centrálna regulácia výkonu, 3 – trojcestný zmiešavací ventil, 4 – obehové čerpadlo, 5 – snímač teploty vratnej vykurovacej vody, 6 – snímač teploty vzduchu v miestnosti s podlahovým vykurovaním, 7 – snímač teploty vzduchu v miestnosti s konvekčným vykurovaním, 8 – regulátor teploty vzduchu jednotlivých miestností/zón – individuálna regulácia výkonu, 9 – zónové ventily s termoelektrickými pohonmi
Omnoho komfortnejší a efektívnejší spôsob predstavuje regulácia s pomocnou energiou. Ventily sú vybavené termoelektrickými pohonmi, ktoré ovláda regulátor alebo riadiaca jednotka na základe nastaveného teplotného a časového programu. Tento program sa nastavuje buď individuálne pre každú miestnosť samostatne, alebo centrálne pre viac miestností. Skutočnú teplotu vykurovaných priestorov zachytávajú snímače teploty osadené v jednotlivých miestnostiach (obr. 11). Systém sa môže realizovať tradične – signál sa prenáša cez káblové rozvody – alebo na základe rádiového vysielania (bezkáblový systém). Treba však brať do úvahy, že aj keď regulačné ventily uzavrú prietok do okruhu podlahového vykurovania, v dôsledku tepelnej zotrvačnosti uplynie určitý čas, kým dôjde k reakcii plochy na regulačný zásah.
Záver
Riadenie výkonu teplovodného podlahového vykurovania, ktoré optimalizuje jeho prevádzku, patrí medzi najdôležitejšie súčasti celého vykurovacieho systému. Aby však riadiaci systém pracoval optimálne, nestačí zvoliť len vhodnú stratégiu regulácie a kvalitu jednotlivých prvkov riadiaceho obvodu. Dôležitý je správny návrh samotného technologického systému a hydraulické zapojenie jednotlivých jeho prvkov, ako aj celého zariadenia.
Foto a obrázky: archív autorky, Wolf SR
Literatúra
1. Petráš, D. – Koudelková, D.: Teplovodné a elektrické podlahové vykurovanie. Bratislava: JAGA, 2004, 189 s.
2. Valter, J.: Regulace v praxi, aneb jak to dělám já. Praha: Ben-technická literatura, 2010, 176 s.
3. Firemná dokumentácia firmy Honeywell,
www.honeywell-produktkatalog.de.
4. Firemná dokumentácia firmy TA Hydronics, Česká republika, www.tahydronics.com/cs.
5. Firemná dokumentácia firmy Giacomini, www.giacomini.sk.
6. Firemná dokumentácia firmy Siemens,
www.cee.siemens.com.
Text: Ing. Daniela Koudelková, PhD.
Autorka pôsobí na Katedre technických zariadení budov SvF STU v Bratislave.
Recenzoval: prof. Ing. Dušan Petráš, PhD.
Článok bol uverejnený v časopise TZB HAUSTECHNIK.
























