Prečo riadime vykurovanie neefektívne?
Súčasný stavebný trend prináša často koncepčne zlé návrhy „moderných“ domov a budov. Väčšinou sú vlastníci radi, že sa im na ich malý pozemok dom vôbec vmestí, projektanti neriešia vplyv orientácie domu na svetové strany, vplyv prevládajúcich veterných prúdov či okolitej vegetácie a podobné faktory, ktoré môžu znížiť spotrebu energie na vykurovanie či chladenie aj o viac ako polovicu. Meranie a regulácia tak dokáže už len efektívnejšie vykurovať zle navrhnutý dom alebo budovu.
Prax však ukazuje, že aj regulácia a riadenie vykurovacieho systému má na míle ďaleko od optimálnosti. Výsledkom sú zle navrhnuté budovy s nesprávnym riadením, míňajúce omnoho viac energie, ako je potrebné. Na príklade ekvitermnej regulácie si ukážeme najčastejšie chyby riadenia a regulácie vykurovania, ktorých sa dopúšťajú takmer všetci projektanti.
Riadenie vykurovania
Ak sa rozhodneme riadiť vykurovací systém (či akýkoľvek iný systém v budove), projektovanie riadiaceho systému musí prebiehať v takomto poradí:
1. znalosť technologického procesu na úrovni regulácie,
2. model riadeného procesu,
3. návrh regulácie (štruktúra regulačných obvodov, typy regulátorov),
4. nastavenie jednotlivých regulačných slučiek,
5. spravovanie alarmov,
6. implementácia v konkrétnom programovacom prostriedku,
7. plán testov,
8. dokumentácia.
1. Znalosť technologického procesu na úrovni regulácie
Táto úroveň je spravidla daná technickými vlastnosťami prvkov, ktoré sa budú riadiť – technickými parametrami zdroja tepla (napr. minimálna a maximálna teplota z kotla, maximálny prietok v radiátore, podlahovom vykurovaní a pod.). Projektant musí venovať dostatok času štúdiu vlastností technológií (v praxi často na to nie je čas), inak môže celý systém „bežať“ v nesprávnych hodnotách, čo znižuje efektivitu vykurovania (napr. kotol zohrieva vodu v pásme nízkej účinnosti…) a rovnako znižuje životnosť samotnej technológie (nízkoteplotná korózia, „kmitanie“ servoventilov a pod.)
2. Model riadeného procesu
Bez modelu vykurovania nie je možné vytvoriť efektívne riadenie. Práve tento bod návrhu efektívneho riadenia domov a budov vo všeobecnosti absentuje takmer bez výnimky pri každej riadenej budove na Slovensku. Model vykurovania konkrétnej stavby nie je jednoduchý a nedá sa vytvoriť z projektu. Tak, ako je nezmyselné vypočítať energetický certifikát z projektu (skutkový stav vs. realita – stavba zateplená poľským polystyrénom rumunskými robotníkmi zrejme nebude zodpovedať projektu), je nezmyselné vytvoriť model domu z projektu.
Ten môže vzniknúť len meraním smerodajných parametrov minimálne počas jedného vykurovacieho obdobia. Tzn. až po jednoročnom či viacročnom meraní možno vytvoriť model, podľa ktorého sa nastavia správne parametre regulácie! Z fyzikálneho hľadiska prebiehajúca výmena tepla závisí od časovej súradnice (pretože v čase prebieha a mení sa) aj od priestorovej súradnice, ktorá reprezentuje vyhrievaný priestor.
Dynamické (časové) správanie sa tepelnej regulovanej sústavy možno opísať parciálnymi diferenciálnymi rovnicami s rozloženými parametrami. Ich riešenie nie je ani rýchle, ani jednoduché. V praxi sa preto tieto rovnice nahrádzajú zjednodušeným opisom pomocou jednoduchších obyčajných diferenciálnych rovníc, ktorých koeficienty sú dané technickými hodnotami použitých častí vykurovacej sústavy (najmä časovo-tepelné vlastnosti) a parametrami vykurovaného priestoru (najmä údajmi tepelných vlastností a tepelných strát).
Dôležitú úlohu zohrávajú aj vyskytujúce sa nelinearity a dopravné oneskorenia. Inými slovami, zjednodušený model vykurovacej sústavy (so sústredenými parametrami) možno zostaviť z nameraných dát po minimálne ročnej prevádzke domu (budovy) a musí zahŕňať všetky relevantné parametre a väzby z pohľadu riadenia vykurovania. Bez takéhoto modelu nie je možné navrhnúť efektívne riadenie.
3. Návrh regulácie (štruktúra regulačných obvodov, typy regulátorov)
Pre vytvorený model možno zostaviť počítačovú simuláciu a nájsť parametre regulácie – regulátorov či iných prvkov riadiaceho systému. V tomto kroku je nevyhnutné zvoliť si vhodnú štruktúru riadenia. Ak si zvolíme nesprávny typ riadenia, nájdeme „optimálne“ parametre riadenia, ale z globálneho hľadiska nemusí byť vykurovanie efektívne/ optimálne. Ukážeme si to na príklade ekvitermnej regulácie.
Ekvitermná regulácia je regulácia, v rámci ktorej hodnoty tepelných strát daného priestoru nahrádza aktuálna hodnota vonkajšej teploty v bezprostrednom okolí.
Jej cieľom je zabezpečiť požadovanú teplotu vo vykurovanom priestore pri rôznych externých podmienkach. Na splnenie tejto požiadavky treba nájsť rovnováhu medzi dodávaným výkonom a tepelnou stratou objektu.
Ekvitermná regulácia je druhom vlečnej regulácie, pri ktorej je požadovaná hodnota ovplyvňovaná (riadená) nejakou inou veličinou (pomocná fyzikálna veličina dostupná v regulovanom systéme). Ekvitermná regulácia je riadením v otvorenej slučke, t. j. k dispozícii nie je akákoľvek spätná väzba o dosiahnutí žiadanej teploty (veličiny).
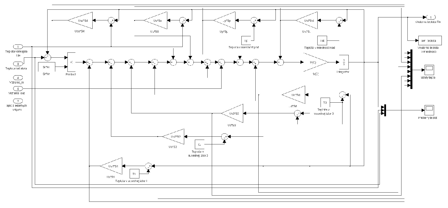
V prípade ekvitermnej regulácie je žiadanou hodnotou želaná hodnota vzduchu vnútorného priestoru, ktorá je riadená teplotou vonkajšieho vzduchu pomocou teploty vody vo vykurovacej sústave. Ide teda o kvalitatívnu reguláciu (mení sa kvalita vykurovacej vody – jej teplota; kvantita – prietok – sa nemení). Principiálna schéma ekvitermnej regulácie je na obr. 3.
Inými slovami, pri ekvitermnej regulácii sa teplota vykurovacej vody mení v závislosti od vonkajšej teploty. Ak je vonku chladnejšie, teplota vykurovacej vody sa automaticky zvýši. Naopak, keď je vonku teplejšie, teplota vody sa zníži. Je preto potrebné nájsť rovnováhu medzi dodávaným teplom a tepelnou stratou objektu, ktorá súvisí s vonkajšou teplotou. Závislosť medzi teplotou vody vo vykurovacom systéme a vonkajšou teplotou vzduchu vyjadruje ekvitermná krivka. Táto závislosť je nelineárna a závisí od tepelnoizolačných vlastností, hmoty a dispozície budovy atď.
Samotná štruktúra riadenia či regulácie priamo určuje možnosti, výhody, nevýhody, ako aj možnosti použitia tej-ktorej regulácie. Výhodou zmienenej ekvitermnej regulácie je väčšia tepelná pohoda z dôvodu potlačenia dynamiky (kolísania) teplôt v miestnosti, no súčasne pri nesprávnom nastavení či použití je to aj jej najväčšia nevýhoda.
Ak v miestnosti otvoríme v zime okno, teplota vo vnútri môže teoreticky klesnúť až na úroveň vonkajšej teploty bez toho, aby riadiaci systém na túto zmenu akokoľvek zareagoval, t. j. teplota vykurovacej vody telesa v danej miestnosti sa nezmení. Rovnako to bude aj v prípade, ak do miestnosti príde 30 ľudí a zapne 30 počítačov (vo vnútri miestnosti vznikne nový tepelný zisk na úrovni asi 6 kW), teplota vykurovacej vody sa opäť nezmení a miestnosť tak bude prekurovaná. Vnútorná teplota sa zvýši, zníži sa komfort ľudí, budú musieť otvoriť okná – zvýši sa únik tepla, zníži účinnosť vykurovania…
Jednoduchá ekvitermná regulácia sa tak svojou povahou nehodí v prípade zasadačiek, ául, či učební, jednoducho miestností s výraznými premenlivými tepelnými ziskami/stratami. Analogicky je výhodné použiť ju pri objektoch, kde sú premenlivé tepelné zisky (straty) zanedbateľné oproti celkovej potrebe tepla objektu. Napríklad pri štandardnom rodinnom dome je tepelný zisk od ľudí v ňom žijúcich (či zariadení) výrazne menší ako potrebný tepelný príkon domu (miestností).
Projektant riadiaceho systému môže zostaviť model, ktorý správne reflektuje tepelnodynamické vlastnosti budovy, no pri nesprávnej voľbe štruktúry riadenia bude výsledné riadenie neefektívne.
Ak projektant navrhne nesprávnu štruktúru riadenia (napr. teplota v konferenčnej miestnosti bude riadená ekvitermne), regulácia teploty nezaručí požadovaný komfort ani efektivitu vykurovania.
Jednoduchou zmenou štruktúry riadenia, napríklad pridaním rýchlejšej vnútornej regulačnej slučky, môžeme zmienený problém ekvitermnej regulácie eliminovať. Vnútorná regulačná slučka už bude spätnoväzbová (teplota vnútorného vzduchu bude riadená spätnoväzobovo na základe merania teploty vnútorného vzduchu). Napríklad, servoventil bude riadiť prietok vody vykurovacím telesom (Pozn.: Za spätnoväzbový regulačný člen nemôžeme považovať termoregulačné hlavice radiátorov. Tie sú z pohľadu presnosti regulácie takmer zbytočné. Snímač teploty vnútorného vzduchu musí byť umiestnený v dostatočnej vzdialenosti od vykurovacieho telesa, v správnej výške, bez oslnenia atď.).
Zmena v štruktúre riadenia sa prejaví aj v samotnej povahe regulácie. V prípade ekvitermnej regulácie s vnútornou spätnoväzbovou slučkou sa už mení nielen kvalita (teplota), ale aj kvantita (prietok), preto už ide o kvalitatívno-kvantitatívnu reguláciu.
4. Nastavenie jednotlivých regulačných slučiek
V prípade kaskádovej ekvitermnej regulácie potom projektant nastaví vhodnú strmšiu ekvitermu – krivku. Vnútorná slučka riadenia už v konkrétnej miestnosti (interná regulácia) a na konkrétnom vykurovacom telese či vykurovacom okruhu doreguluje proces vykurovania podľa vnútornej teploty miestnosti.
Podľa výsledkov simulácie môže projektant správne posunúť ekvitermy v zvislom aj vodorovnom smere, a tým upravovať požadované parametre, napríklad rôzne požadované útlmy teplôt podľa požiadaviek odberateľa. Pre danú sústavu alebo objekt sa môže zvoliť aj viac kriviek (obr. 5).
Postup podľa bodov 5 až 8
Spravovanie alarmov, implementácia v konkrétnom programovacom prostriedku, plán testov a dokumentácia sú v životnom cykle návrhu riadiaceho systému rovnako dôležité, no z hľadiska hodnotenia efektivity vykurovania sú minoritné, preto ich opíšeme veľmi stručne.
Každý riadiaci systém by mal prejsť verifikáciou (kontrolou na účely zabezpečenia konzistencie s danou špecifikáciou), validáciou a testovaním.
Treba si uvedomiť, že testovaním môžeme existenciu chýb v riadení dokázať, nemôžeme ju však vyvrátiť, preto testovanie ako také nie je akceptovateľné na určenie správnosti programu.
Spravidla sa systém v praxi oživí, odskúša a vyladí v základných „módoch“. Následne sa odovzdá. Dôkladné testovanie a scenáristika (scenár #1: čo sa stane, ak sa pokazí obehové čerpadlo, ako a kde sa táto porucha prejaví, aká bude reakcia systému atď.) sa spravidla správne nevykonáva, pretože na to nie je čas a ide o investíciu navyše. Zvyčajne sa preto v praxi dôsledné testovanie a scenáristika jednoducho vynechajú.
Dokumentácia návrhu a nastavenia RS je nesmierne dôležitá, či už z pohľadu riešenia porúch, alebo prispôsobenia riadenia či regulácie. Veľmi dôležité je uviesť v dokumentácii, ako a prečo projektant nastavil parametre a štruktúru riadenia. V nasledujúcich rokoch, keď bude nevyhnutné prispôsobiť RS, je práve táto dokumentácia východiskovým bodom pre „adjustment“ – prispôsobovanie parametrov regulácie („adjustment“ parametrov regulácie je dôležité vykonať vždy pri výraznejšej zmene vo vykurovanom objekte – napr. pri starnutí izolačných materiálov, zmene využitia priestorov – keď sa z kancelárie stane sklad a pod.)
Prečo riadime vykurovanie neefektívne?
Keďže návrh riadenia vykurovania je jednou z posledných fáz stavby budovy pred kolaudáciou, spravidla sa už efektívnemu návrhu riadenia nevenuje potrebný čas ani pozornosť. Najväčším problémom je absencia modelu vykurovania objektu, pre ktorý sa vykurovanie navrhuje. Bez modelu nie je možné zvoliť si správnu štruktúru riadenia a následne ani nájsť správne parametre riadenia. Na Slovensku nenájdeme budovu, ktorá je správne postavená so správne riadeným vykurovaním, t. j. budovu, ktorej riadiaci systém vykurovania vychádza z modelu riadenia!
Ako riadiť vykurovanie budov efektívne?
Treba si uvedomiť fakt, že nesprávne navrhnutá budova so špičkovým riadením bude stále zlá budova s výborným riadením, ktorá bude vykazovať horšie charakteristiky ako premyslene/optimálne navrhnutá budova bez riadenia.
Efektívny návrh vykurovania a architektonicko-stavebno-konštrukčné riešenie nie je možné od seba oddeliť. Pri zostavovaní optimalizačných rovníc vychádza spravidla jedno riešenie vždy NULA a práve to je optimálne. Pomocou softvéru a ľudského umu by sme mali nájsť také riešenie, ktoré sa blíži k tejto NULE, pretože najefektívnejšie sa riadi taký systém, ktorý nemusíme v budove mať = nemusíme riadiť. Optimálny návrh budov (z pohľadu vykurovania) hľadá odpovede napríklad na otázky:
- ako, kde a aké vysoké stromy (vegetáciu) zasadiť v okolí stavby, aby sa čo najviac eliminovali studené veterné prúdy,
- aká vysoká má byť budova v danej zástavbe, ako má byť orientovaná, aké má mať dispozičné riešenie, ako má byť „zasadená“ do terénu, aby sa potreba tepla na vykurovanie blížila k NULE (Pozn.: Pozor na hodnotenie životného cyklu energetických vstupov do budovy! Pri jeho opomenutí sa často stáva, že postavíme domy s takmer nulovou potrebou tepla na vykurovanie, no do ich stavby sa vloží viac energie, ako je nevyhnutné na vykurovanie bežného domu počas celej jeho životnosti [8].),
- aké vzťahy budovy s jej okolím je nevyhnutné vytvoriť, aby sa potreba tepla na vykurovanie blížila k NULE, aby sa potreba „dopravy“ tepla k budove blížila k NULE. (Pozn.: Súčasné domy sa z pohľadu vykurovania hodnotia energetickým certifikátom, ktorý je nesmierne zavádzajúci. Dom v energetickej triede B s plynovým kotlom si vyžaduje na vykurovanie viac energie ako dom v energetickej triede C s kotlom na tuhé palivo, ak má drevo zo svojho blízkeho okolia. Tento fakt je zapríčinený tým, že doprava média pretváraného na „teplo“ na vykurovanie si v prvom prípade (stavba plynovodov, plynárni…) vyžaduje oveľa viac energie ako v druhom prípade (popílenie dreva z vlastného palivového lesa.)
Záver
Architektonický koncept domu vyplývajúci z požiadaviek (energetických či iných) je diametrálne odlišný od architektonického konceptu súčasne navrhovaných domov, keď požiadavky (na teplo a pod.) vyplývajú z architektonického konceptu. Pri správnom návrhu domu sa v našich podmienkach dá potreba klimatizácie úplne eliminovať a potreba tepla na vykurovanie môže byť približne 20-krát nižšia ako pri súčasne štandardne stavaných domoch. Pri väčších budovách je, žiaľ, toto číslo ešte vyššie [7].
Samozrejme, nemusíme všetky dosiaľ nesprávne postavené budovy a domy zbúrať a postaviť nové, efektívne. Dokonca ani nemôžeme, pretože existuje veľmi málo stavebných inžinierov, ktorí vedia navrhovať efektívne domy či budovy. Veľmi málo architektov a stavebných inžinierov pozná dôležité väzby budov na planétu Zem, preto bude prechod na optimálne navrhnuté a efektívne riadené budovy veľmi pomalý.
Do toho času však môžeme zle navrhnuté domy a budovy riadiť efektívnejšie. Stručne zhrňme, že návrh správneho vykurovania musí vychádzať z modelu vykurovania, ktorý možno vytvoriť minimálne po meraní ročnej prevádzky vykurovacieho systému (nie je možné vytvoriť ho „in advance“ ani z projektu). Následne pomocou počítačovej simulácie možno určiť parametre na efektívnejšie riadenie, ktoré by malo byť naprogramované, riadne „odladené“ a zdokumentované.
Následne je nevyhnutné vykonávať v priebehu času pravidelné „prispôsobovanie“ riadiaceho systému relevantným zmenám (časová zmena vlastností izolačných materiálov, zmena využitia priestorov a i.). Správne nastavený vykurovací systém tak môže výrazne znížiť potrebu tepla na vykurovanie a umožní efektívne distribuovať teplo v neefektívnych budovách.
Literatúra
1. Števo, S.: Inteligentné budovy, modelovanie, podpora pri projektovaní. Dátum obhajoby 13. 5. 2010, č. ved. odb. 9.2.7. Bratislava: STU, 2010. 116 s, dizertačná práca.
2. Použitie neuro-fuzzy systémov v riadení procesov vykurovania. Časť 1., práce publikované na internete, vykurovanie.wikidot.com/zurnal-c-2, 11. 10. 2016.
3. Botha, C. P.: Simulation of a building heating, ventilating and air-conditioning system, 2000, UoP, Pretoria, Australia.
4. Eiben, A. E. – Hinterding, R. – Michalewicz, Z.: Parameter control in evolutionary algorithms, IEEE Transactions on Evolutionary Computation, 1999.
5. Fikar, M.: Dynamická optimalizácia procesov. Bratislava: E-Akadémia STU, 2007.
6. Petráš, D. a kol.: Vytápění rodinných a bytových domů. Bratislava: JAGA, 2005.
7. Števo, S.: Princípy permakultúrnej stavby. Ako žiť v harmónii so zdrojom svojej energie a obživy. In: TZB Haustechnik, roč. 22, č. 2 (2014), s. 32 – 34.
8. Števo, S.: Hodnotenie životného cyklu budov. In: iDB Journal, roč. 1, č. 5 (2011), str. 30 – 32.
Text: Ing. Stanislav Števo, PhD.
Obrázky: Autor
Autor sa venuje návrhom udržateľných stavieb a automatizácii budov.
Článok bol uverejnený v časopise TZB Haustechnik 5/2016.













