Geotermálne tepelné čerpadlá
Majú obrovský potenciál, vždy však treba brať do úvahy, či sú v rámci daného objektu najlepším riešením.Využívanie geotermálnych tepelných čerpadiel zaznamenáva v ostatných rokoch značný nárast. Geotermálne tepelné čerpadlá (Ground Source Heat Pumps, GSHP) sú najrýchlejšie sa rozvíjajúcou aplikáciou z odboru geotermálnej energie, ktorý má v rámci obnoviteľných zdrojov najväčší potenciál. GSHP sú vhodné nielen do malých budov, čoraz viac sa používajú aj pri väčších projektoch.
V súčasnosti je v Európe už viac ako milión inštalácií GSHP. Medzi krajiny s najvyšším počtom týchto systémov patria Švédsko, Nemecko a Švajčiarsko [1]. Aj napriek narastajúcej obľube takýchto zariadení stále neexistuje pevne zakotvený a štandardizovaný presný postup návrhu hĺbky vrtov a nie je úplne jasné ani správanie sa zemných vrtov po určitom čase využívania systému. Vrty sa často navrhujú na základe empirických skúseností projektantov alebo inštalačných firiem, v dôsledku čoho sa často predimenzujú či poddimenzujú. Najbežnejším spôsobom hodnotenia účinnosti tepelného čerpadla je v súčasnosti stále COP (vykurovací súčiniteľ). Metodika jeho merania je opísaná v norme EN 14511. Pri geotermálnych tepelných čerpadlách sa COP zvyčajne meria pri týchto podmienkach: voda (alebo teplonosná látka) na vstupe do tepelného čerpadla zo zeminy má teplotu 2 °C a výstupná voda má teplotu 35 °C. Meranie účinnosti prostredníctvom COP však nie je celkom objektívne a nedokáže opísať správanie tepelného čerpadla počas celého obdobia prevádzky. Preto sa zaviedol hodnotiaci parameter SPF (sezónne výkonové číslo), ktorý nielen opisuje účinnosť systému, ale je aj veľmi užitočný na určenie prevádzkových nákladov a hodnotenia návratnosti investícií [2].Nastavenie okrajových podmienok
Predmetom článku je modelovanie troch budov s rozličnou veľkosťou priestorov vykurovaných geotermálnymi tepelnými čerpadlami (teplá voda nie je súčasťou dodávky). Všetky tri budovy sa modelovali v klimatických podmienkach Prahy. Rovnaké boli aj ďalšie okrajové podmienky – všetko sa simulovalo s použitím ílovitej, vlhkejšej zeminy s tepelnou vodivosťou 1,6 W/(m . K), vrty mali priemer 110 mm, polyetylénové rúrky s rozmerom 32 × 3 mm boli vo vrte usporiadané pomocou dvojitej U-slučky a vždy sa použil rovnaký druh teplonosnej látky: monoeylenglykol s teplotou tuhnutia –21 °C. Rozstupy medzi jednotlivými vrtmi sa pri všetkých simuláciách takisto zachovali na úrovni 10 m. Do úvahy sa bralo, že tvar všetkých simulovaných budov je kompaktný. V rámci každého objektu sa v softvéri EED (Earth Energy Designer) navrhla zodpovedajúca hĺbka vrtu a výkon tepelného čerpadla, ktorý plne pokrýval tepelnú stratu budovy. Prvú, najmenšiu, budovu predstavoval samostatne stojaci rodinný dom s tepelnou stratou nižšou ako 10 kW. Na vykurovanie tohto domu slúžia dva vrty s hĺbkou 100 m. Tepelná strata druhej budovy bola 80 kW, tepelné čerpadlo využívalo geotermálnu energiu z 20 vrtov s hĺbkou 100 m. Tretí prípad zastupuje budova s tepelnou stratou 320 kW a na jej vykurovanie bolo treba navrhnúť 85 vrtov s dĺžkou 100 m. Pri simulovaných budovách sa počítalo so zateplením na odporúčané hodnoty podľa normy ČSN EN 12831, s percentom zasklenia 20 %, bez zahrnutia vnútorných ziskov. Systém vykurovania a vykurovací spád boli opäť vo všetkých prípadoch rovnaké – vykurovanie pomocou fancoilov 45 °C/40 °C. Za návrhovú vnútornú teplotu sa pri všetkých modelovaných objektoch zobrala hodnota 20 °C. Na simuláciu geotermálneho systému tepelného čerpadla a jeho súčinnosti s budovami sa využil simulačný softvér TRNSYS.
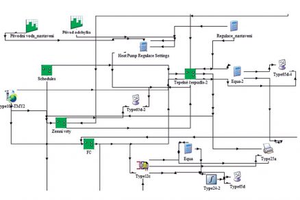
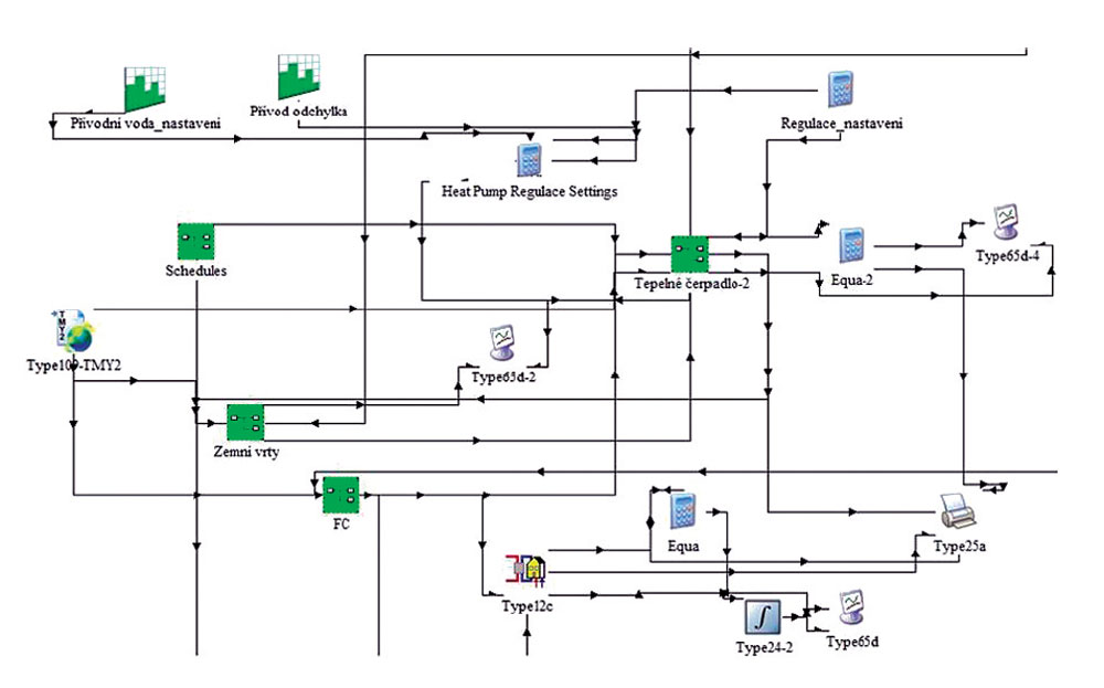
Obr. 1 Model systému v programe TRNSYS
Modelovanie systému
TRNSYS je softvér, ktorý sa používa na dynamickú analýzu energetických systémov budov. Obsahuje širokú ponuku komponentov – od základných ohrievačov až po reguláciu a zostavenie detailného modelu budovy [3]. Vo všetkých troch prípadoch simulácie sa použil rovnaký základ. Hlavnými komponentmi všetkých systémov boli zemný výmenník tepla, tepelné čerpadlo s akumulačnou nádržou, zariadenie na rozvod tepla pomocou fancoilov a samotná budova.Prevádzka tepelného čerpadla nebola invertorová, ale kompresor pracoval na princípe ON/OFF na základe nastaveného rozsahu teplôt. Elektronický regulátor meral teplotu vratnej vody na vstupe do tepelného čerpadla a zaisťoval udržiavanie teploty vratnej vody v určitom východiskovom teplotnom rozsahu. Ak teplota vratnej vody prekročila hornú hranicu nastaveného rozpätia teplôt, kompresor tepelného čerpadla sa zastavil. Ak po vypnutí kompresora teplota znova poklesla a dosiahla spodnú hranicu rozsahu, kompresor sa znova spustil.Simuláciou sa sledovalo správanie systému počas jedného roka s časovým krokom 1 hodina.
Obr. 2. Výsledky simulácie celoročného vykurovacieho faktora SPF v závislosti od ročnej potreby tepla na vykurovanie
Výsledky simulácie
Cieľom simulácie bolo porovnať účinnosť systémov s vrtmi geotermálnych tepelných čerpadiel pri troch rôznych veľkostiach budov. Parametrom hodnotenia efektivity bolo sezónne výkonové číslo SPF, na ktorého výpočet existuje v súčasnosti niekoľko metód. Norma ČSN EN 15316-4-2: 2006 Tepelné systémy v budovách: Výpočtová metóda na stanovenie energetickej potreby a účinnosti sústavy udáva dva spôsoby výpočtu SPF. Prvým je zjednodušená metóda založená na typológii systému, druhým je výpočet podľa tzv. intervalovej metódy. Výpočet je rozdelený na jednotlivé intervaly, ktoré závisia od teploty vonkajšieho vzduchu. Ďalší návod na výpočet sezónneho výkonového čísla poskytuje norma VDI 4650. V tomto prípade sa SPF vypočítalo ako priemerná hodnota z vykurovacích súčiniteľov, ktoré sa počítali v jednotlivých časových krokoch, keď bol kompresor tepelného čerpadla v prevádzke. Do výpočtu SPF sa nezahrnul príkon obehových čerpadiel a ďalších pomocných komponentov. Veľkosť SPF ovplyvňuje najmä teplota na vstupe do tepelného čerpadla (množstvo tepla získané zo zeminy) a teplota vody na výstupe z tepelného čerpadla (teplota vody vo vykurovacom okruhu).Prvý výsledok (obr. 2) ukazuje porovnanie SPF troch hodnotených objektov v závislosti od ich tepelnej straty – je zreteľný nárast SPF s rastúcou tepelnou stratou. Rodinný dom má najnižšie SPF na úrovni 3,6. Celkovú spotrebu elektrickej energie teda získame vydelením ročnej potreby tepla na vykurovanie koeficientom 3,6. Budova II vykazuje oproti rodinnému domu rast SPF o 10 %. Tretia, najvyššia, budova dosahuje SPF 4,12. Na obr. 2 vidieť opäť rovnakú závislosť, ale v porovnaní s ročnou potrebou tepla na vykurovanie. Veľkosť budovy a jej tepelná strata sa teda javia ako parametre, ktoré je dobré vziať do úvahy pri rozhodovaní o systéme geotermálneho tepelného čerpadla ako zdroja tepla. Pri menších domoch, alebo dokonca pri veľmi dobre izolovaných pasívnych domoch nie je, paradoxne, systém s vrtmi na využívanie geotermálnej energie pomocou tepelného čerpadla natoľko efektívny. Tieto budovy majú len veľmi nízku potrebu tepla a úspory energie pri prevode na spotrebu primárnej energie nie sú také významné.Väčšia budova s väčšou potrebou tepla spotrebuje omnoho viac energie. Potenciál využitia geotermálnej energie a úspora energie na vykurovanie sú tak v porovnaní s inými zdrojmi tepla omnoho vyššie. Pri väčších občianskych budovách sa v lete pre tepelné zisky vyžaduje aj chladenie, ktoré sa môže zabezpečovať tým istým systémom, čím sa vyrieši aj využitie vrtov v letnom období.
Záver
Výsledky simulácie ukazujú rozdiely v SPF pri troch budovách s rôznymi tepelnými stratami, ktoré však boli simulované pri rovnakých podmienkach. SPF rastie s narastajúcimi stratami tepla a s rastúcou potrebou tepla na vykurovanie. To môže byť užitočným faktorom pri rozhodovaní, ktoré budovy sú na využívanie geotermálnych systémov tepelných čerpadiel so zemnými vrtmi vhodné. Geotermálna energia, najmä geotermálne tepelné čerpadlá, je jednou z najrýchlejšie sa rozvíjajúcich technológií a určite sa právom považuje za obnoviteľný zdroj energie s minimálnymi emisiami a vplyvom na životné prostredie. Zároveň je však veľmi dôležité, aby sa vždy bralo do úvahy, či je systém s geotermálnymi tepelnými čerpadlami skutočne najlepším riešením v rámci danej budovy.
Obrázky: archív autorov, thinkstock.com
TEXT: Ing. Kristýna Vavřinová, prof. Ing. Karel Kabele, CSc.
Autori pôsobia na Katedre technických zariadení budov Stavebnej fakulty ČVUT v Prahe. K. Kabele je vedúcim tejto katedry.
Recenzoval: prof. Ing. Václav Havelský, PhD.
Článok vznikol s podporou z grantu SGS10/234/OHK1/3T/11.
Literatúra
1. Self, S. J. et al.: Geothermal Heat Pump System: Status Review and Comparison with Other Heating Options. In: Applied Energy, 2012.
2. Vavřinová, K.: Geothermal Energy Heat Pump Use for Heating and Cooling. In: Odborná diskusia doktorského štúdia, Stavebná fakulta ČVUT, Praha , máj 2012.
3. Shonder A. J. – Hughes J. P.: Increasing Confidence in Geothermal Heat Pump Design Methods. Proc. 2nd Stockton Geothermal Conference, 1998, dostupné na: www.geo-journal.stockton.edu.
4. Matuška, T: Efektivita provozu tepelných čerpadel v budovách, III. In: Sympozium integrovaného navrhování a hodnocení budov, Praha, október 2012.
Článok bol uverejnený v TZB Haustechnik.








