Analýza prevádzky solárnych kolektorov v bytových domoch
Solárne kolektory môžu získať energiu veľmi účinne, o jej využití však rozhoduje celý systém vrátane akumulácie. Príspevok je zameraný na hodnotenie prevádzky slnečného energetického systému v dvoch bytových domoch (A a B) počas letných mesiacov. Na základe experimentálnych meraní sa v ňom analyzujú príslušné výkonové a energetické parametre oboch systémov.
Európska únia je závislá od dovozu primárnych energetických zdrojov, a to na úrovni vyššej ako 50 %. Krajiny EÚ zároveň prijali záväzky späté s ochranou ovzdušia, na splnenie ktorých je nevyhnutné využívať obnoviteľné zdroje energie (OZE) vo väčšom množstve, ako je to v súčasnosti. Práve využívaním OZE sa zníži závislosť EÚ od dovozu primárnych energetických zdrojov.
Aplikácie slnečných systémov v budovách majú prispieť k zlepšeniu energetickej hospodárnosti budov a optimalizácii prevádzkových nákladov na výrobu tepelnej energie. Norma EN15316-4-3 [1] poukazuje na energetickú hospodárnosť tepelného solárneho systému a na súvisiace ovplyvňovanie potrieb energie. V súvislosti s celoeurópskym trendom smerujúcim k energeticky neutrálnym budovám sa domnievame, že v súčasnosti stojíme na prahu rozvoja solárnych sústav v bytových domoch [2].
Slnečný energetický systém v bytových domoch
Bytový dom A
Bytový dom A je postavený v stavebnej sústave P1.24BA s podstavanou polyfunkčnou časťou. Na 11. NP sa nachádza 58 trvale obývaných bytových jednotiek. Ohrev vody sa realizuje prostredníctvom plynovej kotolne a solárneho systému inštalovaného na streche objektu. V prípade nedostatku slnečného žiarenia sa príprava teplej vody uskutočňuje rýchloohrevným spôsobom v doskovom výmenníku. Teplá voda z plynovej kotolne sa akumuluje v dohrievacom zásobníku s objemom 1 000 l, aby sa vytvorili jej zásoby. Na akumuláciu teplej vody zo solárneho systému slúži predhrievací zásobník s objemom 1 000 l.
Na plochej streche objektu je v jednom rade umiestnených 22 solárnych kolektorov typu KS2000 TLP so sklonom 45°, orientáciou na juhozápad a absorpčnou plochou 40,04 m2. Solárny systém je určený iba na prípravu teplej vody v objekte. Na zabezpečenie systému sú navrhnuté dve expanzné nádoby – jedna expanzná nádoba je na strane primárnej vody a druhá na strane dopúšťania studenej upravenej vody. Schéma zapojenia bivalentného solárneho systému na prípravu teplej vody v bytovom dome A je na obr. 1.
Obr. 1 Schéma zapojenia bivalentného solárneho systému na prípravu teplej vody v bytovom dome A. 1 – solárne kolektory, 2 – expanzná nádoba, 3 – predohrievací zásobník teplej vody, 4 – solárna čerpadlová skupina, 5 – dohrievací zásobník teplej vody, 6 – obehové čerpadlo, 7 – solárny regulátor, 8 – regulátor teploty, 9 – doskový výmenník
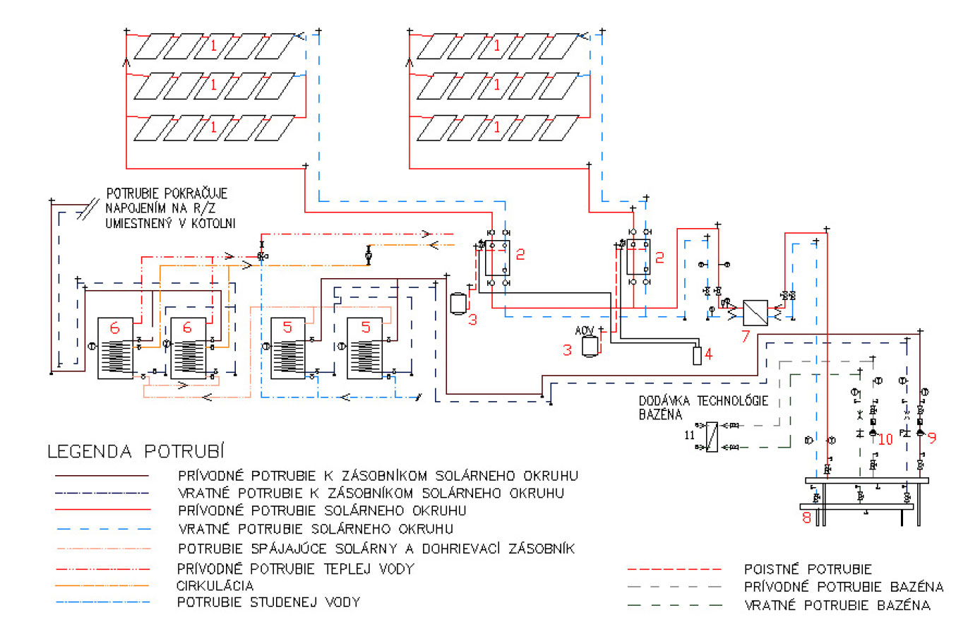
Bytový dom B
Bytový dom B sa skladá z dvoch samostatných častí – zo štvorpodlažnej a šesťpodlažnej časti –, ktoré sú zásobované teplom a teplou vodou zo spoločnej kotolne. Bytový dom disponuje 90 bytovými jednotkami, z toho 26 je trvale obývaných a 64 bytových jednotiek slúži na dlhodobý prenájom. Ohrev vody v bytovom dome sa realizuje prostredníctvom plynovej kotolne, primárne však zo solárneho systému inštalovaného na streche objektu. Teplá voda z plynového kotla sa akumuluje v dvoch zásobníkoch so špeciálnym vykurovacím registrom Hoval typ Combival ESSR 1000. Zásobník má objem 950 l, teplovýmennú plochu s veľkosťou 9,15 m2 a oceľový ohrievač s vnútorným smaltovaním. Teplá voda zo solárnych kolektorov sa akumuluje takisto v dvoch zásobníkoch so špeciálnym vykurovacím registrom Hoval typ Combival ESSR 1000, objem zásobníkov je 950 l.
Vyrobená energia zo solárneho systému sa odovzdáva cez doskový výmenník do teplonosnej látky. Z rozdeľovača a zberača sa teplonosná látka vedie jednou samostatnou vetvou do dvoch zásobníkových ohrievačov s objemom 1000 l určených na predohrev teplej vody. Druhou vetvou sa vedie teplonosná látka k výmenníku ohrevu bazénovej vody. Slnečné kolektory pracujú podľa rozdielu teploty v kolektoroch a teploty teplonosnej látky v kolektorovom potrubí umiestnenom v kotolni. Riadenie systému zabezpečuje navrhnutý systém Honeywell s riadiacou ústredňou Tiger. Na zabezpečenie solárneho systému sú navrhnuté dve expanzné nádoby. Jedna expanzná nádoba slúži jednému bloku kolektorov a druhá expanzná nádoba druhému bloku kolektorov. Ide o tlakové expanzné nádoby Pneumatex Statico typu SD35/10 s objemom 35 l a servisným kohútom KAH20. Schéma zapojenia bivalentného solárneho systému na prípravu teplej vody v bytovom dome B je na obr. 2.
Obr. 2 Schéma zapojenia bivalentného solárneho systému na prípravu teplej vody v bytovom dome B. 1 – solárne kolektory, 2 – kompletná solárna stanica HOVAL TYP SAG20-HF/S15-80 s čerpadlom 15-80 (obsahuje poistné zariadenie, odvzdušnenie, tepelnoizolačný box z EPP, čerpadlovú skupinu solárneho okruhu), 3 – expanzná nádoba, 4 – chemická úprava vody, 5 – predohrievací zásobník, 6 – dohrievací zásobník, 7 – doskový výmenník, 8 – rozdeľovač a zberač, 9 – teplovodné obehové čerpadlo (vetva ohrevu výmenníka TV), 10 – teplovodné obehové čerpadlo (vetva ohrevu výmenníka bazénovej vody), 11 – výmenník tepla na ohrev bazénovej vody
Experimentálne merania v bytových domoch
V bytových domoch sa merala v minútových intervaloch teplota teplonosnej látky prívodného a vratného potrubia, prietok v kolektorovom okruhu, prietok studenej vody v odberových okruhoch, teplota ohrevu vody, teplota v zásobníkových ohrievačoch, intenzita slnečného žiarenia a vonkajšia teplota.
Vybrané výstupy z experimentálneho merania v bytovom dome A
Meranie prebiehalo v letnom období od 24. 6. do 16. 7. 2015. Jeho cieľom bolo zistiť množstvo vyrobenej energie, účinnosť, s akou pracuje solárny systém, vyhodnotiť vyrobenú a dodanú energiu v minútových intervaloch a vyhodnotiť účinnosti v hodinových intervaloch. Čerpadlová skupina solárnych kolektorov sa spína na základe rozdielu teplôt medzi predhrievacím zásobníkom (θpz) a teplotou teplonosnej látky na výstupe z kolektorov (θkp). Ak je rozdiel medzi θpz a θkp 10 °C, zapne sa čerpadlo solárneho okruhu. Z experimentálneho merania vyplýva, že čerpadlo solárneho okruhu nejde trvalo, ale spína sa v rôznych intervaloch od 2 do 10 min, pričom je v prevádzke 1 až 2 min. Teplota vody v predhrievacom zásobníku sa počas dňa pohybovala od 17,6 do 45,8 °C.
Obr. 3 Vplyv teploty prívodného a vratného potrubia kolektorov na prietok teplonosnej látky v kolektorovom okruhu dňa 3. 7. 2015
Obr. 4 Teplo dodané solárnou tepelnou sústavou do distribučného systému prípravy teplej vody vzhľadom na intenzitu slnečného žiarenia dňa 3. 7. 2015
Prevádzku systému dokladajú vybrané výstupy z merania v grafickej forme (obr. 3 až 8). Dňa 3. 7. bolo dodané množstvo energie z kolektorov výrazne vyššie v dopoludňajších hodinách. Tento jav vzniká v dôsledku väčšieho teplotného rozdielu prívodného a vratného potrubia solárneho systému. Do 10:30 hod. bol výrazne vyšší odber teplej vody ako v čase obeda, následne sa odber teplej vody zvýšil až o 16:45 hod., keď ľudia začínali prichádzať z práce. Z meraní vyplýva, že čím je vyšší odber teplej vody, tým je väčší teplotný rozdiel medzi prívodným a vratným potrubím v kolektorovom okruhu.
Obr. 5 Vplyv teploty prívodného a vratného potrubia kolektorov na prietok teplonosnej látky v kolektorovom okruhu dňa 4. 7. 2015
Obr. 6 Teplo dodané solárnou tepelnou sústavou do distribučného systému prípravy teplej vody vzhľadom na intenzitu slnečného žiarenia dňa 4. 7. 2015
V čase od 6:30 do 7:20 hod. sa zaznamenal pokles intenzity slnečného žiarenia a vypnutie čerpadla, čo malo vplyv na dodané množstvo energie z kolektorov. Krátkodobé zníženie intenzity od 9:39 do 9:46 hod. nemalo vplyv na teplotu teplonosnej látky. V poobedných hodinách intenzita slnečného žiarenia klesala, následne sa vyplo čerpadlo solárneho okruhu o 15:40 hod. K ďalšiemu zapnutiu čerpadla došlo ešte o 18:33, 19:03 a 19:55 hod., a to vždy na 1 min. Maximálna teplota prívodnej teplonosnej látky bola 55,9 °C o 12:00 hod., najnižšia teplota (27,5 °C) sa dosiahla o 20:00 hod. Solárny systém vyrobil v sledovanom dni 50 kWh energie a z plynovej kotolne sa dodalo na dohrev 99,79 kWh energie v čase od 6:00 do 20:00 hod. Premenlivá intenzita slnečného žiarenia – ak sa pohybuje v rozpätí do 100 W/m2 – nemá výrazný vplyv na prívodnú teplotu teplonosnej látky.
Obr. 7 Vplyv teploty prívodného a vratného potrubia kolektorov na prietok teplonosnej látky v kolektorovom okruhu dňa 5. 7. 2015
Obr. 8 Teplo dodané solárnou tepelnou sústavou do distribučného systému prípravy teplej vody vzhľadom na intenzitu slnečného žiarenia dňa 5. 7. 2015
Čím je väčší teplotný rozdiel medzi teplotou prívodnej a vratnej teploty teplonosnej látky, tým väčšie množstvo energie sa dodá z kolektorov. V čase od 6:00 do 6:30 hod. a následne vo večerných hodinách bolo v určitom časovom úseku množstvo dodanej energie väčšie ako množstvo dopadajúcej energie – tento jav vznikol v dôsledku nahromadenia energie v kolektorovom okruhu v čase, keď bolo čerpadlo vypnuté. V daný deň sa čerpadlo solárneho okruhu spínalo na základe rozdielu teplôt v časovom rozmedzí 2 až 7 min. Maximálna teplota prívodnej teplonosnej látky bola 56,7 °C o 11:45 hod., najnižšia teplota (27,9 °C) sa dosiahla o 20:00 hod. Solárne kolektory dodali v daný deň 54,78 kWh energie, z plynovej kotolne sa dodalo 95,71 kWh energie.
Striedanie oblačného a jasného počasia počas dňa vplýva na teplotu teplonosnej látky. Solárne kolektory vyrobili 37,1 kWh energie v čase od 6:00 do 11:50 hod., čo zodpovedá 63 % vyrobenej energie počas daného dňa. Menšie množstvo vyrobenej energie je zreteľné v čase od 11:30 do 14:20 hod., a to v dôsledku premenlivého počasia, ktoré bolo do 12:00 hod. Čerpadlo solárneho okruhu bolo od 14:27 do 14:37 hod. vypnuté a teplonosná látka sa v kolektoroch nahrievala, čím vznikol teplotný rozdiel medzi prívodným a vratným potrubím na úrovni 20 °C, ktorý mal za následok zvýšené množstvo energie vyrobenej solárnymi kolektormi. Maximálna teplota teplonosnej látky v solárnych kolektoroch sa dosiahla o 11:30 hod. (55,8 °C) pri intenzite slnečného žiarenia 810 W/m2. Solárne kolektory vyrobili 59,18 kWh a z plynovej kotolne sa dodalo 100 kWh energie.
Experimentálne merania v bytovom dome B
Meranie prebiehalo v letnom období od
23. 7. do 18. 8. 2015. Cieľom experimentálneho merania bolo – takisto ako v bytovom dome A – zistiť množstvo energie vyrobenej solárnymi kolektormi, množstvo energie dodanej z plynovej kotolne a prevádzkovú účinnosť, s akou solárny systém pracuje. Množstvo vyrobenej a dodanej energie sa vyhodnocuje v minútových intervaloch a vyhodnotenie prevádzkovej účinnosti prebieha v hodinových intervaloch. Prevádzku systému dokladajú vybrané výstupy z merania v grafickej forme (obr. 9 až 14). V bytovom dome sa nachádzajú dva solárne zásobníky, dva dohrievacie zásobníky a dve čerpadlové skupiny, ktoré sú v prevádzke po celý čas slnečného svitu. Teplonosná látka vystupujúca zo solárnych kolektorov sa rozdeľuje do solárnych zásobníkov.
Obr. 9 Vplyv teploty prívodného a vratného potrubia kolektorov na prietok teplonosnej látky v kolektorovom okruhu dňa 11. 8. 2015
Obr. 10 Teplo dodané solárnou tepelnou sústavou do distribučného systému prípravy teplej vody vzhľadom na intenzitu slnečného žiarenia dňa 11. 8. 2015
Dodané množstvo energie zo solárnych kolektorov stúpa rovnomerne s rastúcou intenzitou slnečného žiarenia a klesá rovnomerne s klesajúcou intenzitou slnečného žiarenia v dôsledku zapnutých čerpadlových skupín solárneho okruhu po celý čas slnečného svitu. Intenzita slnečného žiarenia ovplyvňuje teplotu teplonosnej látky v prívodnom potrubí kolektorov s menším časovým oneskorením. Teplota teplonosnej látky kolektorov pri slnečnom dni plynulo stúpa a v poobedných hodinách plynulo klesá, najvyššia teplota sa dosiahla o 13:00 hod. (81,8 °C) pri intenzite slnečného žiarenia 962 W/m2. Slnečné kolektory vyrobili počas celého dňa 103,69 kWh energie, 341,11 kWh sa dodalo z plynovej kotolne. Teplonosná látka počas noci vychladla a o 6:00 hod. bol rozdiel teplôt medzi prívodným a vratným potrubím s teplonosnou látkou 0,4 °C. S pribúdajúcou intenzitou slnečného žiarenia sa dosiahol rozdiel teplôt medzi prívodným a vratným potrubím 18 °C.
Obr. 11 Vplyv teploty prívodného a vratného potrubia kolektorov na prietok teplonosnej látky v kolektorovom okruhu dňa 14. 8. 2015
Obr. 12 Teplo dodané solárnou tepelnou sústavou do distribučného systému prípravy teplej vody vzhľadom na intenzitu slnečného žiarenia dňa 14. 8. 2015
Teplota teplonosnej látky sa menila plynulo s intenzitou slnečného žiarenia až do 15:30 hod., keď sa náhle zmenilo slnečné počasie. So zmenou počasia súvisela aj zmena teploty teplonosnej látky, pričom sa následne znížilo množstvo dodanej energie na minimum. Maximálna teplota teplonosnej látky bola 71,8 °C pri intenzite slnečného žiarenia 876 W/m2. Dňa 14. 8. dodali slnečné kolektory 97,53 kWh energie, 326,49 kWh energie sa dodalo z plynovej kotolne. Na obr. 9 je znázornené slnečné počasie, ktoré sa strieda s oblačným. Premenlivé počasie prináša rozkolísanie teploty teplonosnej látky v potrubí kolektorového okruhu a rozkolísanie chodu čerpadiel. Čerpadlo solárneho okruhu sa zaplo v tento deň o hodinu neskôr ako v iné dni, počas ktorých prebiehalo meranie. Oblačná obloha od 12:10 a 12:25 hod. spôsobila pokles teploty teplonosnej látky o 12:45 hod. Najvyššia dosiahnutá teplota teplonosnej látky bola 73,6 °C o 13:42 hod. Solárne kolektory vyrobili v tento deň 100,73 kW energie, z plynovej kotolne sa dodalo 306,83 kWh energie.
Obr. 13 Vplyv teploty prívodného a vratného potrubia kolektorov na prietok teplonosnej látky v kolektorovom okruhu dňa 16. 8. 2015
Obr. 14 Teplo dodané solárnou tepelnou sústavou do distribučného systému prípravy teplej vody vzhľadom na intenzitu slnečného žiarenia dňa 16. 8. 2015
Vyhodnotenie dodaného a odobratého množstva energie v bytových domoch
Na obr. 15 a 16 je znázornené dodané množstvo energie získanej na prípravu teplej vody slnečnými kolektormi a množstvo odobranej energie z plynovej kotolne. Počas experimentálneho merania od 24. 6. do 16. 7. 2015 vychádza pokrytie energie na prípravu teplej vody slnečnými kolektormi na 32 %.
Obr. 15 Množstvo dodanej a odobranej energie na prípravu teplej vody v bytovom dome A
Obr. 16 Množstvo dodanej a odobranej energie na prípravu teplej vody v bytovom dome B
Záver
Kvalitné solárne kolektory môžu získať energiu veľmi účinne, o jej využití však rozhoduje celý solárny systém vrátane akumulácie. V tomto príspevku sa analyzovali dva bytové domy so solárnymi kolektormi, ktoré pracujú s iným prevádzkovým režimom. Na základe nameraných hodnôt je zrejmé, že slnečné energetické systémy so zapnutým teplovodným obehovým čerpadlom po celý čas slnečného svitu získajú väčšie množstvo energie z 1 m2 kolektorov a zároveň sa dosiahne vyššia teplota teplonosnej látky na výstupe z kolektorov ako v slnečnom energetickom systéme, v ktorom sa čerpadlo spína iba pri dosiahnutí prednastavenej teploty medzi zásobníkom a teplonosnou látkou na výstupe z kolektorov. V bytovom dome B sa tak dosiahla vyššia prevádzková účinnosť systému.
Príspevok vznikol s podporou firmy Badger Meter Slovakia, s. r. o.
Foto a obrázky: autorka
Literatúra
- EN 15316-4-3 Vykurovacie systémy v budovách. Metóda výpočtu energetických požiadaviek systému a účinností systému. Časť 4-3:Systémy výroby tepla, tepelné solárne systémy, 2013. s. 44.
- Matuška, T.: Solární soustavy pro bytové domy. Grada Publishing, a. s., 2010. 136 s.
- Matuška, T.: Solární zařízení v příkladech. Grada Publishing, a. s., 2013. 256 s.
- Sanchez, M. – Martinez, I. – Rincon, E. – Duran, M.: Design and Thermal-optic Analysis of an Ultra-solar Concentrator. In: Energy Procedia, Volume 57, 2014, Pages 311– 320.
- Mghouchi, T. – Ajzoul, A. – Bouardi, El: Prediction of daily solar radiation intensity by day of the year in twenty-four cities of Morocco. In: Renewable and Sustainable Energy Reviews, November 2015,Pages 823 – 831.
- Sanchez, M. – Martinez, I., Rincon, E. – Duran, M.: Design and Thermal-optic Analysis of an Ultra-solar Concentrator. In: Energy Procedia, Volume 57, 2014,Pages 311– 320.
Text: Ing. Diana Kováčová
Recenzovala: doc. Ing. Otília Lulkovičová, PhD.
Autorka pôsobí na Katedre TZB Stavebnej fakulty STU v Bratislave.
Článok bol uverejnený v časopise TZB HAUSTECHNIK.



























