Regulácia vetrania podľa kvality vnútorného vzduchu (2. časť: Voľba stratégie)
Článok publikovaný v tejto rubrike v minulom čísle TZB Haustechnik sa venoval základným druhom snímačov merania rozličných škodlivín v ovzduší a ich voľbe. Žiadaná presnosť regulácie kvality vzduchu v interiéri však vo veľkej miere závisí od umiestnenia snímača, ktorý musí poskytovať čo najobjektívnejšie údaje o meranej veličine.
Snímače sa vyrábajú v dvoch vyhotoveniach – ako priestorové pre montáž na stenu alebo kanálové pre montáž do vzduchotechnického potrubia. Výber závisí od typu vzduchotechnického systému a špecifických vlastností objektu.![]() |
![]() |
| Obr. 1 Snímač CO2 a) kanálový, b) priestorový [4] |
|
Umiestnenie snímača
Na osadenie priestorového snímača treba vybrať oblasť, ktorá reprezentuje účinok najdôležitejších zdrojov znečistenia. Snímač sa umiestňuje na vnútornú stenu do výšky 1,5 až 3 m nad podlahou, najlepšie v mieste cirkulácie vzduchu. Nevhodné sú miesta za vchodovými dverami, vedľa okien, vo výklenkoch, za závesmi, v blízkosti výustiek, vetracích otvorov alebo zdrojov tepla. Platí, že:
- každá samostatne regulovaná zóna musí mať vlastný snímač,
- pre menšie miestnosti stačí jeden snímač, pre rozľahlejšie a členitejšie priestory sa navrhuje viac snímačov, pričom dávka vzduchu sa reguluje podľa najvyššej nameranej hodnoty,
- ak sa vzduch privádza do priestoru viacerými jednotkami, každá jednotka musí mať vlastný snímač, ktorý je inštalovaný v zásobovanej oblasti.
Ak snímač nemožno osadiť do priestoru, montuje sa do odvodného vzduchotechnického potrubia, pričom platí, že:
- potrubie by malo odvádzať vzduch z jednej zásobovanej zóny – t. j. z priestorov s podobnou záťažou a obsadenosťou, pretože výsledná hodnota koncentrácie škodliviny predstavuje jej spriemerovanú hodnotu,
- hodnotu koncentrácie škodliviny môže ovplyvňovať prúdenie vzduchu cez netesnosti potrubia vplyvom rozdielneho tlaku odvádzaného a okolitého vzduchu,
- snímač treba umiestniť čo najbližšie k vetranému priestoru,
- snímač musí byť prístupný údržbe.
Na základe skúseností z praxe sa odporúča použitie priestorového snímača, ktorý sníma skutočnú hodnotu koncentrácie škodliviny, takže riadiaci systém zabezpečí kvalitnejšiu vnútornú pohodu a zároveň efektívnejšiu prevádzku vzduchotechnického systému.

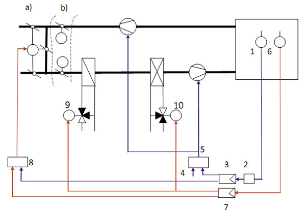
Na obr. 2 je schéma zapojenia vzduchotechnického zariadenia s čiastočnou úpravou vzduchu. Na potreby regulácie dodávky vzduchu podľa kvality sa použil kombinovaný snímač CO2/zmesi plynov. Signály o úrovni škodlivín spracováva počítač potreby vetrania ako výsledok výberu maximálnej hodnoty z oboch údajov. Regulátor kvality porovná výsledný signál so žiadanou hodnotou a ak vznikne odchýlka, pôsobí na ventilátory, prípadne elektrické pohony klapiek. Ventilátory zabezpečujúce prúdenie vzduchu v potrubí sa môžu navrhnúť s konštantným alebo premenlivým výkonom, ktorý možno riadiť stupňovito alebo plynulo [3]. Pri stupňovitom riadení sa používajú dvojotáčkové alebo trojotáčkové motory, pričom zmena otáčok sa realizuje skokovo prepínaním počtu pólov. Ďalšou možnosťou je riadenie na základe zmeny napätia, pri ktorom sa výkon mení, napríklad, v piatich stupňoch, pričom každému stupňu zodpovedá 20 % výkonu. Energeticky najvýhodnejšie riadenie výkonu je prostredníctvom frekvenčného meniča, ktorý reguluje výkon ventilátorov plynulo od 0 do 100 %.
Obvod regulácie vetrania podľa kvality je doplnený obvodom regulácie teploty vzduchu, ktorý je nezávislý. Teplota vzduchu sa meria snímačom osadeným v priestore, prípadne v odvodnom potrubí. Regulátor teploty na základe vzniknutej regulačnej odchýlky ovláda regulačný ventil ohrievača alebo chladiča, ktorý je zapojený v sekvencii. Ak sa vzduchotechnické zariadenie prevádzkuje s podielom obehového vzduchu, jednotka prednostného výberu porovná signál z regulátora kvality a regulátora teploty vzduchu a na základe maximálnej hodnoty pôsobí na pohon klapiek.
Zariadenie s jednostupňovým ventilátorom
Najjednoduchšie možno zabezpečiť prijateľnú kvalitu vnútorného vzduchu dvojpolohovým riadením chodu ventilátora (ventilátorov). Tento spôsob sa používa pri jednoduchých aplikáciách, kde sa pohon ventilátora riadi časovým spínačom alebo ručne. Snímač CO2 alebo zmesi plynov sníma koncentráciu škodliviny. Ak jej hladina prekročí nastavenú požadovanú hodnotu, regulátor uvedie ventilátor do chodu. Ihneď potom, čo sa vplyvom vetrania kvalita vzduchu opäť zlepší, ventilátor sa vypne.
Zariadenie s dvojstupňovým ventilátorom
Ak sa vzduchotechnická jednotka prevádzkuje na podiel obehového vzduchu, klapka čerstvého vzduchu je nastavená na hygienické minimum. Pri zvýšení koncentrácie škodliviny regulátor zapne ventilátor na prvý stupeň otáčok. Pri ďalšom zhoršovaní kvality vzduchu sa postupne začne otvárať klapka čerstvého vzduchu až do maximálnej polohy, pričom sa adekvátne znižuje podiel obehového vzduchu.
Druhý stupeň otáčok ventilátora sa zapína až pri plnom otvorení klapky čerstvého vzduchu (obr. 3). Ak sa jednotka prevádzkuje len na čerstvý vzduch, klapka čerstvého vzduchu ostáva otvorená v maximálnej polohe počas celej prevádzky. Pri zhoršení kvality vzduchu regulátor zapne ventilátor najprv na prvý stupeň otáčok a pri ďalšom zvyšovaní koncentrácie škodliviny na druhý stupeň otáčok.
![]() |
![]() |
| Obr. 3 Zariadenie s podielom obehového vzduchu a s dvojstupňovým ventilátorom (I, II ) [2] | Obr. 4 Zariadenie s podielom obehového vzduchu a s ventilátorom s plynulou reguláciou výkonu [2] |

Pri tomto spôsobe riadenia sa používajú ventilátory s regulovateľnými otáčkami s frekvenčným meničom alebo zmenou napätia. Pri zhoršení kvality vzduchu regulátor zapne ventilátor, ktorý sa prevádzkuje na minimálne otáčky. Klapka čerstvého vzduchu sa otvorí do maximálnej polohy. Pri ďalšom zhoršovaní kvality vzduchu sa otáčky ventilátora plynulo zvyšujú (obr. 4).
Graf na obr. 5 demonštruje rozličné možnosti prevádzky vzduchotechnického zariadenia s požadovanou reguláciou kvality vzduchu na základe rôznych kritérií:
- Čas prevádzky: V rámci tejto časovej etapy sa v objekte nachádzajú ľudia. Vzduchotechnické zariadenie musí zabezpečiť tepelnú pohodu prostredia, v tomto prípade kvalitu vzduchu.
- Čas predvýmeny vzduchu: Dobrá kvalita vzduchu sa musí zabezpečiť pred obsadením objektu ľuďmi. Táto etapa končí pri začatí prevádzky budovy. Zariadenie beží na najvyššie otáčky ventilátora so 100-percentným podielom čerstvého vzduchu.
- Čas dodatočnej výmeny vzduchu: V tomto úseku – mimo času prevádzky – sa zamedzuje usadenie pachov. Začína sa na konci času prevádzky na základe informácie snímača IAQ a končí najneskôr po nastavenej časovej perióde.
- Čas núteného vetrania: Je to limitovaný čas počas prevádzky alebo mimo nej na základe manuálneho spustenia tlačidlom. Zariadenie pracuje na maximálne otáčky ventilátorov so 100-percentným podielom vonkajšieho vzduchu.
- Zachytenie prítomnosti osôb: Takáto prevádzka môže byť v priestoroch, ktoré sa využívajú nepravidelne. Zariadenie sa spustí na základe signálu z detektora pohybu.
- Koordinácia s regulačným obvodom priestorovej teploty: Nezávisle od potreby vetrania sa musí zabezpečiť tepelný komfort.
- Prevádzka vzduchotechnického zariadenia.
Záver
Reguláciou vetrania podľa kvality vzduchu sa vo vnútornom prostredí zabezpečí optimálna tepelná pohoda, ktorá zvyšuje produktivitu práce, priaznivo vplýva na zdravotný stav užívateľov a zároveň šetrí prevádzkové náklady. Zníženie spotreby energie predstavuje 30 až 50 % a zahŕňa úspory:
- pri úprave vonkajšieho vzduchu,
- dosiahnuté redukciou výkonu ventilátorov pri stupňovitej alebo plynulej regulácii,
- na základe vhodne zvoleného snímača, jeho umiestnenia a regulačnej stratégie.
Obrázky: Sauter, Siemens
Článok vznikol s podporou projektu Vega č. 1/0734/08.
Literatúra
1. www.commercial.carrier.com: Demand Controlled Ventilation System Design.
2. www.siemens.com: Regeln und Steuern von Lüftungs-/Klimaanlagen.
3. Zmrhal, V.: Prvky větracích a klimatizačních zařízení (I) – 2. část: Ventilátory. www.tzb-info.cz
4. Firemné podklady firmy Sauter.
Článok bol uverejnený v časopise TZB Haustechnik.













