Inoutic Project Plan – nový softvér pre výpočty okenných výplní
O správne fungujúcej stavbe rozhoduje každý detail i použité materiály. Okná a dvere bývajú najslabším článkom obálky domu a spôsobujú najväčšie tepelné straty. Záleží preto na ich kvalite, prevedení stavby a montáži, ale aj správnom naprojektovaní. S tým pomôže nový interaktívny projekčný softvér Inoutic Project Plan.
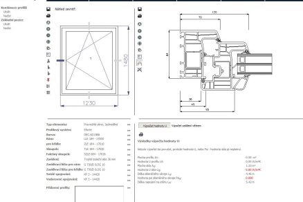
Nový nástroj umožňuje výpočty statických a tepelnoizolačných parametrov konkštrukcií otvorových výplní vrátane generovania výkresov a detailných špecifikácií konštrukcií. Prináša tiež širokú ponuku informácií a nástrojov pre navrhovanie, a zabudovanie okien, vrátane viacerých kalkulačných nástrojov. Zákazníkom z radov projektantov či výrobcov okien uľahčí vytvorenie projektu so správnymi parametrami otvorových výplní, ktoré potrebujú pre výberové konania a stavebnú dokumentáciu.
Inoutic Project Plan pracuje výhradne s portfóliom nemeckého výrobcu PVC okenných a dverových profilov, spoločnosti Inoutic / Deceuninck. Umožňuje vytvárať ľubovoľné zostavy prvkov, rezov a 3D vizualizácií s profilmi Eforte, Prestige a Arcade. Pre nadefinovanú zostavu profilov v kombinácii so zvoleným zasklením vypočíta tepelnoizolačné parametre (U) a statické vlastnosti (zaťaženie vetrom). Umožňuje tiež testovať osadenie okná v rôznych typoch ostení, vrátane výpočtov izoterm. V akejkoľvek fáze plánovania je možné vyexportovať všetky prvky do výkresovej dokumentácie pre CAD alebo vytlačiť zostavy pre vytvorenie projektu.
Softvér Inoutic Project Plan je zdarma na stiahnutie v českom jazyku po prihlásení na webových stránkach www.inoutic.sk/sk/architekti. V prípade záujmu je možné zabezpečiť záujemcom z radov odbornej verejnosti zaškolenie pre prácu s týmto softvérom.
Zdroj: PR článek společnosti Inoutic, spol. s r.o.









