Modernizácia tepelného hospodárstva v Slovenskej Grafii, a. s.
V oblasti priemyselnej výroby sa stále skrýva veľký potenciál na dosiahnutie energetických úspor. Spoločnosť Slovenská Grafia, a. s., líder slovenského polygrafického priemyslu, sa v roku 2015 rozhodla investovať do úspor energie formou maximálneho využívania odpadového tepla z výrobného procesu.
Pohľad do histórie a hľadanie riešenia
Vo výrobnom areáli Slovenskej Grafie, a. s., v Bratislave-Krasňanoch boli pôvodne inštalované tlačiarenské stroje s hĺbkotlačovou technológiou (1971), ktoré potrebovali na svoju prevádzku strednotlakovú paru (obr. 1). Z toho dôvodu bola vybudovaná parná kotolňa s celkovým inštalovaným výkonom 30 ton pary za hodinu (približne 22 MW) vrátane kapacitných rezerv na ďalší rozvoj a dodávku tepla mimo areálu Slovenskej Grafie. V rokoch 2011 až 2012 sa uskutočnila výmena pôvodných hĺbkotlačových tlačiarenských strojov, inštalovali sa dva nové veľkokapacitné rotačné ofsetové stroje, ktoré namiesto technologickej pary (bola potrebná na rekuperáciu toluénu) využívajú zemný plyn ako zdroj tepelnej energie na schnutie ofsetovej tlačiarenskej farby.
Obr. 1 Pôvodné tlačiarenské stroje
Vtedy došlo k prvému významnému zníženiu potreby dodávky pary z centrálnej areálovej kotolne. V roku 2012 sa celkom zrušila hĺbkotlač, požiadavka na dodávku pary sa tak obmedzila už iba na vlhčenie a dodávku tepla na vykurovanie a prípravu teplej vody. Prevádzka centrálnej parnej kotolne sa stala veľmi neefektívnou. V nadväznosti na neefektívne fungovanie kotolne nastalo obdobie hľadania vhodného riešenia s cieľom zvýšiť efektívnosť prevádzky tepelného hospodárstva. Z viacerých variantov riešenia (technických a finančných) sa investor logicky rozhodol pre využívanie odpadového tepla z výrobných zariadení, spojené so zmenou teplonosného média.
Navrhnuté riešenie
Návrh technického riešenia vychádzal z tohto základného zadania:
- spracovať podrobnú bilanciu potreby tepla vo výrobnom areáli,
- zmeniť teplonosné médium z pary na teplú vodu,
- optimalizovať tepelný výkon navrhovaných zdrojov tepla,
- inštalovať zdroje tepla priamo vo výrobných priestoroch (rekuperátory na tlačiarenských strojoch),
- inštalovať špičkový, resp. záložný plynový kotol v jednej z odovzdávacích staníc tepla,
- prepojiť viaceré zdroje tepla rozmiestnené vo výrobnom areáli do jedného funkčného celku,
- zabezpečiť automatizáciu prevádzky zásobovania teplom.
Bilancia potreby tepla
Podľa dostupných podkladov (energetický audit z roku 2013 doplnený o spotreby energií za rok 2014, informácie o časovom priebehu prevádzky výrobných zariadení…) bola spracovaná aktualizácia bilancie potreby tepla vo výrobnom areáli – podrobne štruktúrovaná z hľadiska času a druhu spotreby. Celková ročná potreba tepla v areáli Slovenskej Grafie vyšla približne 3 150,5 MWh (11 350 GJ), z toho 3 000,5 MWh na vykurovanie a 150,0 MWh na prípravu teplej vody (tab. 1). Následne sa viacerými spôsobmi stanovili hodnoty maximálneho potrebného tepelného príkonu (1 400 až 1 700 kW), na základe čoho sa zvolila optimálna hodnota tepelného výkonu inštalovaných zariadení.
Optimálny návrh zdrojov tepla
Pri návrhu bolo treba zohľadniť tieto dôležité skutočnosti:
- výroba v Slovenskej Grafii je nepretržitá (tri zmeny denne, výroba sa počas roka prerušuje maximálne na dva dni),
- časový fond prevádzky výrobných zariadení je vysoký (viac ako 6 500 h/rok); pri plánovaných odstávkach ofsetových strojov (údržba, servis, prestavenie výroby) býva mimo prevádzky iba jeden stroj,
- keďže rekuperátory nebudú riadené podľa potreby tepla, ale podľa prevádzky výrobných zariadení, považujú sa za nestabilné zdroje tepla a v návrhu sa tak nepočíta s ich maximálnym tepelným výkonom,
- plynový kotol sa bude využívať iba ako špičkový, resp. záložný zdroj tepla.
Na pokrytie potreby tepla sa navrhla takáto výkonová skladba zdrojov tepla:
- 3× rekuperátor tepla s tepelným výkonom 350 kW, 1× rekuperátor tepla s tepelným výkonom 280 kW, spolu 1 300 kW (teoreticky až 1 900 kW),
- 1× plynový nízkoteplotný kotol s tepelným výkonom 440 kW.
Na základe toho sa počíta s celkovým maximálnym tepelným výkonom zdrojov tepla 1 770 kW.
Inštalované rekuperátory tepla
Inštalácia rekuperátorov tepla na ofsetové tlačiarenské stroje umožnila zhodnocovať predtým nevyužité teplo obsiahnuté v spalinách, ktorých teplota dosahuje pri plnej prevádzke až 380 °C (obr. 2 a 5).
Obr. 2 Inštalácia rekuperátora tepla
Inštalovali sa 4 ks rekuperátorov tepla od spoločnosti HTT energy systems GmbH (Nemecko):
- ER-Box 6000 (3 ks), tepelný výkon maximálny/priemerný/minimálny: 500/350/140 kW,
- ER-Box 4000 (1 ks), tepelný výkon maximálny/priemerný/minimálny: 400/280/110 kW.
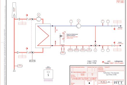
Dva rekuperátory sa osadili priamo na tlačiarenské stroje v novej ofsetovej hale, ďalšie dva do technických priestorov vedľa starších tlačiarenských strojov. V rekuperátoroch dochádza k ochladzovaniu spalín z 380 na 120 °C, teplo sa odovzdáva vykurovacej vode s výpočtovým teplotným spádom 90/70 °C. Prevádzka rekuperátorov sa riadi automaticky – podľa výstupnej teploty vykurovacej vody sa riadi prietokové množstvo spalín cez rekuperátor.
Inštalovaný plynový kotol
Na vykrývanie odberových špičiek, resp. ako záložný zdroj tepla (pri nedostatku dodávky tepla z rekuperátorov), sa inštaloval nízkoteplotný kotol Viessmann Vitoplex s horákom Weishaupt WG40 a maximálnym tepelným výkonom 440 kW. Kotol je umiestnený v priestore bývalej odovzdávacej stanice VS-A. V súvislosti s tým sa vybudoval aj odvod spalín a priestor sa upravil na potreby plynovej kotolne III. kategórie v zmysle STN 07 0703.
Potrubné prepojenia
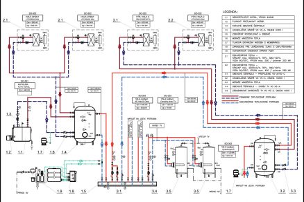
Rozhodujúcim pri prevádzke tepelného hospodárstva Slovenskej Grafie sa stal priestor bývalej odovzdávacej stanice tepla VS-A, podružnou potom bývalá odovzdávacia stanica VS-C. Do odovzdávacej stanice VS-A sa privádza teplo z dvoch rekuperátorov inštalovaných na tlačiarenských strojoch v novej ofsetovej hale, osadený je tu plynový kotol na krytie odberových špičiek, zariadenie na udržiavanie tlaku, úpravňa vody, centrálny rozdeľovač a zberač vykurovacej vody. Do druhej odovzdávacej stanice VS-C sa privádza teplo z dvojice rekuperátorov tepla osadených v blízkosti starších tlačiarenských strojov v pôvodnej výrobnej hale. Dôležitým prvkom tepelného hospodárstva sú dve veľké akumulačné nádrže (objem 6,3 a 10,0 m3) osadené v každej odovzdávacej stanici tepla, ktoré sú určené na vykrývanie nerovnomernosti v dodávke tepla z rekuperátorov.
Odovzdávacie stanice tepla, vzdialené viac ako 200 m od seba, sa navzájom prepojili teplovodným potrubným vedením. Sekundárne odberné vetvy v oboch VS zostali zachované (vykurovanie, vzduchotechnika, príprava teplej vody). Z pohľadu regulácie prevádzky tepelného hospodárstva sa navrhlo riešenie, ktoré umožňuje akumuláciu tepla v oboch akumulačných nádržiach a prepojovacom potrubí a umožňuje distribuovať prebytočné teplo variantne – z VS-A do VS-C alebo opačne. To sa dosiahlo riadením prevádzky obehových čerpadiel v prepojovacom potrubí medzi odovzdávacími stanicami VS-A a VS-C podľa rozdielu teplôt v spodnej časti oboch akumulačných nádrží. Výsledným riešením vznikol pomerne netradičný tepelný zdroj, ktorého jednotlivé zariadenia sú rozmiestnené vo viacerých priestoroch (odovzdávacie stanice, výrobné haly, technické priestory) potrubne a funkčne prepojených do jedného celku. Celková schéma zapojenia zdrojov tepla je na obr. 3.
Obr. 3 Celková schéma zapojenia zdrojov tepla
Očakávané úspory
Investor (prevádzkovateľ) očakáva od využívania odpadového tepla z výrobných zariadení ďalšie výrazné zníženie spotreby zemného plynu na zásobovanie teplom (vykurovanie, príprava teplej vody). K prvej významnej úspore zemného plynu v areáli Slovenskej Grafie došlo už inštalovaním nových technologických zariadení v roku 2012. Celková spotreba zemného plynu klesla vtedy o viac ako 1 000 000 m3/rok, čo oproti predchádzajúcemu obdobiu znamenalo úsporu na úrovni približne 25 %.
Východiskový stav na stanovenie prevádzkových úspor
V roku 2014 bola spotreba zemného plynu (podľa údajov investora) takáto:
- kotolňa (vykurovanie, príprava TV, vlhčenie): približne 608 000 m3/rok,
- technológia (priama spotreba zemného plynu v technologických zariadeniach): približne 2 609 000 m3/rok.
Ako sme už uviedli, na základe údajov z energetického auditu je celková potreba tepla na vykurovanie a prípravu teplej vody v areáli približne 3 150 MWh/rok. Keďže na pokrytie uvedeného množstva tepla sa v roku 2014 spotrebovalo zhruba 600 000 m3 zemného plynu, celková účinnosť prevádzky starej parnej kotolne dosahovala iba 65 % (v porovnaní s energiou dodanou v zemnom plyne).
Obr. 4 Schéma zapojenia rekuperátora tepla
Množstvo tepla získané z rekuperátorov
Predpokladaný spôsob krytia potreby tepla je uvedený v tab. 2. Z týchto údajov vyplýva, že:
- využiteľné množstvo tepla získané z rekuperátorov bude približne 2 815,7 MWh/rok, tzn. asi 89 % celkovej ročnej potreby tepla na vykurovanie a prípravu teplej vody (teoreticky možno z rekuperátorov získať približne až 6 100 MWh/rok, no hlavne v letnom období nie sú vytvorené podmienky na jeho využitie),
- plynový kotol dodá špičkové množstvo tepla asi 334,8 MWh/rok, tzn. približne 11 % celkovej ročnej potreby tepla, čo predstavuje spotrebu plynu na úrovni asi 38 000 m3/rok.
Graf krytia potreby tepla je na obr. 6.
Úspory očakávané po inštalovaní rekuperátorov tepla
Inštalovaním rekuperátorov tepla sa nezmení spotreba zemného plynu pri prevádzke technológií – naďalej bude závisieť iba od spôsobu využívania výrobných zariadení. Dôjde však k výraznej úspore pôvodnej spotreby zemného plynu v kotolni, ktorú môžeme porovnať so spotrebou plynu v novom kotle. Za porovnávaciu rovinu si zvolíme skutočnú spotrebu zemného plynu v kotolni za rok 2014 v objeme 608 000 m3. Po inštalácii rekuperátorov tepla je predpokladaná spotreba zemného plynu v kotle 38 000 m3/rok (334,78 MWh), tzn. očakávaná úspora je až 570 000 m3/rok (5 021,7 MWh/rok), čo z pohľadu ochrany životného prostredia predstavuje zároveň významné zníženie emisií CO2 – približne o 1 100 t/rok. Z podhľadu finančných nákladov prevádzkovateľa pôjde o úsporu asi 166 000 €/rok (pri uvažovanej cene zemného plynu 33,00 €/MWh). Pri celkových investičných nákladoch takmer 480 000 € je tak očakávaná návratnosť investície približne 2,9 roka.
Obr. 5 Rekuperátor na tlačiarenskom stroji
Obr. 6 Graf krytia potreby tepla
Záver
Významné prevádzkové úspory možno dosiahnuť aj napriek tomu, že reálne sa bude využívať necelá polovica objemu tepla, ktoré možno získať z rekuperátorov počas roka (celkom až vyše 6 000 MWh/rok). Tak ako je v našich podmienkach obvyklé, v letnom období je množstvo využiteľného tepla veľmi nízke (iba príprava teplej vody v areáli). Do budúcnosti preto zostáva otvorená otázka zvýšenia využitia letného tepla, napríklad na absorpčné chladenie.
Foto a obrázky: Racen, spol. s r. o.
Článek byl uveřejněn v časopisu TZB HAUSTECHNIK.



















