Nová európska legislatíva pre systémy využitia zrážkovej a sivej vody v budovách
Možnosti využitia zrážkovej vody sú všeobecne veľmi dobre známe. Pri súčasnej spotrebe pitnej vody na úrovni približne 100 l/os. a deň (v minulosti to bolo až 300 l/os. a deň) možno ušetriť približne 50 % pitnej vody. O nutnosti šetrenia pitnou vodou sa veľmi veľa hovorí, avšak málo koná, predovšetkým v legislatíve. Aj napriek tomu, že progresívne technologické systémy na využitie zrážkovej a sivej vody existujú, tejto téme sa na Slovensku nevenuje žiadny legislatívny predpis alebo vyhláška. Od 1. apríla však u nás platí nová európska norma.
Pitnou vodou neustále splachujeme, perieme, zalievame ňou dokonca zeleň. Pritom realizujeme len veľmi málo zelených striech a dotácie na využitie zrážkovej vody neexistujú. Po dopade zrážkovej vody z ovzdušia na zemský povrch, prípadne na povrchy budov, hovoríme o zrážkovej vode z povrchového odtoku. K alternatívnym riešeniam odvodu zrážkovej vody z povrchu budov a spevnených plôch patrí jej zadržiavanie (akumulácia) priamo na pozemku s možnosťou využitia na prevádzkové účely v budove (splachovanie, čistenie, polievanie) alebo vsakovanie so zachovaním dostatku vlahy pre zelené plochy. Na udržanie prirodzeného kolobehu vody by sa mala prebytočná nevyužitá zrážková voda vypustiť do povrchových vôd, odtok zrážkovej vody do kanalizačného systému by sa mal realizovať iba vtedy, keď nie je žiadna iná možnosť. Táto požiadavka, žiaľ, nie je v našich vyhláškach spomenutá.
Prvou lastovičkou v tejto oblasti je nová európska norma EN 16941 Miestne systémy na úžitkovú vodu, Časť 1: Systémy na použitie dažďovej vody [1], ktorá na Slovensku nadobudla platnosť 1. 4. 2018. Druhá časť, ktorá je v pripomienkovom konaní, sa bude venovať systémom na využitie sivej vody [2]. Obsah noriem nezahŕňa problematiku pitnej vody, vody na prípravu potravín a osobnú hygienu. Definície a označenie pitnej a nepitnej (prevádzkovej alebo úžitkovej) vody uvádza STN EN 806 – 2 [3] (obr. 1). V európskej legislatíve, napr. podľa STN EN 12056-1 [9], sa používajú termíny čierna alebo sivá voda pre splaškovú odpadovú vodu – čierna voda obsahuje fekálie a moč, sivá voda neobsahuje fekálie a moč. Vyčistená alebo dezinfikovaná sivá voda sa často označuje ako biela voda, ktorá sa môže opäť využívať ako voda na splachovanie, čistenie, polievanie a na iné prevádzkové účely.
![]() |
![]() |
| Obr. 1 Symbol pitnej a nepitnej (prevádzkovej) vody podľa STN EN 806-2 | |
Zariadenia na využitie zrážkovej vody
Nová európska norma EN 16941-1 stanovuje základné odporúčania na navrhovanie, projektovanie, montáž, označovanie, uvedenie do prevádzky a údržbu zrážkovej vody z povrchového odtoku. Zrážkovú vodu sa odporúča využívať predovšetkým na splachovanie WC, pranie, zavlažovanie, v klimatizačných systémoch či na čistenie povrchov a pod. pri všetkých druhoch nehnuteľností (bytové domy, občianske budovy, priemyselné podniky a areály, hotely, cesty, parky, golfové ihriská, rekreačné parky, parkoviská, štadióny a pod).
Obsahom normy je podrobný opis návrhu zariadení na využitie zrážkovej vody z hľadiska kvality zozbieranej vody (podľa druhu povrchu) a tiež z hľadiska množstva zozbieranej vody podľa danej lokality. Norma sa zaoberá podmienkami, materiálmi a spôsobom akumulácie zrážkovej vody, doplňovaním zásobníkov pitnou vodou v súlade s STN EN 1717 [4], čerpacími zariadeniami, meraním dodávky úžitkovej vody do objektu a pod. Každé zariadenie na využitie zrážkovej vody pritom pozostáva z týchto základných funkčných častí:
- zber zrážkovej vody,
- úprava,
- akumulácia,
- distribúcia (zásobovanie).
Zariadenia na využitie zrážkovej vody musia byť navrhnuté, inštalované, označené, prevádzkované a udržiavané takým spôsobom, aby bola vždy zabezpečená potrebná prevádzková bezpečnosť a aby sa potrebné údržbárske práce mohli vykonávať jednoducho. Zariadenia na využitie zrážkovej vody nesmú zapríčiniť záplavy, preto musia zahŕňať potenciálne obtoky a adekvátne dimenzované priepady.
Vplyv druhu povrchu na kvalitu vody
Pri navrhovaní zariadenia sa musí zvážiť kvalita a druh odvodňovanej plochy (napríklad strešné plochy alebo spevnené povrchy), a to v závislosti od zamýšľaného využitia zrážkovej vody. Musia sa zvážiť znečisťujúce látky z iných blízkych zdrojov, napríklad z dopravy, priemyslu či od zvierat. Bežné strešné materiály, napríklad keramické alebo bridlicové škridle, nemajú žiadne negatívne účinky na kvalitu zozbieranej zrážkovej vody, no iné strešné materiály môžu mať nepriaznivý vplyv na jej kvalitu (tab. 1) [1] .
![]() |
Výpočet objemu získanej zrážkovej vody z odbernej plochy
Množstvo zozbieranej zrážkovej vody je ovplyvnené druhom povrchu odbernej plochy. Tento vplyv zohľadňuje koeficient odtoku e (tab. 2).
Objem získanej zrážkovej vody v litroch sa vypočíta podľa [1] ako
Yr = A × h × e × η (1)
kde
Yr je zozbieraný (získaný) objem zrážkovej vody za časovú jednotku t v litroch,
A – priamy priemet odvodňovanej strechy alebo zbernej plochy v m2,
h – intenzita dažďa za zvolenú časovú periódu t (rok, mesiac, deň) v mm podľa lokality,
e – súčiniteľ odtoku odvodňovaného povrchu podľa tab. 2 (–); súčiniteľ odtoku odvodňovaného povrchu e sa líši od koeficientu odtoku zrážkovej vody C definovaného v norme EN 12056-3, ktorý sa používa na dimenzovanie potrubia,
η – súčiniteľ hydraulickej účinnosti (–), ktorý zohľadňuje pomer odtoku zrážkovej vody a prítoku zozbieranej zrážkovej vody; ak výrobca neurčí inak, počíta sa s η = 0,9.
Výpočet potreby prevádzkovej vody
Potreba prevádzkovej vody D sa odhaduje na základe predpokladaného účelu použitia – na využitie vody osobami alebo na iné prevádzkové účely. Pre osobnú potrebu sa môže počítať napríklad potreba vody na splachovanie toaliet. Potreba prevádzkovej vody v litroch za deň sa vypočíta podľa [1] ako
Dp, d = Dp × n (2)
kde
Dp, d je denná potreba prevádzkovej vody v litroch za deň,
Dp – denná potreba prevádzkovej vody v litroch na obyvateľa a deň,
n – počet osôb.
S prevádzkovou vodou sa môže počítať aj pri tzv. neosobnej potrebe Df, napríklad pri zavlažovaní zelených plôch, ihrísk, pri priemyselných a iných budovách .
Potreba prevádzkovej vody na osobu za rok Dp,a sa vypočíta ako
Dp,a = Dp,d × 365 × n (3)
kde
Dp je potreba prevádzkovej vody v litroch za rok,
Dp,d – denná potreba prevádzkovej vody v litroch na osobu a deň,
n – počet osôb.
Na stanovenie objemu zásobníka pri zvolenej časovej perióde sa vypočíta celková denná potreba prevádzkovej vody pre osoby a na iné prevádzkové účely DN,d v litroch za deň ako
DN,d = Dp,d + Df,d (4)
Objem zásobníka v litroch bude
V = DN,d × dd (5)
kde
DN,d je potreba prevádzkovej vody v litroch za deň,
Dp,d – denná potreba nepitnej vody v litroch na osobu a deň,
Df,d – maximálna denná potreba prevádzkovej vody na iné účely, napr. zalievanie, čistenie a pod., v litroch za deň,
V – objem zásobníka v litroch,
dd – počet dní na akumuláciu vody; volí sa napr. 15, 18, 20 dní a pod.
Príklad:
Potreba prevádzkovej vody pre 4 osoby za deň: 4 × 50 l/d.
Potreba prevádzkovej vody na čistenie: 100 l/d.
Potreba vody na zavlažovanie (v čase sucha): 1 000 l/d.
Celková potreba vody: DN,d = (4 × 50) + 100 + 1 000 = 1 300 l/d.
Počíta sa s objemom vody do zásoby napríklad na 20 dní, objem zásobníka sa potom vypočíta ako V = 1 300 l/d × 20 = 26 000 l = 26 m3.
Zabezpečenie hygienickej prevádzky zariadení na využitie zrážkovej vody
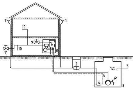
Zásobníky zrážkovej vody môžu byť nadzemné alebo podzemné, vyrábajú sa v objemoch od 1 až po 50 m3. Z hľadiska vplyvu svetla a tepla sú vhodnejšie podzemné zásobníky, ktoré by sa mali umiestniť min. 0,8 m pod terénom a možno ich využiť celoročne (obr. 2) [16]. Teplota vody v hĺbke približne 1 m je stála, na úrovni okolo 10 °C. Teplota akumulovanej vody v zásobníku by nemala prekročiť 16 °C. Pred vstupom do zásobníka musí byť osadený filter, ktorý môže byť na odpadovom dažďovom potrubí alebo na ležatej kanalizácii pod terénom (obr. 2), prípadne ešte aj vo vnútri zásobníka. Dôležité je vyriešiť prívod zrážkovej vody tzv. ukľudňujúcim prítokom, ktorého úlohou je zabrániť víreniu vody v zásobníku. Priepadové potrubie môže byť priamo pripojené na dažďový kanalizačný systém alebo odvedené do vsakovacieho priestoru na pozemku.
Obr. 2 Príklad technologického zariadenia na využitie zrážkovej vody v rodinnom dome
1 – zásobník zrážkovej vody, 2 – filter, 3 – tzv. ukľudňujúce prítokové potrubie zrážkovej vody, 4 – priepadové potrubie, 5 – ponorné čerpadlo s plavákovým spínačom, 6 – riadiaca jednotka, 7 – rozvodné potrubie prevádzkovej vody, 8 – elektrokábel pre senzor a čerpacie zariadenie, 9 – tlakové potrubie, 10 – dopĺňacie potrubie z čerpadla, 11 – dopĺňanie, prívod pitnej vody, 12 – priepad
Pri využití zrážkovej vody je dôležitá ochrana proti znečisteniu pitnej vody v budovách. Podľa STN EN 1717 [4] sú tekutiny z hľadiska kvality a hygienického rizika použitia rozdelené do piatich tried. Zrážková voda z povrchového odtoku (zo striech, povrchov budov a spevnených plôch) je kvapalinou triedy 5, čo predstavuje tekutinu, ktorá je nebezpečná pre ľudské zdravie vzhľadom na možnú prítomnosť mikrobiologických látok a vírusov. Z tohto hľadiska musí byť zabezpečená ochrana pitnej vody hlavne pri dopĺňaní akumulačných zásobníkov alebo zariadení na dopĺňanie zrážkovej vody pitnou vodou.
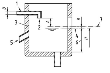
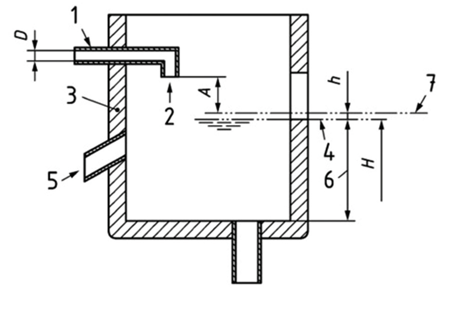
Obr. 3 Voľný výtok s nekruhovým priepadom – ochranná jednotka AB [6]
1 – prívodné potrubie, 2 – voľný výtok, 3 – prerušovacia nádrž, 4 – hladina priepadu, 5 – priepadové potrubie, 6 – výška odo dna po spodnú hranu priepadu Uw (Uw ≥ 5 h), 7 – kritická hladina, A – vzduchová medzera (zvislá vzdialenosť, min. 20 mm), D – vnútorný priemer prívodného potrubia, H – maximálna prevádzková hladina vody, h – zvislá vzdialenosť medzi spodnou hranou priepadu a kritickou hladinou vody
Podľa STN EN 1717 sa musí dopĺňanie riešiť cez prerušovaciu nádrž s ochrannou jednotku – tzv. voľným výtokom typu:
- AA podľa STN EN 13076 [5], tzv. neobmedzený voľný výtok, alebo
- AB podľa STN EN 13077 [6] (obr. 3), tzv. neobmedzený voľný výtok s nekruhovým priepadom, alebo
- AD podľa STN EN 13079 [7], tzv. voľný výtok s injektorom.
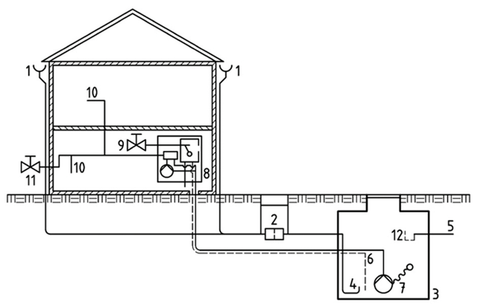
Pri prerušovacích nádržiach na dopĺňanie pitnou vodou sa používa najčastejšie voľný výtok typu AB, kde sa musí presne stanoviť výška vzduchovej medzery A a výška h (obr. 3). Príklad použitia ochrannej jednotky s voľným výtokom AB na dopĺňanie zásobníka zrážkovej vody je na obr. 4 [1].
Obr. 4 Príklad použitia ochrannej jednotky s voľným výtokom AB na dopĺňanie zásobníka zrážkovej vody pitnou vodou
1 – strešný žľab s odpadovým potrubím, 2 – filter, 3 – zásobník zrážkovej vody, 4 – prítok zrážkovej vody, 5 – priepadové potrubie, 6 – snímač, plavákové zariadenie, 7 – čerpadlo s plavákovým zariadením, 8 – modul vrátane čerpadla, ovládanie čerpadla s ochranou proti chodu v suchom stave a dopĺňaním pitnou vodou s voľným výtokom typu AB, 9 – prívod pitnej vody, 10 – potrubie prevádzkovej vody, napr. WC, práčka a pod., 11 – prívod prevádzkovej vody na polievanie zelene, 12 – zápachový uzáver
Záver
Technologické zariadenia na využívanie zrážkovej a sivej vody sa na Slovensku v súčasnosti navrhujú pri tých budovách, kde sú vopred rozumne stanovené požiadavky na jej využitie. Je to predovšetkým o erudovanosti a názore investora a o spolupráci s projektantom zdravotnej techniky, aby projekt, využitie a následná prevádzka týchto zariadení boli ekonomicky a hlavne ekologicky trvalo udržateľné. Je isté, že v budúcnosti sa bude bežne napríklad aj v bytových domoch navrhovať delená splašková kanalizácia (na čiernu a sivú vodu) a tiež delený vodovod na pitnú a prevádzkovú vodu. Vyššie investičné náklady na delenú kanalizáciu aj vodovod v budove však v konečnom dôsledku budú maximálne šetriť vzácnou pitnou vodou a tiež menej zaťažovať stokové siete.
Prvá časť STN EN 16941 pre oblasť využitia zrážkovej vody platí na Slovensku od 1. 4. 2018 zatiaľ v anglickej verzii, druhá časť by mala nadobudnúť účinnosť do augusta 2018. Obe časti normy obsahujú okrem metodiky návrhu aj požiadavky na kvalitu dodávanej vody, kontrolu a údržbu jednotlivých zariadení. Na prevádzku a údržbu celého technologického zariadenia musí byť vypracovaný prevádzkový poriadok, ktorého dodržiavanie zabezpečuje prevádzkovateľ budovy.
doc. Ing. Jana Peráčková, PhD.
Autorka pôsobí na Katedre TZB SvF STU v Bratislave.
Recenzoval: prof. Ing. Jaroslav Valášek, PhD.
Obrázky: autorka, isifa/Shutterstock
Článok vznikol s podporou grantových projektov Ministerstva školstva, vedy, výskumu a športu SR VEGA 1/0807/17 a VEGA 1/0847/18.
Literatúra
- STN EN 16941 -1: Miestne systémy na úžitkovú vodu. Časť 1: Systémy na použitie dažďovej vody. 2018.
- FprEN 16941 -2 : Vor-Ort-Anlagen für Nichttrinkwasser — Teil 2: Anlagen für die Verwendung von behandeltem Grauwasser (v príprave).
- STN EN 806-2: Technické podmienky na zhotovovanie vodovodných potrubí na pitnú vodu vnútri budov. Navrhovanie. 2005.
- STN EN 1717: Ochrana pitnej vody pred znečistením vo vnútornom vodovode a všeobecné požiadavky na zabezpečovacie zariadenia na zamedzenie znečistenia pri spätnom prúdení. 2002.
- STN EN 13076: Zariadenie na zamedzenie znečistenia pitnej vody pri spätnom prúdení. Neobmedziteľné vzduchové medzery. Skupina A. Typ A. 2003.
- STN EN 13077: Zariadenie na zamedzenie znečistenia pitnej vody pri spätnom prúdení. Vzduchová medzera bez kruhového priepadu (neobmedzený). Skupina A. Typ B. 2008.
- STN EN 13079: Zariadenie na zamedzenie znečistenia pitnej vody pri spätnom prúdení. Voľný výtok s injektorom. Skupina A. Typ D. 2004.
- STN EN 16323: Glossary of wastewater engineering terms. 2014.
- STN EN 12056-1: Gravitačné kanalizačné systémy vnútri budov. Časť 1: Všeobecné a funkčné požiadavky. 2002.
- STN EN 12056-2: Gravitačné kanalizačné systémy vnútri budov. Časť 2: Potrubia pre splaškové odpadové vody. Navrhovanie a výpočet. 2002.
- STN EN 12056-3: Gravitačné kanalizačné systémy vnútri budov. Časť 3: Odvodnenie striech. Navrhovanie a výpočet. 2002.
- STN EN 12056-4: Gravitačné kanalizačné systémy vnútri budov. Časť 4: Čerpacie stanice odpadových vôd. Navrhovanie a výpočet. 2002.
- STN EN 12056-5: Gravitačné kanalizačné systémy vnútri budov. Časť 5: Inštalácia a skúšanie, pokyny na prevádzku, údržbu a použitie. 2002.
- STN EN 752 : Stokové siete a systémy kanalizačných potrubí mimo budov. Manažérstvo systémov kanalizačných potrubí. 2017.
- Valášek, J. a kol.: Zdravotnotechnické zariadenia budov. Bratislava: JAGA Group, 2005.
- Dostupné na: http://www.krauss-urloffen.de/regen.html.
Článok bol uverejnený v časopise TZB Haustechnik 2/2018.













![Obr. 3 Voľný výtok s nekruhovým priepadom – ochranná jednotka AB [6] 1 – prívodné potrubie, 2 – voľný výtok, 3 – prerušovacia nádrž, 4 – hladina priepadu, 5 – priepadové potrubie, 6 – výška odo dna po spodnú hranu priepadu Uw (Uw ≥ 5 h), 7 – kritická hladina, A – vzduchová medzera (zvislá vzdialenosť, min. 20 mm), D – vnútorný priemer prívodného potrubia, H – maximálna prevádzková hladina vody, h – zvislá vzdialenosť medzi spodnou hranou priepadu a kritickou hladinou vody](/wp-content/uploads/images/fotogaleria/fotogalerie/stavebnictvo/nova_europska_legislativa_pre_systemy_vyuzitia_zrazkovej_a_sivej_vody_v_budovach_foto/3.jpg)




