Komparácia gravitačného a podtlakového odvodnenia striech z ekonomického hľadiska
Ako vyzerá porovnanie investičných nákladov na gravitačný a podtlakový systém? Výhody podtlakového odvodnenia striech sú všeobecne známe. Patrí medzi ne predovšetkým zjednodušené trasovanie ležatej kanalizácie pod strešnou konštrukciou spoločným zvodovým potrubím bez sklonu, menej odpadových potrubí s menšími dimenziami a väčšie prietoky strešných vtokov.
Bežné gravitačné strešné vtoky odvádzajú prietok zrážkovej vody od 2 do 6 l/s, podtlakové strešné vtoky môžu dosahovať kapacitný prietok až 25 l/s. Pri menších zrážkach funguje navrhnutý podtlakový systém ako gravitačný. Avšak pri prívalových dažďoch, keď sa zaplní celý prierez potrubia vodou a hladina vody na streche zaplaví strešný vtok v požadovanej výške, nastáva v plnom potrubí podtlakové prúdenie a voda odteká zo strechy veľkou rýchlosťou.
Investičné náklady na gravitačný a podtlakový systém
Strecha s plochou 500 m2
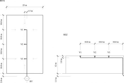
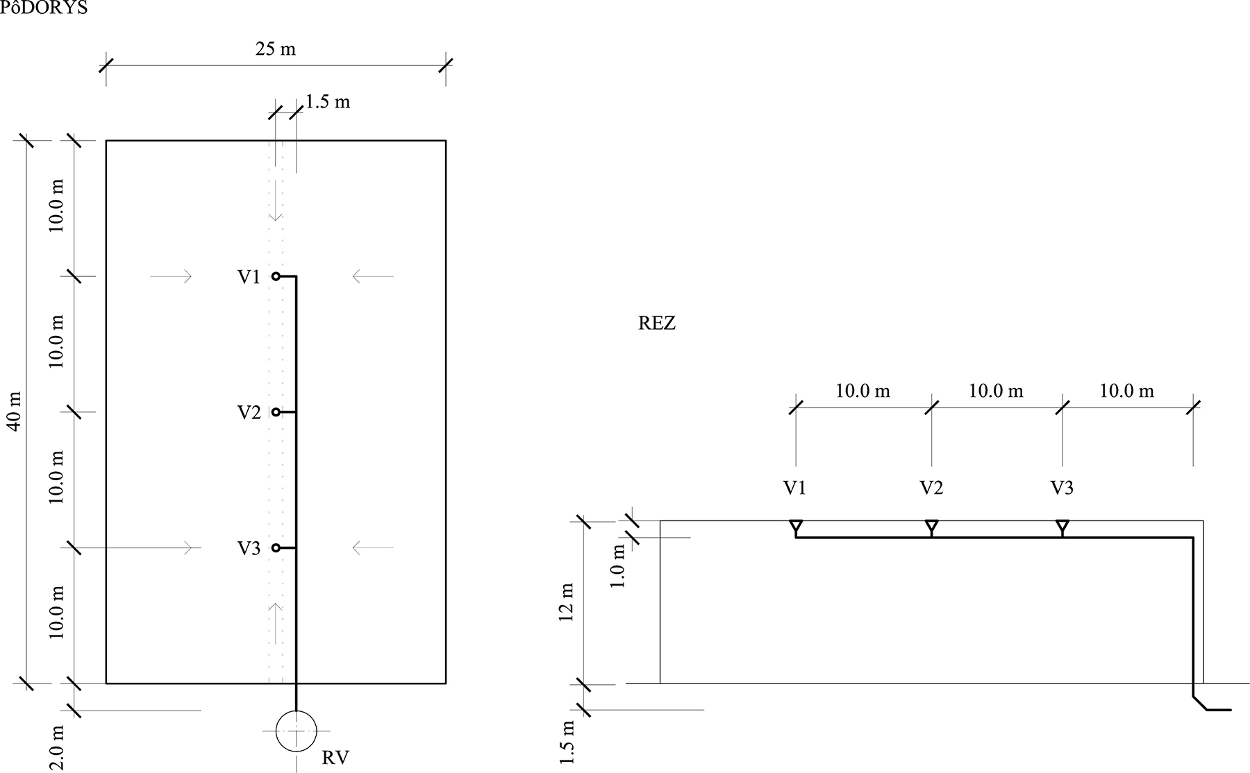
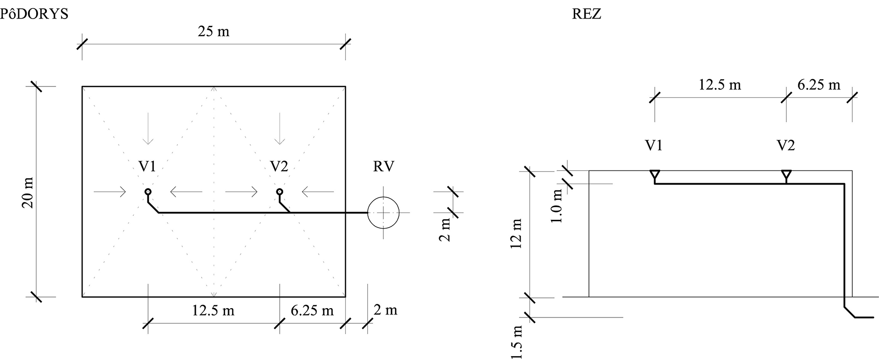
Na obr. 1 je pôdorys a rez halou so strechou s plochou 500 m2, ktorá je odvodnená gravitačným systémom. Hala má rozmery 25 × 20 m a je odvodnená tromi strešnými vtokmi a odpadovým potrubím DN 100, zvodové potrubie je DN 125. Výška haly je 12 m.
Obr. 1 Hala so strechou s plochou 500 m2 odvodnená gravitačným systémom – pôdorys a rez [5]
V tab. 1 je uvedená približná cenová kalkulácia materiálu potrebného na zrealizovanie gravitačného systému pre túto halu, cenová kalkulácia zahŕňa potrubný materiál, vtoky, tvarovky, kotviace prvky a zemné práce.
![]() |
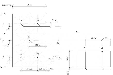
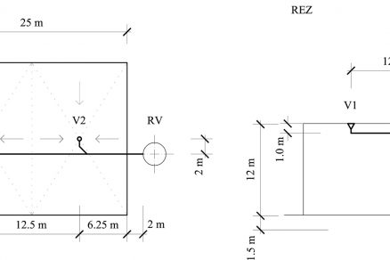
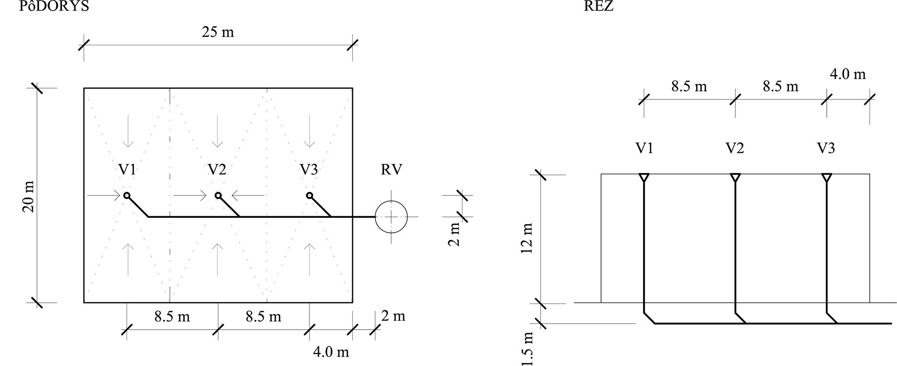
Na obr. 2 je pôdorys a rez takou istou halou s rozmermi 25 × 20 m odvodnenou podtlakovým systémom. Sú použité dva podtlakové strešné vtoky s kapacitou 12 l/s. Zvodové potrubie vedie pod stropom, odpadové potrubie DN 63 vedie popri stene až do šachty umiestnenej pred objektom.
Obr. 2 Hala so strechou s plochou 500 m2 odvodnená podtlakovým systémom – pôdorys a rez [5]
V tab. 2 je uvedená približná cenová kalkulácia materiálu potrebná na realizáciu odvodnenia strechy podtlakovým systémom.
![]() |
Strecha s plochou 1 000 m2
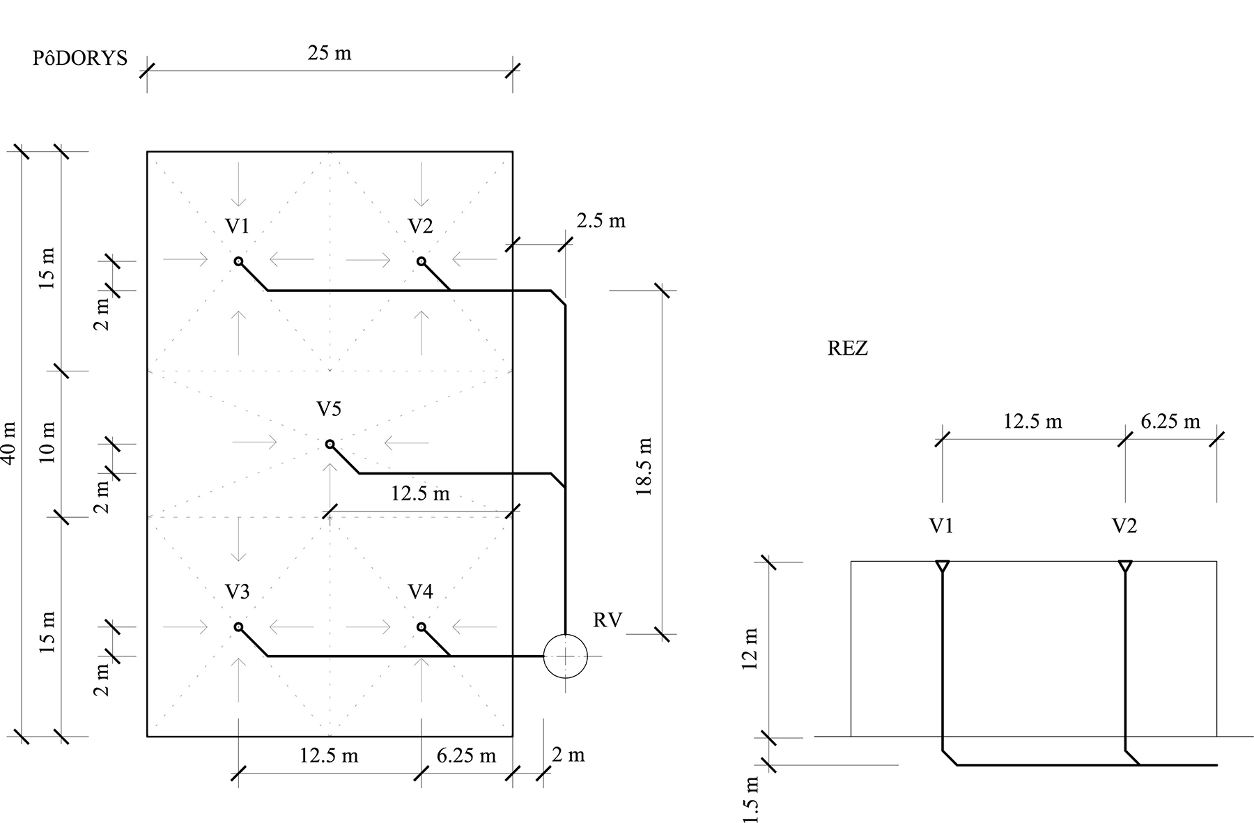
Na obr. 3 je pôdorys a rez halou so strechou s plochou 1 000 m2, ktorá je odvodnená gravitačným systémom. Hala má rozmery 25 × 40 m a je odvodnená piatimi strešnými vtokmi s odpadovým potrubím DN 100, zvodové potrubie je DN 125. Výška haly je 12 m.
Obr. 3 Hala so strechou s plochou 1 000 m2 odvodnená gravitačným systémom – pôdorys a rez [5]
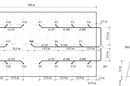
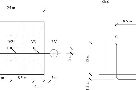
V tab. 1 je uvedená približná cenová kalkulácia materiálu potrebného na zrealizovanie gravitačného systému. Na obr. 4 je zobrazená taká istá hala s podtlakovým odvodnením s tromi podtlakovými strešnými vtokmi. Zvodové potrubie vedie pod stropom až k obvodovej konštrukcii, kde je odpadovým potrubím odvedené do revíznej šachty. V tab. 2 je cenová kalkulácia pri podtlakovom systéme.
Obr. 4 Hala so strechou s plochou 1 000 m2 odvodnená podtlakovým systémom – pôdorys a rez [5]
Strecha s plochou 5 000 m2
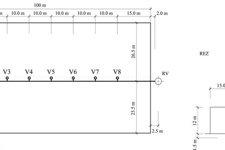
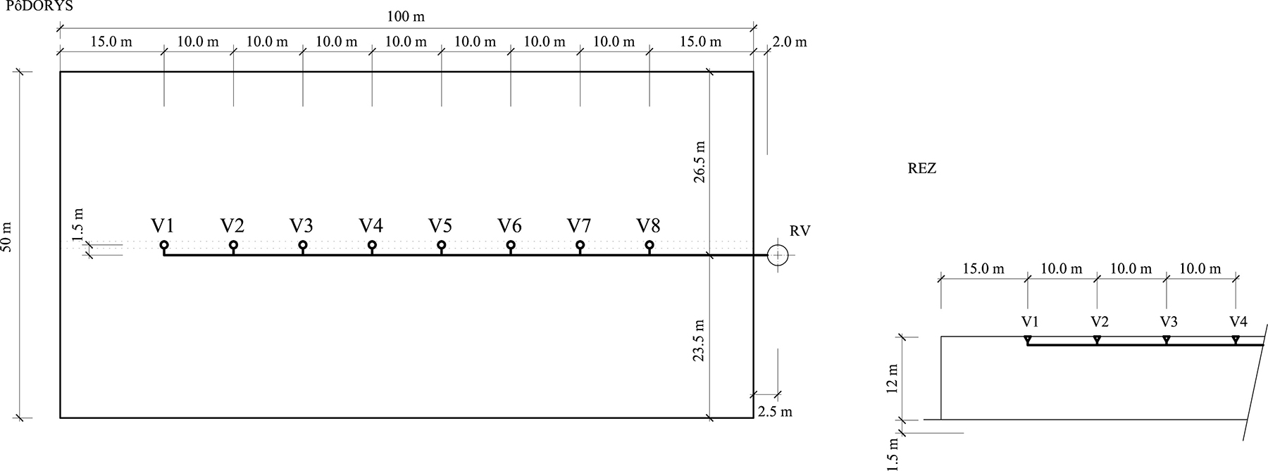
Na obr. 5 a 6 je pôdorys a rez halou so strechou s plochou 5 000 m2, ktorá je odvodnená gravitačným systémom. Hala má rozmery 100 × 50 m, potrebný počet strešných vtokov je 21 kusov s prietokom 6 l/s, odpadové potrubie je DN 100, zvodové potrubia sú DN 125, DN 150 a DN 200. Výška haly je 12 m. V tab. 1 je uvedená približná cenová kalkulácia materiálu potrebného na zrealizovanie gravitačného systému.
Obr. 5 a 6 Hala so strechou s plochou 5 000 m2 odvodnená gravitačným systémom – pôdorys a rez [5]
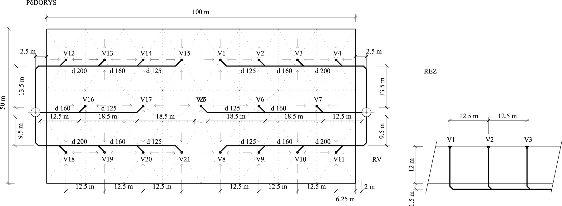
Na obr. 7 a 8 je zobrazená taká istá hala s podtlakovým odvodnením s ôsmimi podtlakovými strešnými vtokmi s kapacitou 25 l/s. Zvodové potrubie vedie pod stropom k obvodovej konštrukcii, kde klesá do zeme a je ukončené v revíznej šachte pred objektom. V tab. 2 je cenová kalkulácia pri podtlakovom systéme.
Obr. 7 a 8 Hala so strechou s plochou 5 000 m2 odvodnená podtlakovým systémom – pôdorys a rez [5]
Porovnanie nákladov podľa odvodňovanej plochy strechy od 5 000 do 15 000 m2
Podobným spôsobom ako pri strechách do 5 000 m2 boli spracované predpokladané náklady aj pri strechách s plochou 10 000 a 15 000 m2. V tab. 3 je porovnanie nákladov na realizáciu gravitačného a podtlakového systému pri halách s rôznymi strešnými plochami. Cenové kalkulácie pri podtlakovom systéme boli spracované na základe cenovej kalkulácie dodanej firmou. Pri gravitačnom systéme sa použil ten istý materiál, použili sa však gravitačné strešné vtoky s prietokom 6 l/s.
![]() |
Záver
Všeobecne pretrvávajúci názor, že realizácia podtlakových systémov odvodnenia striech je drahšia ako gravitačných systémov, nemusí byť opodstatnený. Pri porovnaní oboch systémov je zrejmé, že ceny nákladov na realizáciu podtlakového systému sú dokonca pri rôznych veľkostiach strešných plôch nižšie. Náklady na podtlakové strešné vtoky, ktorých je menej ako pri gravitačnom odvodnení, sa približne rovnajú, avšak náklady pri gravitačnom systéme výrazne zvyšujú zemné práce.
Veľký rozdiel v nákladoch predstavujú položky kotvenia, ktoré sú v porovnaní s gravitačnými systémami omnoho vyššie pri podtlakových systémoch, v niektorých prípadoch viac ako 20-násobne. Výraznejší rozdiel v celkových nákladoch vidieť najmä pri strešných plochách s veľkosťou 500 m2 a 1 000 m2, kde je percentuálny rozdiel ceny približne 20 až 40 %. Pri strešných plochách väčších ako 5 000 m2 sa náklady na realizáciu pri oboch systémoch začínajú približovať.
Ing. Lenka Jágerská, doc. Ing. Jana Peráčková, PhD.
Autorky pôsobia na Katedre TZB SvF STU v Bratislave.
Recenzovala: Ing. Taťjana Jánošková, PhD.
Schémy a obrázky: autorky
Literatúra
Chaloupka, K. – Svoboda, Z.: Ploché střechy, Praha: Grada Publishing, 2009.
Arthur S.: The Priming Focussed Design of Siphonic Roof Drainage. In: Proceedings of the 33rd International Symposium of CIB W062 on Water Supply and Drainage for Buildings [elektronický zdroj]: 19th – 21th September 2017, Brno, Czech Republic, 2009.
Ellinghaus, K. H.: Sanitärpraxis I. Be- und Entwässerung von Gebäuden. Konkordia GmbH, Buhl, 1991, s.179.
DIN 1986-100 Entwässerungsanlagen für Gebäude und Grundstücke, 2008.
Jágerská, L.: Analýza odvodnenia striech podtlakovými kanalizačnými systémami. Dizertačná práca. STU Bratislava 2017, s. 113.
Katalóg výrobkov 2016/2017 f. Geberit.
Článok bol uverejnený v časopise TZB Haustechnik 3/2017.








![Obr. 1 Hala so strechou s plochou 500 m2 odvodnená gravitačným systémom – pôdorys a rez [5]](/wp-content/uploads/images/fotogaleria/fotogalerie/stavebnictvo/porovnavanie_odvodnenia_striech_/01.jpg)

![Obr. 2 Hala so strechou s plochou 500 m2 odvodnená podtlakovým systémom – pôdorys a rez [5]](/wp-content/uploads/images/fotogaleria/fotogalerie/stavebnictvo/porovnavanie_odvodnenia_striech_/02.jpg)

![Obr. 3 Hala so strechou s plochou 1 000 m2 odvodnená gravitačným systémom – pôdorys a rez [5]](/wp-content/uploads/images/fotogaleria/fotogalerie/stavebnictvo/porovnavanie_odvodnenia_striech_/03.jpg)
![Obr. 4 Hala so strechou s plochou 1 000 m2 odvodnená podtlakovým systémom – pôdorys a rez [5]](/wp-content/uploads/images/fotogaleria/fotogalerie/stavebnictvo/porovnavanie_odvodnenia_striech_/04.jpg)

![Obr. 7 a 8 Hala so strechou s plochou 5 000 m2 odvodnená podtlakovým systémom – pôdorys a rez [5]](/wp-content/uploads/images/fotogaleria/fotogalerie/stavebnictvo/porovnavanie_odvodnenia_striech_/07.jpg)




