Použitie oceľových nosných prvkov v železobetónovóm skelete polyfunčného objektu
Architektúra objektov, ich dispozičné riešenia a prevádzková funkčnosť veľmi často, diktujú statikovi náročné podmienky, v ktorých sa len ťažko dá zabezpečiť statická bezpečnosť a použiteľnosť nosných prvkov a konštrukcií objektu bežným spôsobom. V takýchto prípadoch je potrebné hľadať netradičné riešenia.
Opis polyfunkčného objektu

Konštrukčná výška nadzemných podlaží v administratívnej časti je 3,600 m na 1. np a 3,300 m v ostatných np. V nadzemných podlažiach administratívnej časti polyfunkčného objektu architektúra požadovala kruhové stĺpy. Priemer stĺpov 850 mm bol navrhnutý s ohľadom na mimoriadnu kombináciu pri horizontálnom pôsobení seizmických síl. Vo vyšších podlažiach bol priemer kruhových stĺpov zmenšený na hodnotu 700 mm.
Nosnú konštrukciu stropov nadzemných podlaží v bytovej časti objektu tvoria spojité železobetónové monolitické dosky hrúbky 220 mm uložené na nosných stenách a prievlakoch.

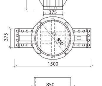
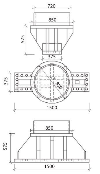
Prechod obdĺžnikového tvaru stĺpu na kruhový tvar pomocou prechodovej hlavice
Dispozičné usporiadanie podzemných podlaží predpokladaného polyfunkčného objektu, v ktorých boli umiestnené garáže, vyžadovalo, aby stĺpy mali čo najmenšiu šírku. Z tohto dôvodu boli v podzemných podlažiach navrhnuté obdĺžnikové stĺpy s rozmerom 1500 x 375 mm. V nadzemných podlažiach architektúra požadovala použitie kruhových stĺpov. Prechod tvaru z obdĺžnika na kruh bol limitovaný dĺžkou 600 mm. Ukázalo sa, že v rozsahu takej krátkej prechodovej dĺžky nie je možné prechod uskutočniť bez lokálneho oslabenia prierezu. Veľmi problematické bolo v mieste prechodu vystužiť prierez bez toho, aby bola výstuž koncentrovaná v malej prierezovej ploche. Najvhodnejším riešením problému bolo použitie oceľovej prechodovej hlavice (obr. 1).
Obr. 1 – Tvar plechovej hlavice – pohľad čelný, bočný, pôdorys
Hlavica je zvarená z plechu hrúbky 60 mm. Na spodu má pätku s rozmerom 1500/375 mm, v ktorej sú otvory pre prevlečenie výstuže spodného stĺpu. Táto výstuž sa po prevlečení cez otvory privarí o výstuhy pätky, čím sa zabezpečí prenos síl z výstuže do prechodovej hlavice. V hornej časti je kruhová platňa s priemerom 850 mm, na ktorú je privarený oceľový prstenec, slúžiaci na privarenie výstuže horného kruhového stĺpu. Medzi spodnou obdĺžnikovou pätkou a hornou kruhovou platňou sú mohutné pozdĺžne a priečne výstuhy. Spoľahlivý kontakt prechodovej hlavice s betónom spodného obdĺžnikového stĺpu bol zabezpečený pomocou lôžka z expanznej hmoty VUSOKRET.
Doplnkové stuženie železobetónového skeletu pomocou oceľových stužidiel
Obr. 2 – Úpravy stužidiel v mieste zabetónovania do stĺpov skeletu
Diagonály oceľových ondrejských krížov tvorili tiahla z pásovej ocele dvakrát 300/30 mm, na horných podlažiach jedenkrát 300/30 mm. V uzloch, kde boli tiahla zabetónované do stĺpov, boli tiahla upravené výstuhami tak, aby sa zabezpečilo ich spolupôsobenie s betónom skeletu.
Stuženie pomocou ondrejských krížov prechádzajúcich cez niekoľko podlaží vyžadovalo, aby železobetónové stĺpy boli mohutnejšie. Tento nárok vyplýval zo zvýšených normálových síl v stĺpoch od účinkov horizontálnych síl pôsobiacich na objekt, a tiež vyplýval z veľkej vzpernej dĺžky stĺpov, ktorá dosahovala hodnotu až 9,900 m. Horizontálny účinok voľných podlaží na stĺpy, t. j. podlaží, nachádzajúcich sa mimo uzlov ondrejských krížov, bol takmer eliminovaný pôvodne navrhovaným stužujúcim jadrom. Stužujúce jadro tvorila výťahová šachta, šachta pre vzduchotechniku a schodisko.
Záver
S ohľadom na zvýšené finančné a technické nároky pri realizácii je však namieste otázka, či možno takéto riešenia používať bežne, alebo iba ako núdzové východisko z neriešiteľnej situácie.
Bohumil Bohunický, Marta Blehová, Tatjana Pevná
FOTO: autori
Ing. Bohumil Bohunický, autorizovaný stavebný inžinier SKSI – statika stavieb, zodpovedný projektant statiky. Absolvent stavebnej fakulty SVŠT v Bratislave, odbor Pozemné stavby. Pôsobil vo viacerých projektových ústavoch a organizáciách ako projektant statiky. Od roku 1993 pôsobí ako samostatný subjekt. Počas svojho profesionálneho pôsobenia vypracoval buď v spolupráci, alebo samostatne mnoho projektov nosných konštrukcií stavieb, alebo ich častí. Najvýznamnejšie z nich sú: Dom kultúry Tranava časti A, C, Dom kultúry v Prievidzi (nedostavaný), Zábavné stredisko Ozerky v Sankt Peterburku, Supermarket a Tržnica v Sankt Peterburku, Polyfunkčné objekty II. a III.stavba na Gerncenovej ul. v Bratislave, Polyfunkčné objety blok G+H na Žabotovej a Šancovej ulici v Bratislave. Spolupracoval na projektoch pomocnej plavenej komory a areálu pre športovú plavbu v Čuňove.
Zaoberá sa problémami funkcionálnej analýzy a optimalizačnými metódami, ktoré uplatnil najmä pri úlohách súvisiacich s návrhom plachtových konštrukcií. Odvodil a numericky vyriešil diferenciálne rovnice pre výpočet tvaru plachty napnutej cez voľné laná.







