Bezpečnosť práce pri debnení
Článok hovorí o problematike bezpečnosti práce pri realizácii horizontálnych konštrukcií. Napriek mnohým tvrdeniam, že bezpečnosť práce možno najviac ovplyvniť pri projektovaní stavebného objektu, významnú úlohu zohráva aj veľa detailov spojených s realizáciou. Prvky kolektívneho aj individuálneho zabezpečenia totiž plnia svoju funkciu len v tom prípade, ak sa používajú v súlade s predpísaným postupom. Zámerom tohto príspevku nie je opis jednotlivých postupov, ale poukázanie na súčasné trendy bezpečnosti práce v stavebníctve.
V súčasnosti si už nevieme predstaviť, že v počiatkoch výstavby výškových budov sa považovala strata jedného ľudského života na každé dve podlažia či každý vynaložený milión určený na realizáciu stavebných prác za neodvrátiteľný fakt.
Odvtedy sa postoj radikálne zmenil a kritérium bezpečnosti sa dostalo na popredné miesto. Napriek tomu zostáva stavebníctvo i naďalej medzi najrizikovejšími priemyselnými odvetviami. Dôkazom toho sú aj svetové štatistiky, podľa ktorých vo Veľkej Británii zomrelo v stavebníctve následkom nehody za posledných 25 rokov 2 800 ľudí a v Spojených štátoch je to dokonca 1 200 ročne, pričom ďalších 200 000 je zranených.
Najčastejšími príčinami nehôd je pád osôb alebo zasiahnutie osoby padajúcim predmetom. Podľa štatistík tvoria 50 % všetkých a až 70 % smrteľných nehôd. Keďže tieto nehody sú často spojené s realizáciou horizontálnych konštrukcií stavebných objektov, kladú sa na bezpečnosť procesov ich výstavby právom vysoké nároky.
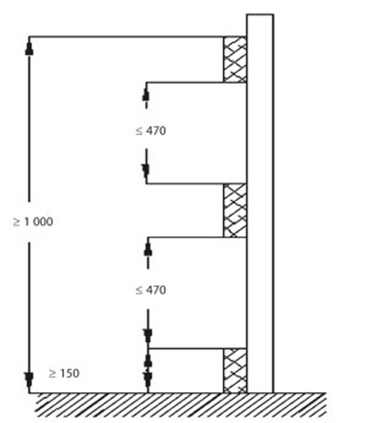
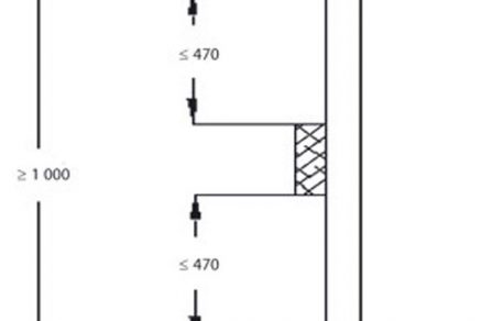
Európska norma EN 13374: 2004 – Temporary Edge Protection Systems ukladá pre konštrukcie triedy A (sklon do 10°) tieto rozmerové požiadavky zábradlia:
- výška zábradlia 1 000 ± 50 mm,
- šírka otvoru max. 470 mm,
- šírka podlahovej zarážky min. 150 mm.
Pri použití drevených lát ako prvkov horizontálneho zábradlia je ťažké určiť, či spĺňajú normou stanovené bezpečnostné požiadavky. Z toho dôvodu sa stále viac používajú stĺpiky zábradlia, ktoré umožňujú uchytenie prvkov určených na tento účel, napr. pre lešenárske rúrky ∅ 48 mm. Stĺpik musí byť so systémom debnenia pevne spojený napr. čapom so závlačkou. Pri väčšine týchto produktov je možné ich pevné uchytenie v dvoch navzájom kolmých smeroch, a taktiež dorovnanie vzhľadom na rozdielnu výšku pri umiestnení stĺpika na nosníky sekundárneho a primárneho rastra.
Ak zábradlie tvorí súčasť debnenia, treba ešte pred začatím oddebnenia okraj novovybudovanej konštrukcie chrániť účinnou ochranou, a to až do chvíle zrealizovania obvodového plášťa či osadenia výplne otvoru.
Medzi často používané typy zábran patria systémy pevných tyčových prvkov, sietí, či dokonca lán s reflexnými pásmi uchytenými na stĺpiky.
Stĺpiky sa môžu osadiť na okraj novovybudovanej konštrukcie:
- umiestnením stĺpika do plastových prvkov v konštrukciách vtlačených do čerstvého betónu počas betonáže. Proti zatečeniu otvoru je tento prvok chránený zátkou, ktorá sa pred osadením stĺpika odstráni,
- pevným uchytením pomocou kotviacich prvkov, ktoré sa zvyčajne realizuje dodatočným vyvŕtaním otvoru,
- pomocou nastaviteľnej čeľuste na uchytenie stĺpika z čelnej strany betónovej konštrukcie. Vďaka rozsahu nastavenia čeľuste do 0,8 m možno použiť tento spôsob aj v prípade ŽB dosky s nosníkom na okraji.

Európska norma EN 1263 Safety nets, ktorá sa vzťahuje na tieto bezpečnostné siete a upravuje ich použitie, stanovuje maximálnu výšku pádu 6 m. Tá sa však redukuje na 3 m, ak je sklon pracovného povrchu viac ako 20°. Sieť musí byť zmontovaná tak, aby zachytený objekt nenarazil do jej konzol a aby sa v priestore medzi konzolami nenachádzali žiadne výčnelky či objekty. Na verifikáciu sa používa oceľová guľa s priemerom 500 mm a váhou 100 kg, ktorá sa nechá voľne padnúť dvakrát na tú istú jednotku, pričom treba dohliadnuť na to, aby sa počas dopadu a ani po ňom vzorka nedotýkala pevných častí.
Účinná šírka siete je stanovená na 3 m. Dĺžkovo sa však vyrába viacero variantov. Ich vzájomné nadpájanie pripúšťa norma v dvoch alternatívach. Prvou metódou je spájanie do väčších celkov pomocou lana, pričom musí byť zachytené každé oko siete. Druhá metóda je flexibilnejšia, nakoľko sa jednotky umiestňujú nezávisle, a to s presahom minimálne 0,75 m. Často sa však miesto tejto hodnoty pristupuje k presahu 1,0 m. Ochrana počas montáže v poli horizontálneho debnenia sa zvyčajne volí v závislosti od jeho typu. V zásade sa však z hľadiska bezpečnosti preferuje použitie pojazdného lešenia. V prípade použitia podperných veží ako nosného systému sa chránia pracovnými plošinami.

Alternatívou použitia týchto sietí môže byť individuálne zabezpečenie pracovníkov. Pri týchto systémoch možno hovoriť o nulovom faktore rizika pádu. Ako kotevný bod sa používajú vertikálne nosné prvky stavby.
Pri niektorých typoch treba počas betonáže vertikálnych prvkov osadiť kónickú trubicu, ktorá slúži na uchytenie konzoly. Tá môže byť otočná alebo pevná. Pri otočnej je bezpečnostné lano umiestnené na konci L konzoly. Plocha zabezpečenia pracovníkov z jednej konzoly je zhruba 100 až 150 m2.
Na trhu sa možno stretnúť aj s bezpečnostnými lanami individuálnej ochrany, ktoré si nevyžadujú predprípravu. Tu je však systém navijakového lana, ktorý zabraňuje pádu, závislý od tuhosti realizovaného debnenia, pretože jeho okraj tvorí oporný bod lana.
Ak sa stavebný objekt nachádza v oblasti, kde nemožno zabrániť prístupu osôb, ktoré nie sú účastníkmi výstavby, zvyčajne sa nároky na zabezpečenie zvyšujú. Štandardným riešením zabezpečenia býva prístrešok tvorený z lešeňových prvkov či dreva, ktorý prekrytím chodníka bráni zásahu chodcov padajúcim objektom.
Stále viac sa najmä v zahraničí pristupuje k pokrytiu realizovaného objektu na celú výšku. Postupuje sa v predstihu o jedno podlažie. Prekrytie objektu tkaninou či plachtou poskytuje okrem ochrany proti pádu osôb a predmetov aj clonu proti šíreniu prachu, eliminuje prúdenie vetra, zvyšuje bezpečnosť a často prispieva i k urýchleniu stavebných procesov. Pracovná plošina lešenia slúži aj na bezpečné oddebnenia obvodu horizontálnej konštrukcie. Pri nízkopodlažných budovách slúži tiež na realizáciu obvodového plášťa. Hoci pri výškových budovách sa stáva toto riešenie neekonomické, nesporné výhody, ktoré sú v ňom integrované, boli jednou z príčin, prečo sa aj napriek tomu používa v praxi. Výsledkom je konštrukcia prekladaných či šplhavých obvodových bezpečnostných konzol.

Práve preto by mali byť nevyhnutnou súčasťou povedomia pracovníkov nielen požiadavky bezpečnosti, ale i pracovný postup debniaceho systému a vplyv následných pracovných procesov.
Práce prebiehajúce na horizontálnom debnení musia zohľadňovať konfiguráciu a nosnosť použitého podperného systému. Ťažké prvky, ako napr. tyčovú výstuž, treba rozmiestňovať rovnomerne v menších zväzkoch. V prípade, že ide o veľké profily alebo z časového hľadiska nasadenia žeriava nie je možný transport po menších celkoch, musí sa určené miesto vykládky výstuže podľa statických výpočtov zosilniť. Ďalším príkladom môže byť nutnosť posunu koša na čerstvý betón pri jeho vyprázdňovaní na eliminovanie lokálneho zaťaženia.
![]() |
![]() |
| Umiestnenie vnútorného zábradlia na ochranu okraja konštrukcie pred začatím oddebňovacích prác. | |
Ing. Peter Mitter
Foto: autor, ULMA construccion
Autor je absolventom Stavebnej fakulty STU v Bratislave, odbor Realizácia stavieb. V súčasnosti je externým doktorandom na Katedre technológie stavieb Stavebnej fakulty a zároveň pracuje vo firme Bepatech SK, kde sa zaoberá problematikou debnenia monolitických konštrukcií.
Recenzovala Ing. Renáta Bašková, PhD., ktorá pôsobí na Stavebnej fakulte TU v Košiciach.
Článok bol uverejnený v časopise Stavebné materiály.












