Solárne kolektory v bytovom dome?
Hodnotením efektívnosti solárneho systému v letnom období v bytovom dome v Bratislave sa podarilo preukázať, že solárny systém je závislý od dennej spotreby teplej vody a zároveň sa preukázalo, že na ohrev vody je nevyhnutná inštalácia prídavného zdroja energie.
Solárne termické kolektory predstavujú jednu z najpoužívanejších technológií na výrobu tepla z obnoviteľných zdrojov energie [1]. Inštalácia solárnych kolektorov v rodinných domoch je ešte stále omnoho populárnejšia ako inštalácia solárnych kolektorov v bytových domoch. V kontexte celoeurópskeho trendu energeticky neutrálnych budov však veríme, že sme na prahu rozvoja solárnych systémov aj v bytových domoch. Aplikácia solárnych systémov v budovách prispieva k zlepšeniu energetickej hospodárnosti budov spolu s optimalizáciou prevádzkových nákladov na výrobu tepelnej energie.
Slnečný energetický systém v bytovom dome
Bytový dom disponuje 90 bytovými jednotkami, z toho 26 je trvale obývaných a 64 bytových jednotiek slúži na dlhodobý prenájom. Ohrev vody v bytovom dome sa realizuje z plynovej kotolne a primárne zo solárneho systému inštalovaného na streche bytového domu. Teplá voda ohriata plynovým kotlom sa akumuluje v dvoch zásobníkoch s objemom 950 l. Teplá voda ohriata solárnymi kolektormi sa akumuluje rovnako v dvoch zásobníkoch s objemom 950 l.
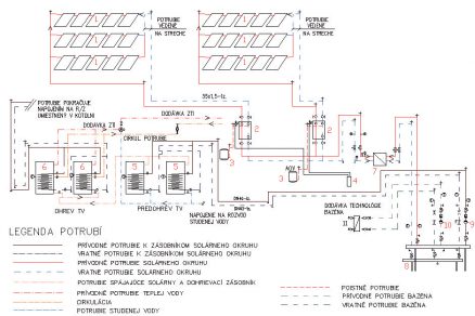
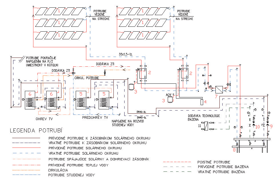
Vyrobená energia zo solárneho systému sa odovzdáva cez doskový výmenník do teplonosnej látky. Z rozdeľovača a zberača je teplonosná látka vedená jednou samostatnou vetvou do dvoch zásobníkových ohrievačov určených na predohrev vody (obr. 1). Slnečné kolektory pracujú podľa rozdielu teploty v kolektoroch a teploty teplonosnej látky v kolektorovom potrubí umiestnenom v kotolni.
![]() |
| 1 – solárne kolektory, 2 – solárna stanica s čerpadlom, 3 – expanzná nádoba, 4 – chemická úprava vody, 5 – predohrievací zásobník, 6 – dohrievací zásobník, 7 – doskový výmenník, 8 – rozdeľovač a zberač, 9 – teplovodné obehové čerpadlo (ohrev výmenníka TV), 10 – teplovodné obehové čerpadlo (výmenník bazénovej vody), 11 – výmenník na ohrev bazénovej vody |
Meranie v bytovom dome
Meranie prebiehalo v letnom období od 23. 7. do 18. 8. 2015. Výsledky experimentálnych meraní sú znázornené na nasledujúcich grafických výstupoch (obr. 2 až 5).
Dodané množstvo energie zo solárnych kolektorov rovnomerne stúpa s rastúcou intenzitou slnečného žiarenia a rovnomerne klesá s klesajúcou intenzitou slnečného žiarenia v dôsledku zapnutých čerpadlových skupín solárneho okruhu počas slnečného svitu. Intenzita slnečného žiarenia ovplyvňuje teplotu teplonosnej látky prívodného potrubia kolektorov s menším časovým oneskorením.
Teplota teplonosnej látky kolektorov plynule stúpa a v poobedných hodinách počas slnečného dňa plynule klesá. Najvyššia teplota 81,8 °C sa dosiahla o 13:00 pri intenzite slnečného žiarenia 962 W/m2. Slnečné kolektory vyrobili počas celého dňa 103,69 kWh energie a 341,11 kWh energie na ohrev vody bolo dodaných z plynovej kotolne.
Teplonosná látka za noc vychladne a o 6:00 dochádza k rozdielu teplôt medzi prívodným a vratným potrubím teplonosnej látky 0,4 °C. S pribúdajúcou intenzitou slnečného žiarenia sa dosiahol rozdiel teplôt medzi prívodným a vratným potrubím 18 °C. Teplota teplonosnej látky sa mení plynule s intenzitou slnečného žiarenia do 15:30, keď sa náhle zmení slnečné počasie.
So zmenou počasia súvisí zmena teploty teplonosnej látky a následne sa zníži množstvo dodanej energie na minimum. Maximálna teplota teplonosnej látky dosiahla 71,8 °C pri intenzite slnečného žiarenia 876 W/m2. Dňa 14. 8. dodali slnečné kolektory 97,53 kWh energie a 326,49 kWh energie bolo dodanej z plynovej kotolne.
Dodaná a odobratá energia
Na obr. 6 je znázornené dodané množstvo energie získanej na ohrev vody slnečnými kolektormi a množstvo odobranej energie na ohrev vody z plynovej kotolne. Počas experimentálneho merania vychádza pokrytie energie na ohrev vody slnečnými kolektormi 32 %.
Aká je teda účinnosť kolektorov?
Kvalitné solárne kolektory môžu získať energiu s veľmi dobrou účinnosťou, avšak o jej využití rozhoduje celý solárny systém vrátane akumulácie. Počas experimentálnych meraní sa pohybovala priemerná denná teplota teplonosnej látky na výstupe z kolektorov od 32,4 °C do 66,7 °C v závislosti od intenzity slnečného žiarenia a exteriérovej teploty. Priemerná denná intenzita slnečného žiarenia sa pohybovala od 186,16 W/m2 do 756,95 W/m2 a priemerná účinnosť kolektorov dosiahla počas experimentálnych meraní 60,6 %.
Literatúra
1. EN 15316-4-3: 2013: Vykurovacie systémy v budovách. Metóda výpočtu energetických požiadaviek systému a účinností systému. Časť 4-3: Systémy výroby tepla, tepelné solárne systémy, s. 44.
2. Matuška, T.: Solární soustavy pro bytové domy. Grada Publishing, a. s., 2010, s.136, ISBN 978-80-247-3503-0.
3. Sanchez, M. – Martinez, I. – Rincon, E. – Duran, M.: Design and Thermal-optic Analysis of an Ultra-solar Concentrator. In Energy Procedia, Volume 57, 2014, ss. 311 – 320, ISSN 1876-6102.
TEXT + OBRÁZKY: Ing. Diana Kováčová, Stavebná fakulta STU Bratislava, Katedra TZB a doc. Ing. Otília Lulkovičová,PhD., Stavebná fakulta STU Bratislava, Katedra TZB
Ilustračné foto: HERZ, spol. s r.o.
Článok bol uverejnený v časopise Správa budov 04/2016.













