Posúdenie betónových konštrukcií existujúcich panelových domov
Vo februári 2011 vstúpila do platnosti nová norma STN 73 1211: 2011 Posudzovanie betónových konštrukcií existujúcich panelových budov, ktorá spĺňa najnovšie požiadavky platných európskych noriem. V plnom rozsahu nahrádza STN 73 1211: 1987, ktorá bola zrušená zavedením súboru eurokódov v apríli 2010. Norma je určená na posudzovanie existujúcich montovaných betónových konštrukcií panelových budov pre bytovú a občiansku výstavbu, ktoré boli zhotovené z obyčajného hutného betónu prostého, slabo vystuženého, vystuženého a predpätého.
Predmet normyNorma sa uplatní pri dodatočných rekonštrukciách, nadstavbách a zásahoch do nosnej konštrukcie panelových budov súvisiacich s obnovou bytového fondu. Aj keď sa norma zaoberá najmä statickými problémami posudzovania existujúcich panelových budov, obsahuje tiež niektoré všeobecné požiadavky týkajúce sa správcov budov. Nepredpokladá sa uplatnenie tejto normy pri navrhovaní betónových konštrukcií nových panelových budov.
Posudzovanie existujúcich konštrukcií panelových budov je v súčasnosti významnou technickou úlohou. Odborníci môžu používať špecifické metódy hodnotenia, ktoré umožnia predĺžiť životnosť konštrukcií panelových budov, obnoviť, prípadne zvýšiť úroveň užívania bytového fondu a znížiť náklady objednávateľov. Konečným cieľom je obmedziť stavebné opatrenia na úplné minimum, pričom tento cieľ je v úplnom súlade so zásadami trvale udržateľného rozvoja.
Niektoré rozsiahlejšie podrobnosti o výpočtových postupoch požadovaných v norme STN 73 1211: 2011 Posudzovanie betónových konštrukcií existujúcich panelových budov pri rekonštrukciách panelových budov a ďalšie podrobnosti súvisiace so statickou analýzou panelových budov sa uvádzajú v [1]. Publikácia obsahuje prehľadný opis konštrukcie a statického pôsobenia jednotlivých typov panelových sústav aplikovaných v SR, históriu rozvoja ich výstavby v minulosti a nadväzujúce problémy pri využívaní a rekonštrukciách bytového fondu v súčasnosti.
Materiály a základová pôda
Vo výpočtoch a posúdeniach nosných prvkov existujúcich panelových stavieb je významnou vlastnosťou betónu a stykovej malty charakteristická (valcová) tlaková pevnosť betónu fck. Tá je východiskovou charakteristikou na určenie pevnostných a deformačných charakteristík betónu podľa analytických vzťahov uvedených v STN EN 1992-1-1. Pri posudzovaní existujúcich panelových stavieb sa určí pevnostná trieda betónu, respektíve stykovej malty podľa ustanovení STN ISO 13822. Vychádza sa z dokumentácie skutočného zhotovenia stenových panelov, stropných dielcov, nosných stykov panelovej stavby a/alebo vyhodnotenia skúšok betónu, respektíve stykovej malty nosnej konštrukcie v súlade s ustanoveniami STN EN 1990 a STN ISO 13822. Na prevod starších značiek a tried betónu, respektíve stykovej malty na pevnostné triedy podľa STN EN 1992-1-1 alebo STN EN 206-1 sa použije STN ISO 13822.
Princípy a pravidlá na určenie parametrov opisujúcich vlastnosti a charakteristiky betonárskej výstuže sa uvádzajú v STN EN 1992-1-1. Charakteristická medza klzu fyk je významnou charakteristikou vo výpočtoch a posúdeniach železobetónových prvkov existujúcich panelových stavieb.
Pri posudzovaní existujúcich panelových stavieb sa určí druh betonárskej výstuže podľa ustanovení STN ISO 13822. Vychádza sa z dokumentácie skutočného zhotovenia stenových panelov, stropných dielcov, nosných stykov panelovej stavby a/alebo z prieskumu. Druh výstuže sa môže takisto identifikovať podľa úprav povrchu betonárskej výstuže, ktoré sú znázornené v STN ISO 13822. Vlastnosti betonárskej výstuže železobetónových nosných častí panelovej stavby navrhnutých a zhotovených podľa platných noriem v minulosti sa berú do úvahy podľa STN ISO 13822. V tejto norme sa uvádzajú aj príslušné charakteristické hodnoty medze klzu fyk. Ak nie je istota pri určení druhu betonárskej výstuže a jej charakteristík, možno z konštrukcie odobrať vzorky výstuže na skúšky. Na ich základe sa určí charakteristická hodnota fyk. Odber vzoriek nesmie ohroziť nosnú funkciu konštrukcie panelovej stavby.
Sadnutie základovej škáry sa určí ako interakcia priestorovej škatuľovej (takzvanej krabicovej) nosnej konštrukcie panelového domu, základov a poddajnosti podložia. Poddajnosť podložia sa vyjadrí prostredníctvom konečného (stabilizovaného) sadnutia v úrovni základovej škáry s prihliadnutím na ustanovenia STN EN 1997-1. Priestorová nosná konštrukcia panelového domu a základov sa modeluje so zohľadnením konečného dotvarovania betónu a poddajnosti zvislých stykov v nosných stenách. Hodnoty daného sadnutia základovej škáry spôsobeného prípadnými dodatočnými zmenami pomerov v podloží (poddolovaním, zmenou vlhkosti zemín a podobne) sa uvádzajú v podkladoch, ktoré zabezpečí správca panelového domu.
Vnútorné steny panelovej budovy
Technické parametre stenových panelov závisia od typu panelovej sústavy. Hrúbka nosných stien býva 140 alebo 150 mm. Hrúbka panelov zavetrovacích stien môže byť i menšia. Stenové panely sa v prevažnej miere vyrábali ako betónové (bez zvislej nosnej výstuže) alebo výnimočne železobetónové (so zvislou nosnou výstužou). Železobetónové panely sa použili v dolných (najviac troch) podlažiach niektorých typov bodových výškových panelových budov.
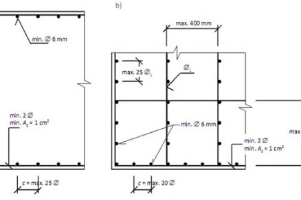
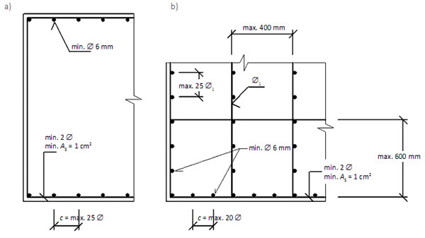
Obr. 1 Konštrukčné zásady vystuženia stenového panela
a) betónový stenový panel – min. ∅ 6 mm; min. 2 ∅; min. AS = 1 cm2; c = max. 25 ∅
b) železobetónový stenový panel – max. 25 ∅ 1; max. 400 mm; ∅ 1; min. ∅ 6 mm; min. 2 ∅; min. AS = 1 cm2;
max. 600 mm; c = max. 20 ∅
Betónové stenové panely majú po celom svojom obvode pozdĺžnu konštrukčnú výstuž, pričom na dolnom a hornom okraji je umiestnená najmenej jedna zváraná mrežovina, ktorá je vytvorená podľa konštrukčných zásad znázornených na obr. 1a.
Železobetónové stenové panely majú zvislú nosnú výstuž, ktorá je spojená vodorovnou pozdĺžnou výstužou a priečnymi strmienkami. Výstuž je usporiadaná symetricky pri oboch povrchoch panela a je znázornená na obr. 1b.
Obvodové steny panelovej budovy
Obvodové steny musia okrem statickej funkcie spĺňať aj ďalšie požiadavky na tepelný odpor, vzduchovú nepriepustnosť a ochranu proti vnikaniu dažďovej vody. V rôznych typoch panelových sústav je konštrukcia obvodových stien a nosných stykov riešená odlišne. Podľa počtu vrstiev z rôzneho materiálu sa obvodové stenové panely delia na:
- jednovrstvové – z ľahkého nosného betónu s povrchovými úpravami. Obvodové panely môžu byť konštrukčne riešené ako celoplošné alebo poskladané zo štyroch alebo z piatich horizontálnych pásových prvkov z ľahkého betónu, ktoré sú vertikálne spínané dvomi oceľovými tyčami (obr. 2). Tieto panely sa obyčajne nachádzajú v priečelí panelovej budovy. Na väčšine spínaných obvodových panelov sa v súčasnosti prejavujú poruchy zväčšovaním vodorovných škár medzi pásovými prvkami a prestúpením trhlín v pásových prvkoch;
- dvojvrstvové – skladané z nosného betónového panela a z obkladového panela z ľahkého izolačného betónu. Takéto riešenia sa obyčajne nachádzajú na štíte, v niektorých typoch aj v priečelí panelovej budovy;
- trojvrstvové – pozostávajú z vnútornej (spravidla nosnej) vrstvy betónu, zo strednej vrstvy vysokoúčinného izolačného materiálu a z vonkajšej betónovej vrstvy (membrány). Vonkajšia vrstva s hrúbkou 50 až 70 mm sa zhotovovala z veľmi hutného betónu vystuženého zváranou sieťou s priemerom 4/150 mm, ktorej krytie z vonkajšej strany budovy bolo aspoň 25 mm. Vonkajšia vrstva je zavesená na vnútornú vrstvu poddajne pomocou strmienkov alebo šikmých priestorových závesných kotiev, prípadne závesných kotiev v tvare M z nehrdzavejúcej ocele 17041, aspoň s priemerom AK 8 mm.
Obr. 2 Jednovrstvové obvodové panely z ľahkého betónu
a) celoplošný panel, b) spínaný zatvorený panel, c) spínaný otvorený panel s oceľovým nadokenným prekladom
Pred každým zásahom do nosnej konštrukcie panelového domu (pri zmene využitia bytových priestorov za nebytové, pred vytvorením jedného, prípadne viacerých otvorov v nosnej stene alebo v strope, pri nadstavbe budovy, pri zateplení budovy) treba vykonať odbornú diagnostiku. Rozsah potrebných diagnostických skúšok nosných konštrukcií panelového domu treba určiť individuálne v závislosti od stavu nosnej konštrukcie a od druhu a rozsahu predpokladaného zásahu v súlade s požiadavkami STN ISO 13822. Východiskovým podkladom na diagnostiku je dôsledná vizuálna kontrola stavu obvodových plášťov, nosných stien, stropov a ich stykov.
Diagnostika nosných konštrukcií panelových budov musí overiť skutočný stav a funkčnosť nosnej konštrukcie prostredníctvom prieskumu kvality jej stykov a dielcov. Treba zistiť konkrétne vlastnosti jednotlivých častí konštrukcie, kvalitu vyplnenia stykov stykovým betónom (stykovou maltou), kvalitatívne vlastnosti použitých konštrukčných materiálov (betónu, ocele) a skutočné zabudované množstvo výstuže v stykoch, ako aj v samotných nosných dielcoch.
Dokumentáciu všetkých dodatočne vykonaných zásahov do pôvodnej nosnej konštrukcie a ich polohopisu v priestoroch panelovej budovy (opis, výkresy, statický výpočet, príslušný súhlas na zásah do nosnej konštrukcie) musí evidovať správca budovy. Bez existencie uvedenej dokumentácie nie je prípustný zásah do nosnej konštrukcie budovy, ak si projektant nepreverí dovtedy vykonané zásahy do nosnej konštrukcie panelovej budovy.
Rozsah statického výpočtu pri zásahoch do konštrukcie panelovej sústavy vyplýva z požiadavky na zachovanie statickej bezpečnosti budovy. Dodatočné zásahy nemajú spôsobovať nadmernú koncentráciu šmykových napätí v okolí otvorov a v miestach prípadného nového lokalizovaného podopretia nosných stien, zvislých tlakových napätí medzi otvormi v stenách a vodorovných ťahových napätí v nadpražiach otvorov. V prípade potreby je nevyhnutné navrhnúť a realizovať také dodatočné zosilnenie nosných stien alebo stropov, aby statické funkcie nosnej sústavy neboli ohrozené.
Záver
Približne pred šesťdesiatimi rokmi sa začala rozvíjať hromadná bytová výstavba na báze panelových domov a uplatňovala sa u nás približne štyridsať rokov. V súčasnosti to znamená, že naše panelové domy starnú, čo sa priamo dotýka ich predpokladanej životnosti. Stanovenie skutočnej technickej životnosti panelových domov je odborne náročný proces a vyžaduje si znalosti princípov konštrukčnej a statickej funkcie jednotlivých panelových sústav. Zároveň však treba odborne reagovať na veľký záujem našej verejnosti o zmeny a úpravy bytov v panelových domoch. Medzi vážne zásahy do statiky panelových domov patrí vytváranie nových otvorov v nosných stenových paneloch, nadstavby panelových domov a v niektorých prípadoch aj dodatočné zateplenie obvodových plášťov.
Text: doc. Ing. Ivan Harvan, PhD.
FOTO: Dano Veselský
Autor pôsobí na Stavebnej fakulte STU v Bratislave.
Článok vznikol za podpory výskumného projektu VEGA č. 1/0306/09 Aplikácia pravdepodobnostných metód na obnovenie spoľahlivosti betónových stavieb.
Literatúra
1. Harvan, I.: Analýza nosných sústav panelových budov., Bratislava: Slovenská komora stavebných inžinierov, 2008. 307 s.
2. STN 73 1201: 2011 Posudzovanie betónových konštrukcií existujúcich panelových budov. Bratislava: SUTN, 2011.
3. STN EN 1992-1-1 Eurokód 2: Navrhovanie betónových konštrukcií. Časť 1-1: Všeobecné pravidlá a pravidlá pre budovy (73 1201).
Bratislava: SÚTN, 2006.
4. STN ISO 13822 Zásady navrhovania konštrukcií. Hodnotenie existujúcich konštrukcií (73 0038). Bratislava: SÚTN, 2010.
Článok bol uverejnený v časopise Správa budov.









