Ekologický pasívny rodinný dom v Stupave
Pasívny rodinný dom v Stupave predstavuje jeden z prvých pasívnych domov na báze ľahkej drevenej konštrukcie na Slovensku. Pri jeho návrhu investor spolu s architektom dbali o použitie prírodných materiálov, napr. izolácie z celulózy alebo vnútorných stien z nepálených tehál. Podarilo sa im pritom dosiahnuť energetickú efektívnosť, ktorá v hodnotách mernej energie a vzduchotesnosti plne vyhovuje štandardom energeticky pasívneho domu. Dosiahnutá vzduchotesnosť 0,45 1/h je podľa vedomostí autorov dokonca prvým výsledkom na Slovensku pod požadovanou hranicou 0,6 1/h pre pasívne domy.

Vonkajšia fasáda je z difúzne otvorených materiálov (drevovláknitých dosiek), vnútorná vzduchotesná rovina sa zabezpečuje OSB doskami s prelepenými spojmi. Na vytvorenie inštalačnej vnútornej vrstvy sa nakoniec zvolili nepálené tehly ukladané na sucho a na kant, kotvené po každom treťom rade drevenou latou k nosnej stojke cez OSB dosku. Výhodou bola rýchla montáž a možnosť osadiť tehly pri základovej doske na drevené podpery, aby sa zabránilo tepelnému mostu. V neposlednom rade sa získala aj veľmi dobrá akumulačná a hygroskopická masa. Stavba sa koncipovala tak, aby sa Blower Door test mohol uskutočniť, kým je ešte vzduchotesná rovina viditeľná a možno ju prekontrolovať. Niektoré detaily drevenej konštrukcie sa riešili atypicky pre ľahšie dosiahnutie vzduchotesnosti počas stavby. Sklady sú nevykurované priestory postavené z neomietaných vápenno-pieskových tehál, garáž je prekrytá extenzívnou zelenou strechou.
![]() |
![]() |
| Výsledkom úvah o technickej koncepcii bolo osadenie kompaktnej jednotky Aerosmart XLS. | Výsledkom úvah o technickej koncepcii bolo osadenie kompaktnej jednotky Aerosmart XLS. |
| Názov stavby: Pasívny rodinný dom
Miesto: Stupava |
Technická koncepcia
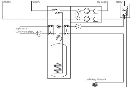
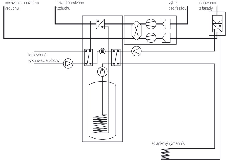
Kompaktná jednotka Aerosmart mohla, naopak, zabezpečiť nielen vykurovanie, ale aj OPV pomocou tepelného čerpadla. Jednotka XLS má vďaka soľanke vyšší výkon (až 2,5 kW) na preklenutie aj najchladnejšieho obdobia bez ďalších vykurovacích telies.
Schéma zapojenia kompaktnej jednotky Aerosmart XLS
| Technické parametre kompaktnej jednotky Aerosmart XLS Napájanie: 230 V/50 Hz Max. vzduchový výkon: 230 m3/h Max. príkon ventilátorov: 100 W Max. príkon elektrickej špirály: 2 000 W Príkon tepelného čerpadla: 686 W Tepelný výkon: 2 447 W Účinnosť rekuperácie: 85 % |
Zariadenia typu Aerosmart zabezpečujú na jednej strane garanciu najvyššej efektivity systému vykurovania, na druhej strane vyžadujú kritériá pre energeticky pasívne domy, ktoré je nevyhnutné rešpektovať. Aerosmart je kombináciou tepelného čerpadla a vzduchotechnickej jednotky. Hlavný rozdiel je v tepelnom čerpadle, ktoré je prispôsobené na systém voda/voda a vzduch/voda. Soľanka je použitá nielen ako zdroj energie pre tepelné čerpadlo na vykurovanie a prípravu OPV, ale vďaka spojeniu dvoch okruhov vykurovania (teplovodného a vzduchového) má dostatočný vykurovací výkon aj pri menšom množstve vetraného vzduchu, a tak zabraňuje zbytočnému vysušovaniu vzduchu počas zimných mesiacov.
Riešenie s kompaktnou jednotkou Aerosmart bolo prvým na Slovensku. Podľa našich záverov je kompaktná jednotka s tepelným čerpadlom tým najefektívnejším riešením pre dobre navrhnutý pasívny dom.
Izolačný štandard konštrukcií Izolácia podlahy nad terénom: podlahový polystyrén s hrúbkou 250 mm, poter, drevená palubovka – súčiniteľ prechodu tepla U = 0,153 W/(m2 . K) |
| Technické zariadenia Soľankový zemný výmenník: 270 bm, uložený v troch slučkách v ryhe širokej 80 cm v hĺbkach 2,5, 1,8 a 1,1 m (predimenzované, stačilo by 120 až 180 bm) Vetranie a vykurovanie: Drexel und Weiss Aerosmart XLS s nízkoteplotným rozvodom tepla do podlahového vykurovania v kúpeľniach a 20 m2 nástenného vykurovania OPV: Drexel und Weiss Aerosmart XLS (malé tepelné čerpadlo prepojené so soľankovým okruhom) |
(sf)
Redakčne spracované z podkladov Mgr. art. Bjorna Kierulfa a Ing. Vladimíra Šimkovica
Foto a obrázky: archív vydavateľstva, Mgr. art. Bjorn Kierulf, Ing. Vladimír Šimkovic












